GM Service Manual Online
For 1990-2009 cars only
Figure 1:

Cylinder Head Cover Assembly


Object Number: 1860923  Size: MF
(1)Camshaft Cover, Bank 2
(2)Camshaft Cover Gasket, Bank 2
(3)Camshaft Cover, Bank 1
(4)Camshaft Cover Gasket, Bank 1
(5)Camshaft Cover Spark Plug Port Seal
(5)Camshaft Cover Spark Plug Port Seal
(6)Camshaft Cover Bolt
(6)Camshaft Cover Bolt
(7)Camshaft Cover Bolt Insulator
(7)Camshaft Cover Bolt Insulator
(7)Camshaft Cover Bolt Insulator
(8)Ignition Coil Bolt Thread Insert
(9)Oil Fill Cap
(10)Oil Fill O-ring
(10)Oil Fill O-ring
(11)Camshaft Cover PCV Fitting, Bank 2
(12)Camshaft Cover PCV Fitting Orifice, Bank 1
(13)Camshaft Cover PCV Fitting O-ring, Bank 2
(14)Ignition Coil
(15)Ignition Coil Bolt
(15)Ignition Coil Bolt
(16)Spark Plug
(16)Spark Plug
Figure 2:

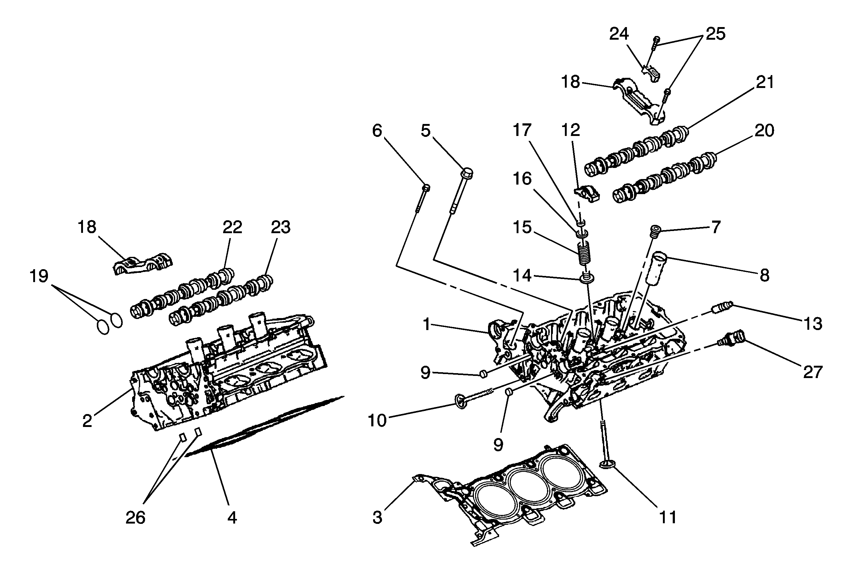
Cylinder Head Assembly


Object Number: 1860924  Size: MF
(1)Cylinder Head, Bank 2
(2)Cylinder Head, Bank 1
(3)Cylinder Head Gasket, Bank 2
(4)Cylinder Head Gasket, Bank 1
(5)Cylinder Head Bolt
(6)Cylinder Head Front Bolt
(7)Cylinder Head Coolant Hole Threaded Plug
(8)Spark Plug Sleeve
(9)Cylinder Head Oil Gallery Expansion Plug
(9)Cylinder Head Oil Gallery Expansion Plug
(10)Exhaust Valve
(11)Intake Valve
(12)Valve Rocker Arm Assembly
(13)Hydraulic Valve Lash Adjuster Assembly
(14)Valve Stem Oil Seal
(15)Valve Spring
(16)Valve Spring Cap
(17)Valve Stem Key
(18)Cylinder Head Camshaft Front Thrust Bearing Cap
(18)Cylinder Head Camshaft Front Thrust Bearing Cap
(19)Camshaft Oil Seal Ring
(20)Exhaust Camshaft, Bank 2
(21)Intake Camshaft, Bank 2
(22)Intake Camshaft, Bank 1
(23)Exhaust Camshaft, Bank 1
(24)Cylinder Head Camshaft Cap - Intermediate
(25)Cylinder Head Camshaft Cap Bolt
(26)Cylinder Head Oil Gallery Check Valve
(27)Engine Coolant Temperature (ECT) Sensor
Figure 3:

Intake Manifold Assembly


Object Number: 1860925  Size: MF
(1) Upper Intake Manifold
(2)Throttle Body Assembly
(3)Upper Intake Manifold-to-Lower Intake Manifold Gasket
(4)Fuel Injector Wiring Harness
(5)Fuel Rail
(6)Fuel Injector
(7)Lower Intake Manifold
(8)Lower Intake Manifold-to-Cylinder Head Gasket
(9)Intake Manifold Tuning Control (IMTC) Valve
Figure 4:

Engine Front Cover


Object Number: 1860926  Size: MF
(1)Engine Front Cover Locating Pin
(2)Engine Front Cover Bolt, M10
(3)Engine Front Cover
(4)Engine Front Cover Gasket
(5)Engine Front Cover Bolt, M8
(6)Engine Front Cover Seal
(7)Coolant Pump Assembly
(8)Coolant Pump Bolt
(9)Coolant Pump Gasket
(10)Coolant Pump Pulley
(11)Coolant Pump Pulley Bolt
(12)Crankshaft Balancer
(13)Crankshaft Balancer Bolt
(14)Camshaft Position Sensor
(15)Camshaft Position Sensor O-ring
(16)Camshaft Position Sensor Bolt
(17)Camshaft Position Actuator Solenoid Valve
(18)Camshaft Position Actuator Solenoid Valve Bolt
(19)Camshaft Position Actuator Solenoid Valve Seal
Figure 5:

Timing Chain Components


Object Number: 1860927  Size: MF
(1)Crankshaft Sprocket
(2)Lower Primary Timing Chain Guide
(3)Primary Timing Chain Tensioner
(4)Primary Timing Chain Tensioner Bolt
(5)Lower Primary Timing Chain Guide Bolt
(6)Primary Timing Chain
(7)Upper Primary Timing Chain Guide
(8)Upper Primary Timing Chain Guide Bolt
(9)Camshaft Intermediate Driveshaft Sprocket Bolt
(10)Camshaft Intermediate Driveshaft Sprocket, Bank 2
(11)Camshaft Intermediate Driveshaft Sprocket, Bank 1
(12)Secondary Timing Chain, Bank 2
(13)Secondary Timing Chain Guide, Bank 2
(14)Secondary Timing Chain Guide Bolt, Bank 2
(15)Secondary Timing Chain Shoe, Bank 2
(16)Secondary Timing Chain Shoe Bolt, Bank 2
(17)Secondary Timing Chain Tensioner, Bank 2
(18)Secondary Timing Chain Tensioner Bolt, Bank 2
(19)Secondary Timing Chain Tensioner Gasket, Bank 2
(20)Secondary Timing Chain, Bank 1
(21)Secondary Timing Chain Guide, Bank 1
(22)Secondary Timing Chain Guide Bolt, Bank 1
(23)Secondary Timing Chain Shoe, Bank 1
(24)Secondary Timing Chain Shoe Bolt, Bank 1
(25)Secondary Timing Chain Tensioner, Bank 1
(26)Secondary Timing Chain Tensioner Bolt, Bank 1
(27)Secondary Timing Chain Tensioner Gasket, Bank 1
(28)Exhaust Camshaft Position Actuator, Bank 2
(29)Intake Camshaft Position Actuator, Bank 2
(30)Camshaft Position Actuator Bolt
(30)Camshaft Position Actuator Bolt
(30)Camshaft Position Actuator Bolt
(30)Camshaft Position Actuator Bolt
(31)Exhaust Camshaft Position Actuator, Bank 1
(32)Intake Camshaft Position Actuator, Bank 1
Figure 6:

Engine Block Assembly


Object Number: 1860928  Size: MF
(1)Piston and Connecting Rod Assembly
(2)Crankshaft Bearing Cap
(3)Crankshaft Bearing Thrust Cap
(4)Crankshaft Bearing Cap Inboard Bolt
(5)Crankshaft Bearing Cap Outboard Bolt
(6)Crankshaft Bearing Cap Side Bolt, Short
(7)Crankshaft Bearing Cap Side Bolt, Long
(8)Engine Block Oil Gallery Expansion Plug, 10mm
(9)Crankshaft
(10)Crankshaft Sprocket Locating Pin
(11)Crankshaft Upper Bearing
(12)Crankshaft Lower Bearing
(13)Crankshaft Upper Thrust Bearing #3
(14)Engine Block Oil Gallery Expansion Plug, 14 mm
(15)Engine Block Oil Gallery Threaded Plug, 14 mm
(15)Engine Block Oil Gallery Threaded Plug, 14 mm
(16)Engine Block Coolant Drain Threaded Plug, 14 mm
(17)Engine Block Oil Gallery Threaded Plug, 20 mm
(18)Engine Block Core Coolant Expansion Plug, 34.3 mm
(19)Transaxle Locating Pin
(20)Crankshaft Rear Oil Seal Housing Assembly
(21)Crankshaft Rear Oil Seal Housing Assembly Bolt
(22)Oil Pan Locating Pin
(23)Cylinder Head Locating Pin
(24)Piston Oil Nozzle
(25)Piston Oil Nozzle Bolt
Figure 7:

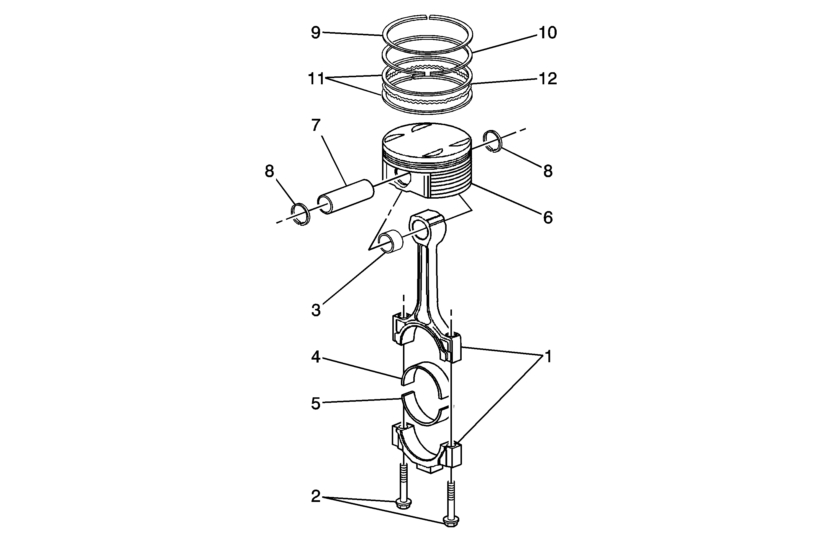
Piston and Connecting Rod Components


Object Number: 1860929  Size: MF
(1)Connecting Rod
(2)Connecting Rod Bolt
(3)Connecting Rod Bush
(4)Lower Connecting Rod Bearing
(5)Piston
(6)Piston Pin
(7)Piston Pin Retainer
(8)Piston Upper Compression Ring
(8)Piston Upper Compression Ring
(9)Piston Lower Compression Ring
(10)Piston Lower Compression Ring
(11)Piston Oil Control Rail Ring
(12)Piston Oil Control Ring Spacer
Figure 8:

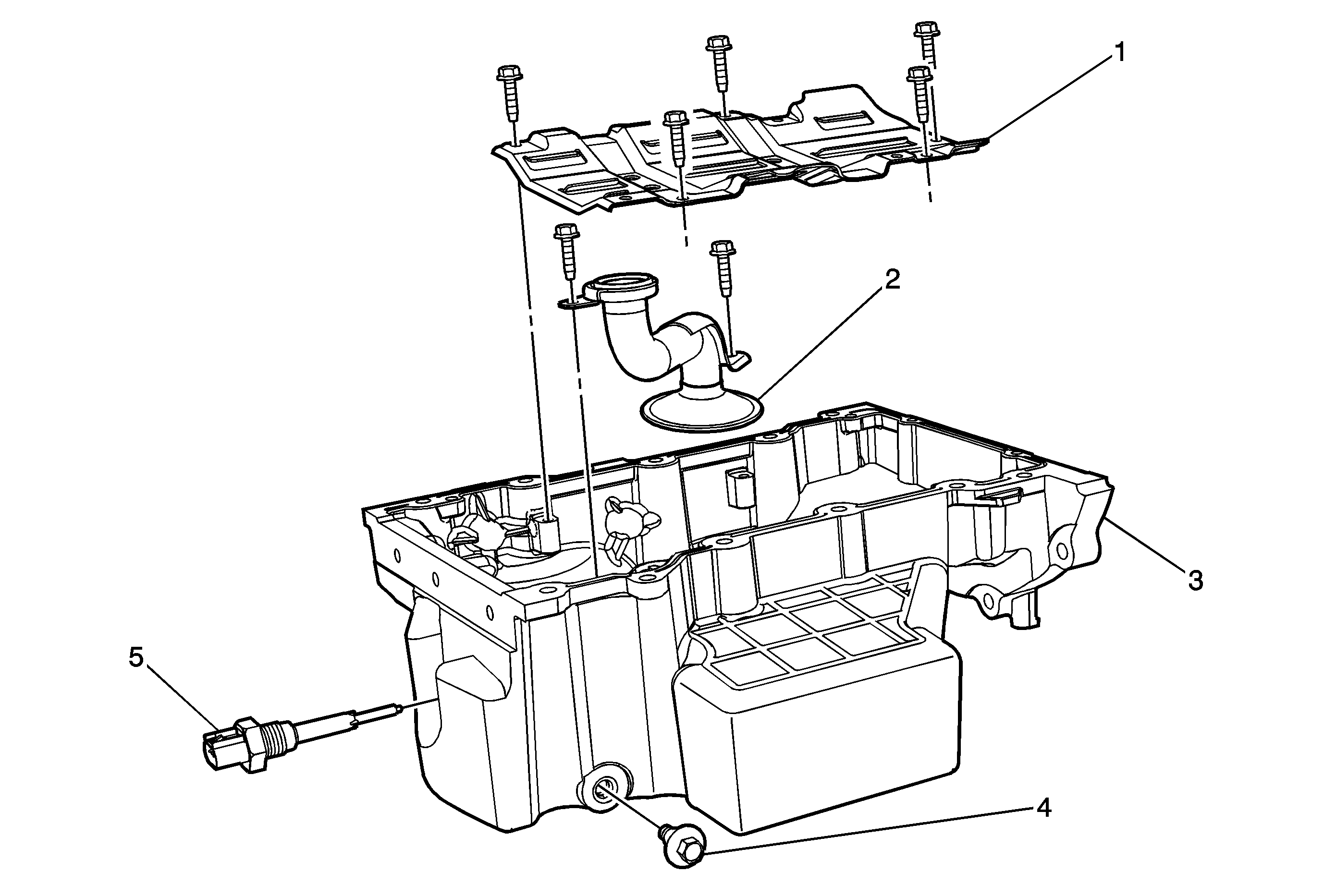
Oil Pan Assembly


Object Number: 1860930  Size: MF
(1)Oil Deflector
(2)Oil Pump Suction Pipe
(3)Oil Pan
(4)Oil Pan Drain Plug
(5)Engine Oil Level Sensor
Figure 9:

Air Intake System


Object Number: 1860931  Size: MF
(1)Air Cleaner Upper Housing
(2)Air Cleaner Element Seal
(3)Air Cleaner Element
(4)Air Cleaner Snorkel Assembly
(5)Lower Intake Air Duct
(6)Air Cleaner Resonator Duct Seal
(7)Air Cleaner Resonator Duct Assembly
(8)Air Cleaner Front Resonator
(9)Air Cleaner Resonator Seal
(10)Air Cleaner Rear Resonator
(11)Air Cleaner Lower Housing
(12)Mass Air Flow (MAF) Sensor Assembly
(13)Air Cleaner Outlet Elbow Hose
(14)Air Intake Duct
(15)PCV Hose
Figure 10:

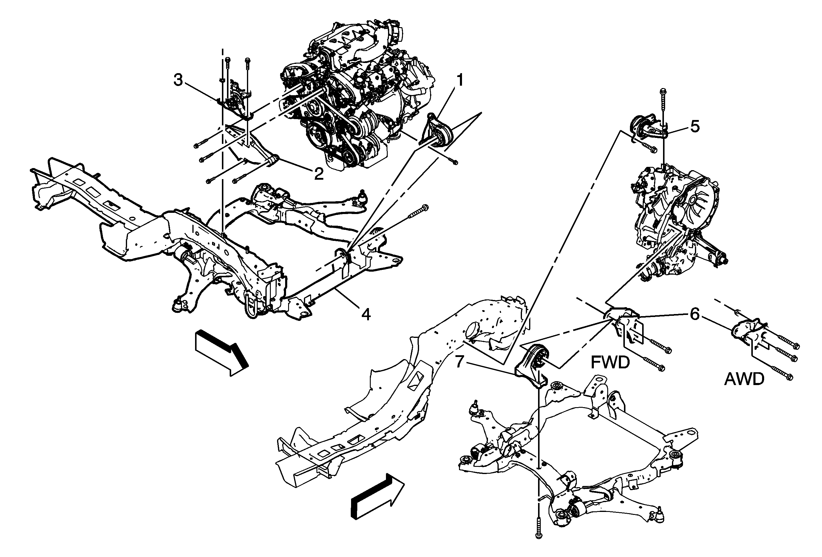
Engine Mount System


Object Number: 1860932  Size: MF
(1)Transaxle Front Mount Assembly
(2)Engine Mount Adapter Support Bracket
(3)Engine Mount Assembly
(4)Cradle Assembly
(5)Transaxle Mount Assembly
(6)Transaxle Rear Mount Bracket
(7)Transaxle Rear Mount