GM Service Manual Online
For 1990-2009 cars only
Makes
🢒
Opel
🢒
2009
🢒
Antara
🢒
Diagnostic Navigation
🢒
Vehicle Diagnostic Information
🢒 Automatic Transmission Controls Schematics
Figure
1:
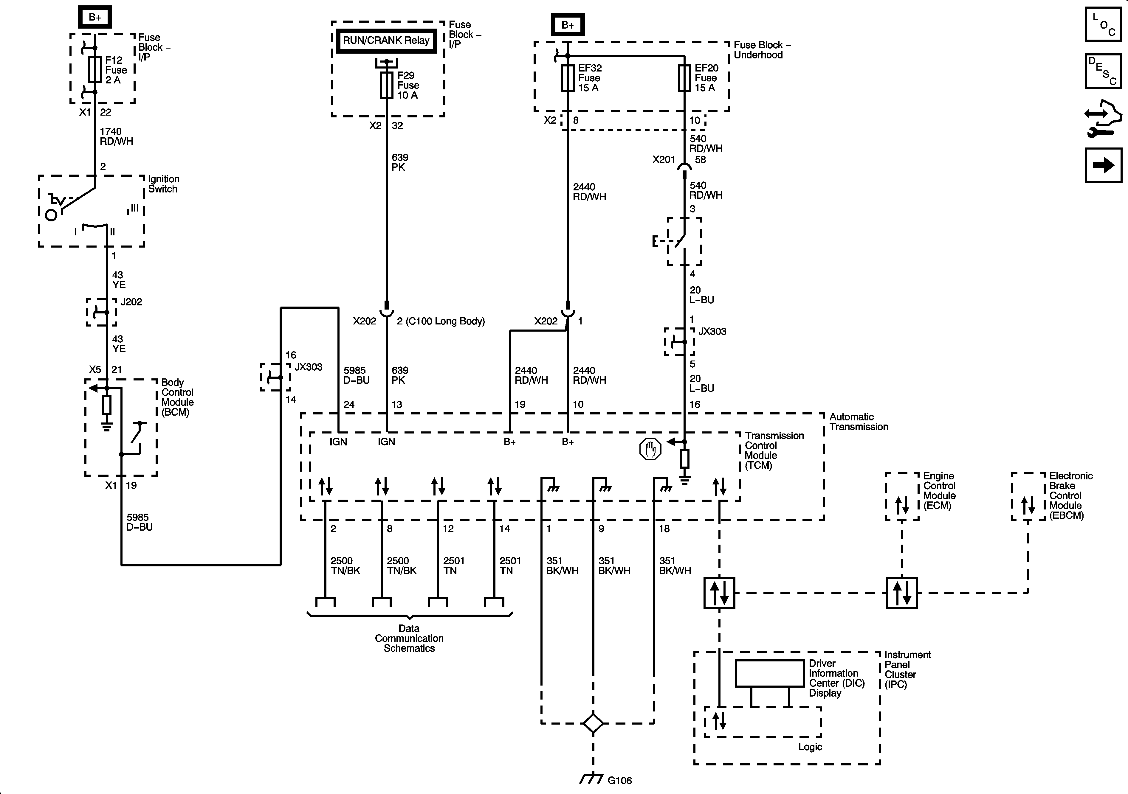
Power, Ground,Data Communication and Brake Applied Signal
Master Electrical Component List
Electronic Component Description
Pressure and Shift Control Solenoids
Figure
2:
Pressure and Shift Controls
Master Electrical Component List
Electronic Component Description
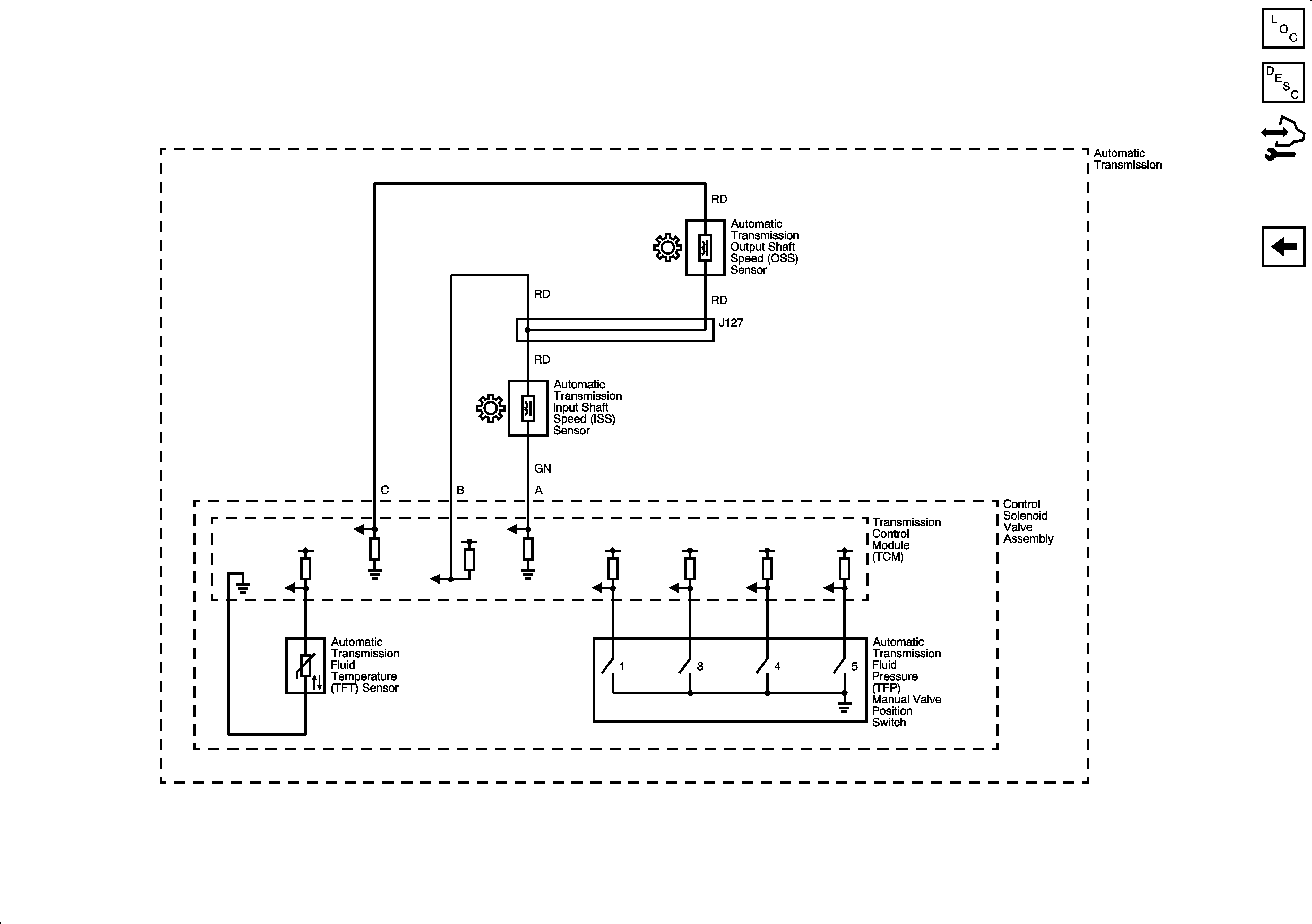
ISS, OSS, TFP and TFT Sensors
Module Power, Ground, Data Communications and Brake Applied Signal
Figure
3:
ISS, OSS, TFP and TFT Sensors
Master Electrical Component List
Electronic Component Description
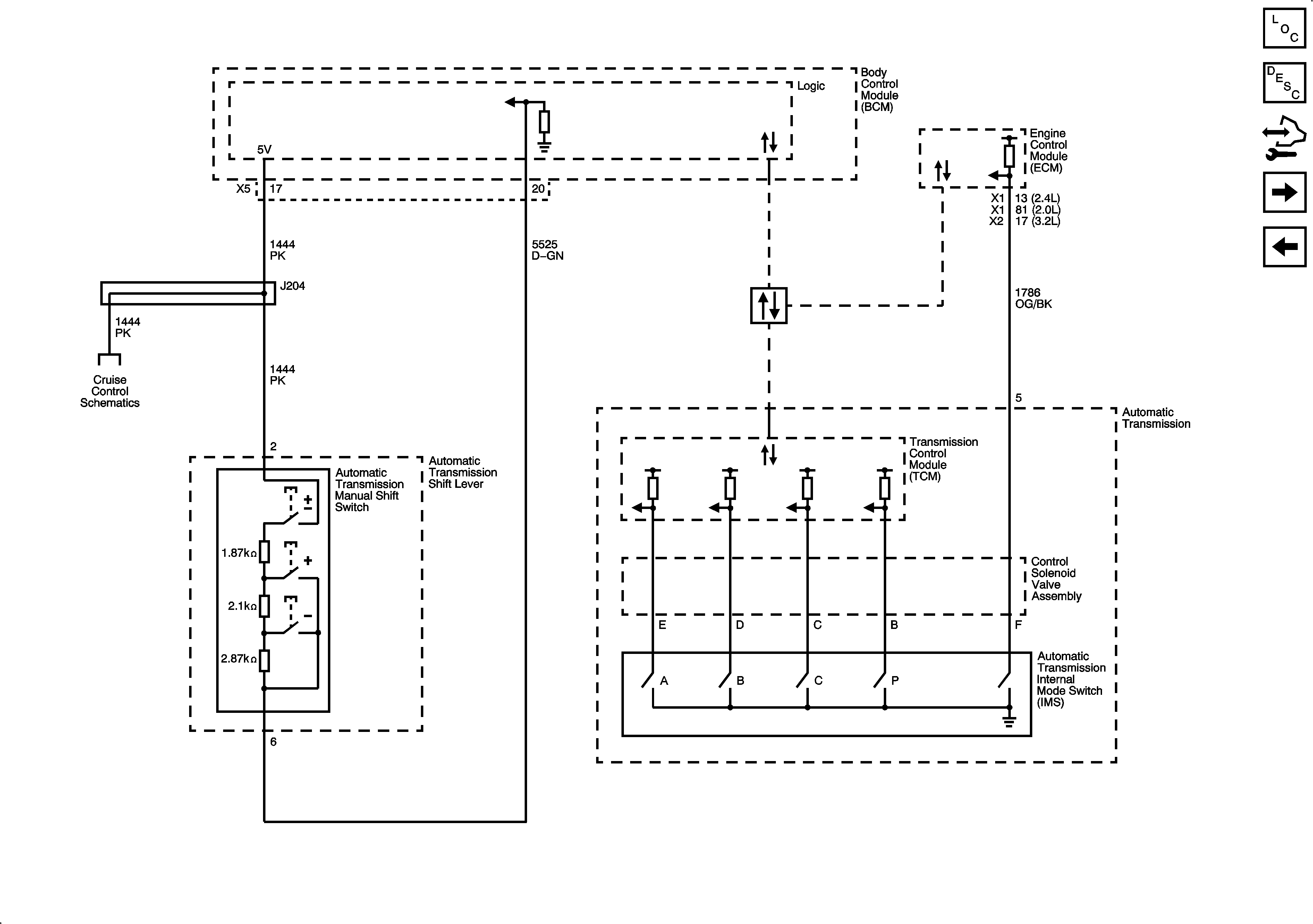
IMS and TapUp/TapDown
Pressure and Shift Control Solenoids
Figure
4:
Power, Ground, MIL, Communication
Master Electrical Component List
Electronic Component Description
ISS, OSS, TFP and TFT Sensors