GM Service Manual Online
For 1990-2009 cars only
Makes
🢒
Opel
🢒
2009
🢒
Antara
🢒
Diagnostic Navigation
🢒
Vehicle Diagnostic Information
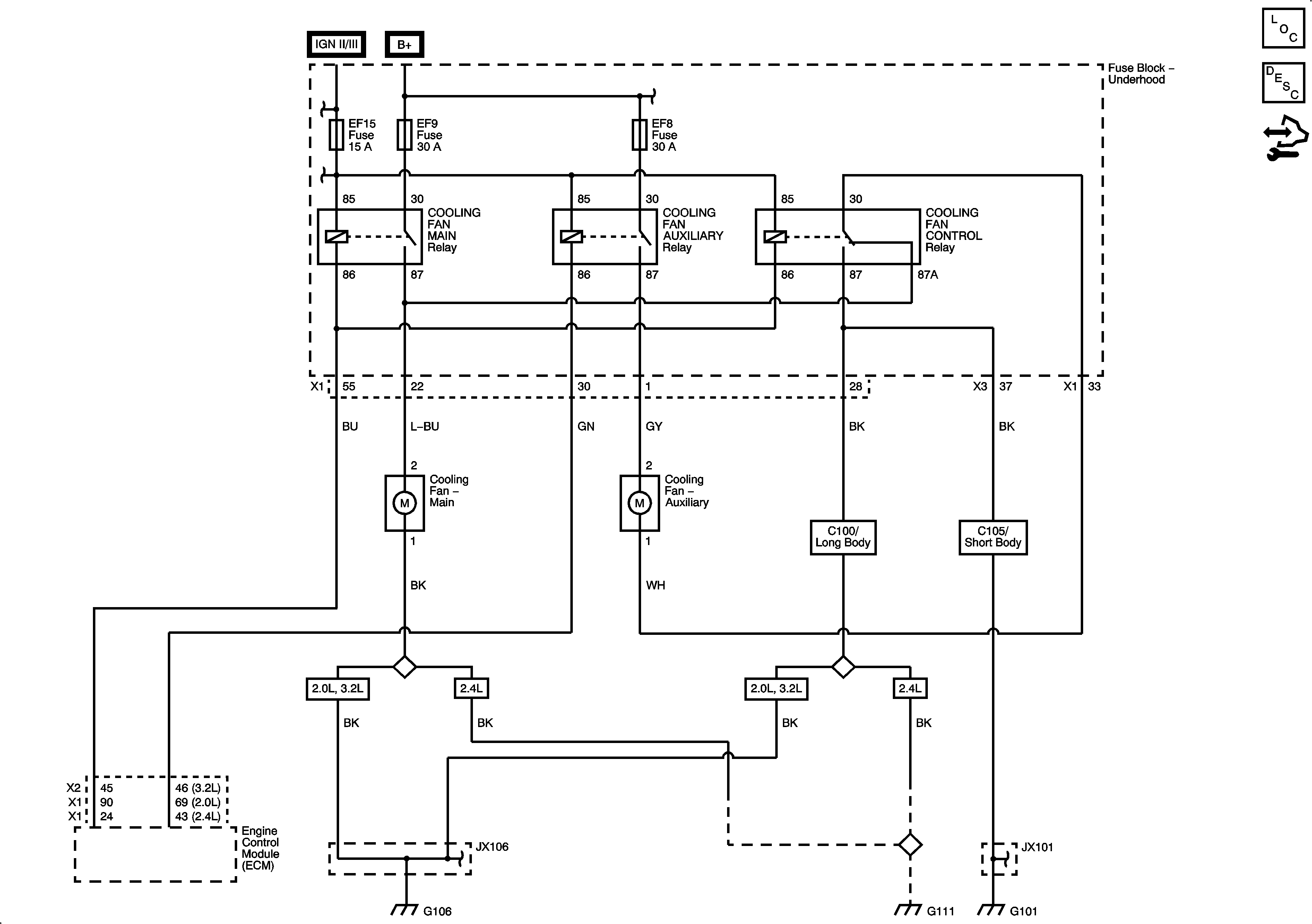
🢒 Engine Cooling Schematics
Engine Coolant Schematics
Master Electrical Component List
Control Module References
EF8, 9, 14 Fuses, A/C Compressor, Cooling Fan Relays
EF10, 11, 12, 13, 15 Fuses, Main Relay (2.0L)
EF10, 11, 12, 13, 15 Fuses, Main Relay (2.0L)
G106, G107, G109, G110 (3.2L)
G106 (2.0L Diesel)
G101, G103, G105
G108, G111 (2.4L)