GM Service Manual Online
For 1990-2009 cars only
Makes
🢒
Opel
🢒
2009
🢒
Antara
🢒
Body Systems
🢒
Fixed and Moveable Windows
🢒 Moveable Window Schematics
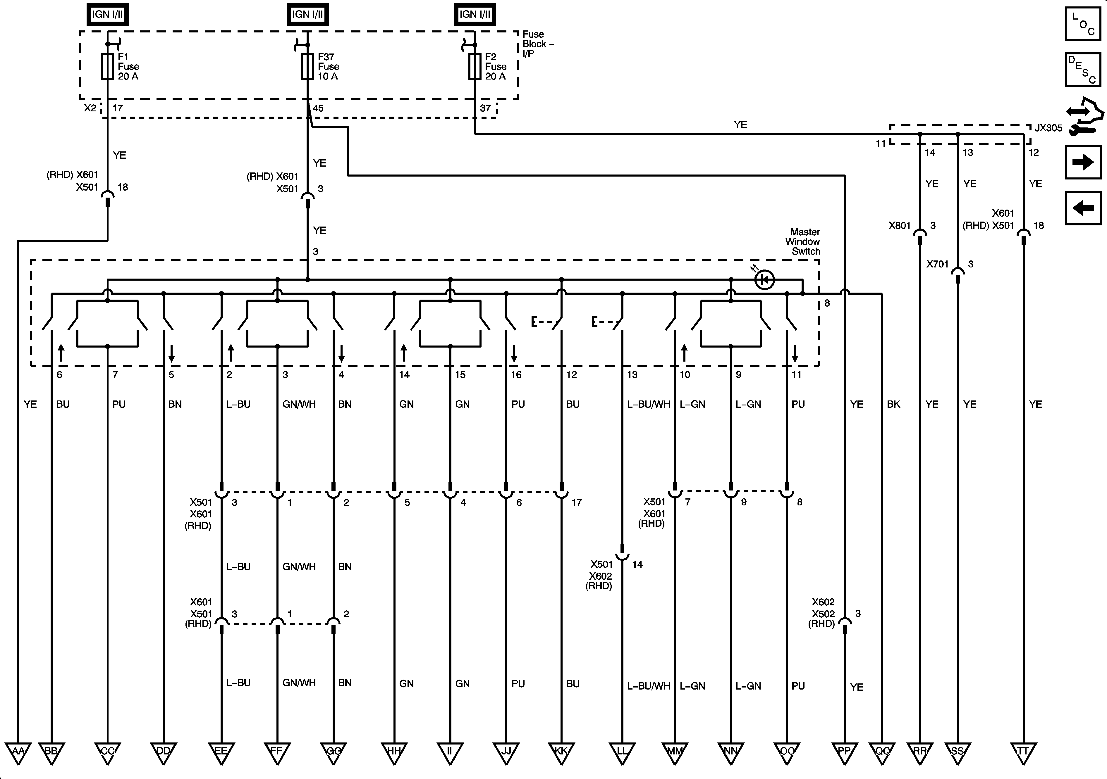
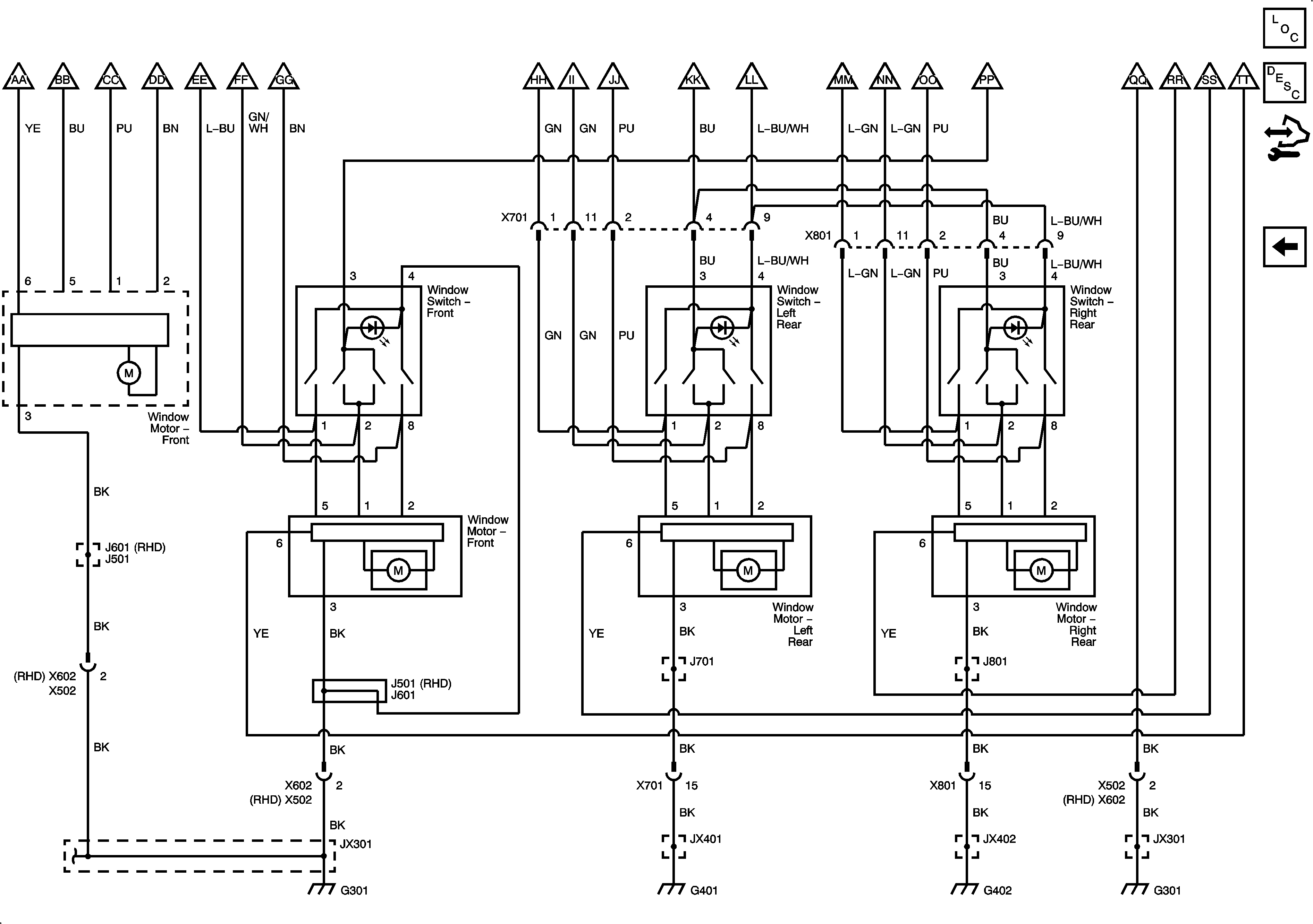
Moveable Window Schematics C100/Long Body
Master Electrical Component List
Power Windows Description and Operation
Control Module References
EF3, F1, 2, 10, 15, 18, 33, 37, 39 Fuses, Run, ACC/RAP Relays
EF3, F1, 2, 10, 15, 18, 33, 37, 39 Fuses, Run, ACC/RAP Relays
Liftgate Schematics
G301 (1 of 3)
G401 (2 of 2)
G402
G301 (1 of 3)
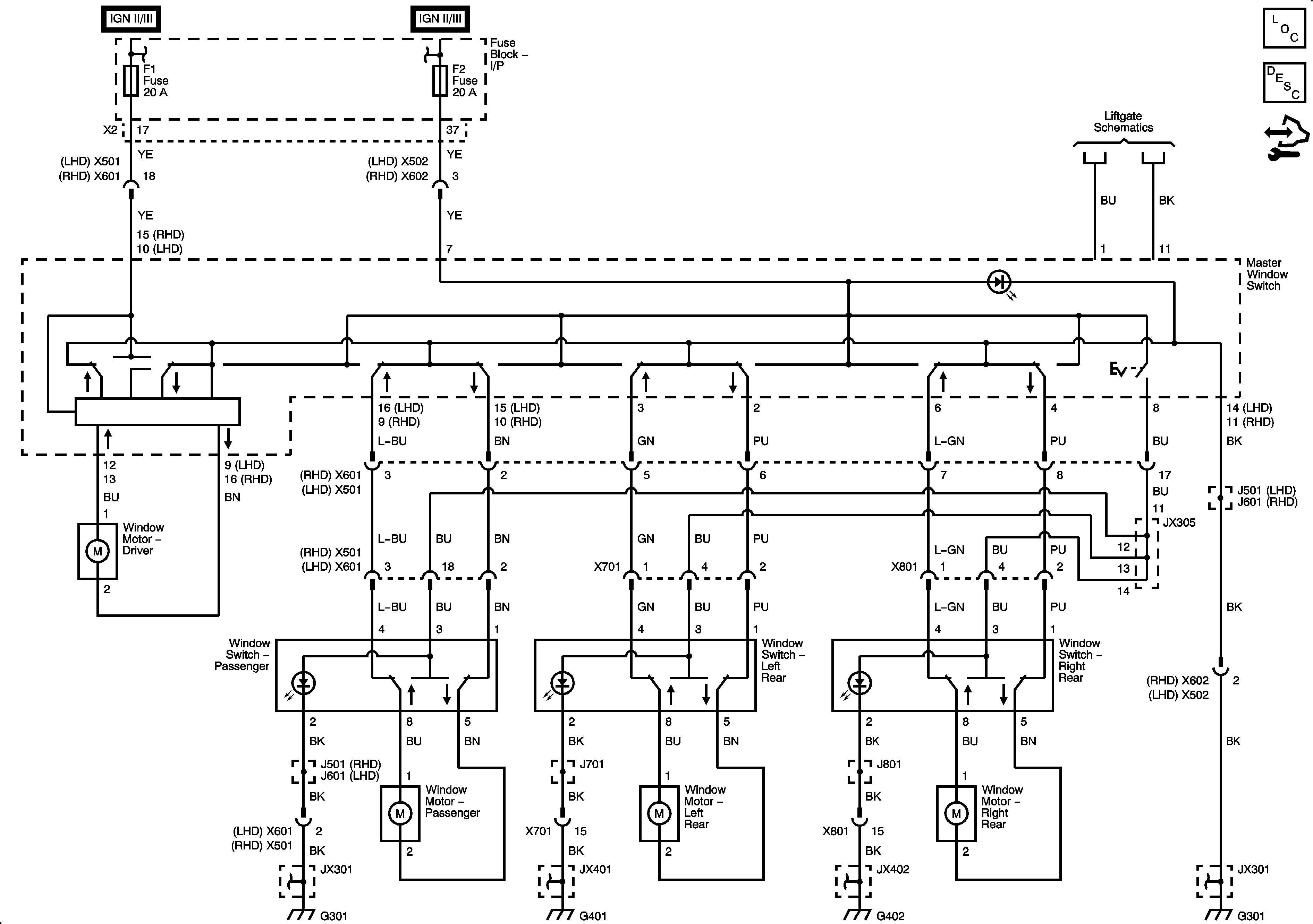
Moveable Window Schematics C105/Short Body
Figure
1:
Express Up/Down - Driver Only
Master Electrical Component List
Power Windows Description and Operation
Control Module References
Express Up/Down - All Windows (1 of 2)
EF3, F1, 2, 10, 15, 18, 33, 37, 39 Fuses, Run, ACC/RAP Relays
G301 (1 of 3)
G401 (2 of 2)
G402
G301 (1 of 3)
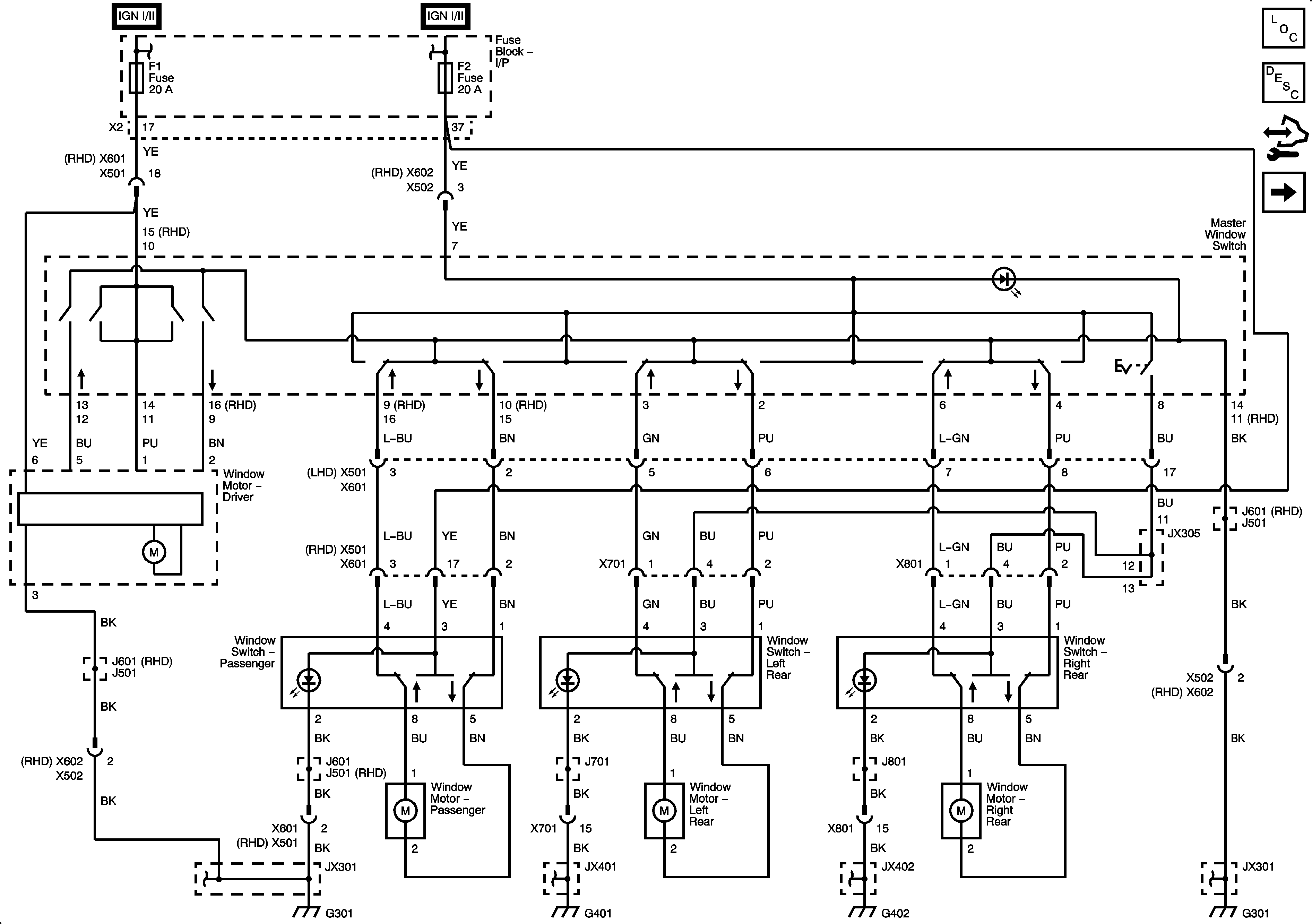
Figure
2:
Express Up/Down - All Windows (1 of 2)
Master Electrical Component List
Power Windows Description and Operation
Control Module References
Express Up/Down All Windows (2 of 2)
Moveable Window Schematics
EF3, F1, 2, 10, 15, 18, 33, 37, 39 Fuses, Run, ACC/RAP Relays
EF3, F1, 2, 10, 15, 18, 33, 37, 39 Fuses, Run, ACC/RAP Relays
EF3, F1, 2, 10, 15, 18, 33, 37, 39 Fuses, Run, ACC/RAP Relays
Figure
3:
Express Up/Down - All Windows (2 of 2)
Master Electrical Component List
Power Windows Description and Operation
Control Module References
Express Up/Down - All Windows (1 of 2)
G301 (1 of 3)
G401 (2 of 2)
G402
G301 (1 of 3)