GM Service Manual Online
For 1990-2009 cars only

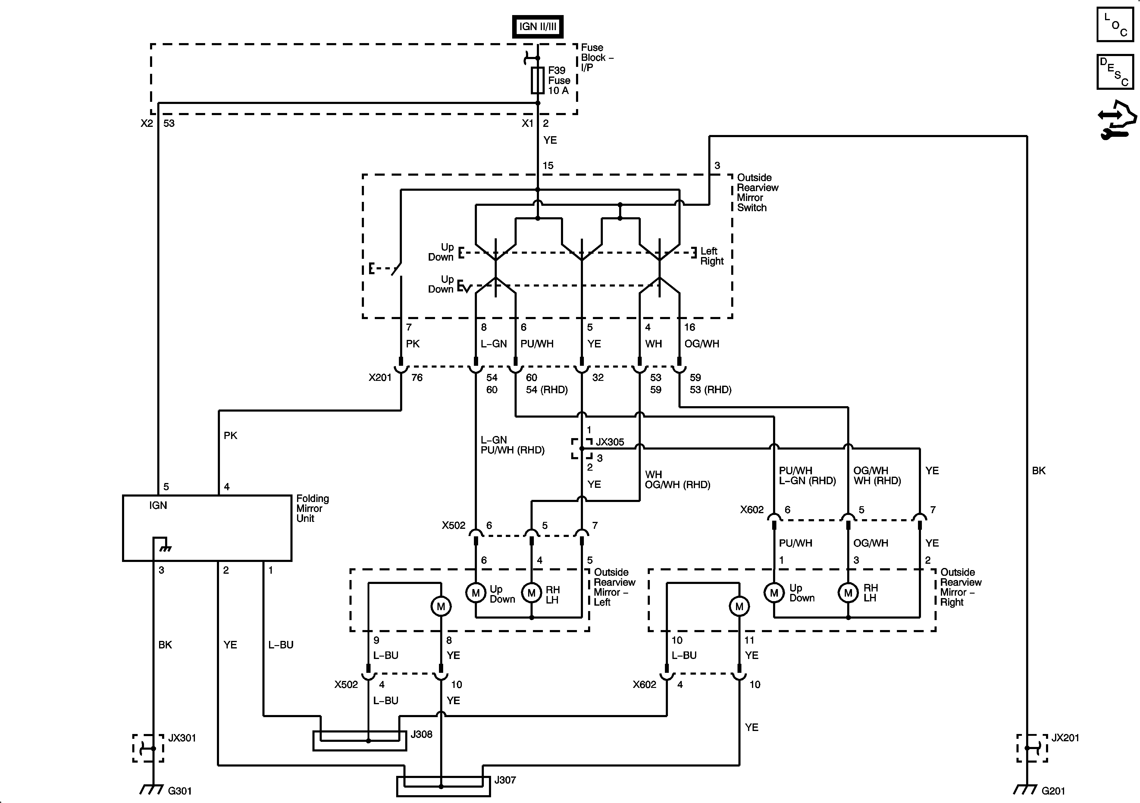
Outside Rearview Mirror Schematics C100/Long Body


Object Number: 1956622  Size: FS
Master Electrical Component List
Control Module References
EF3, F1, 2, 10, 15, 18, 33, 37, 39 Fuses, Run, ACC/RAP Relays
G301 (1 of 3)
G201 (1 of 2)

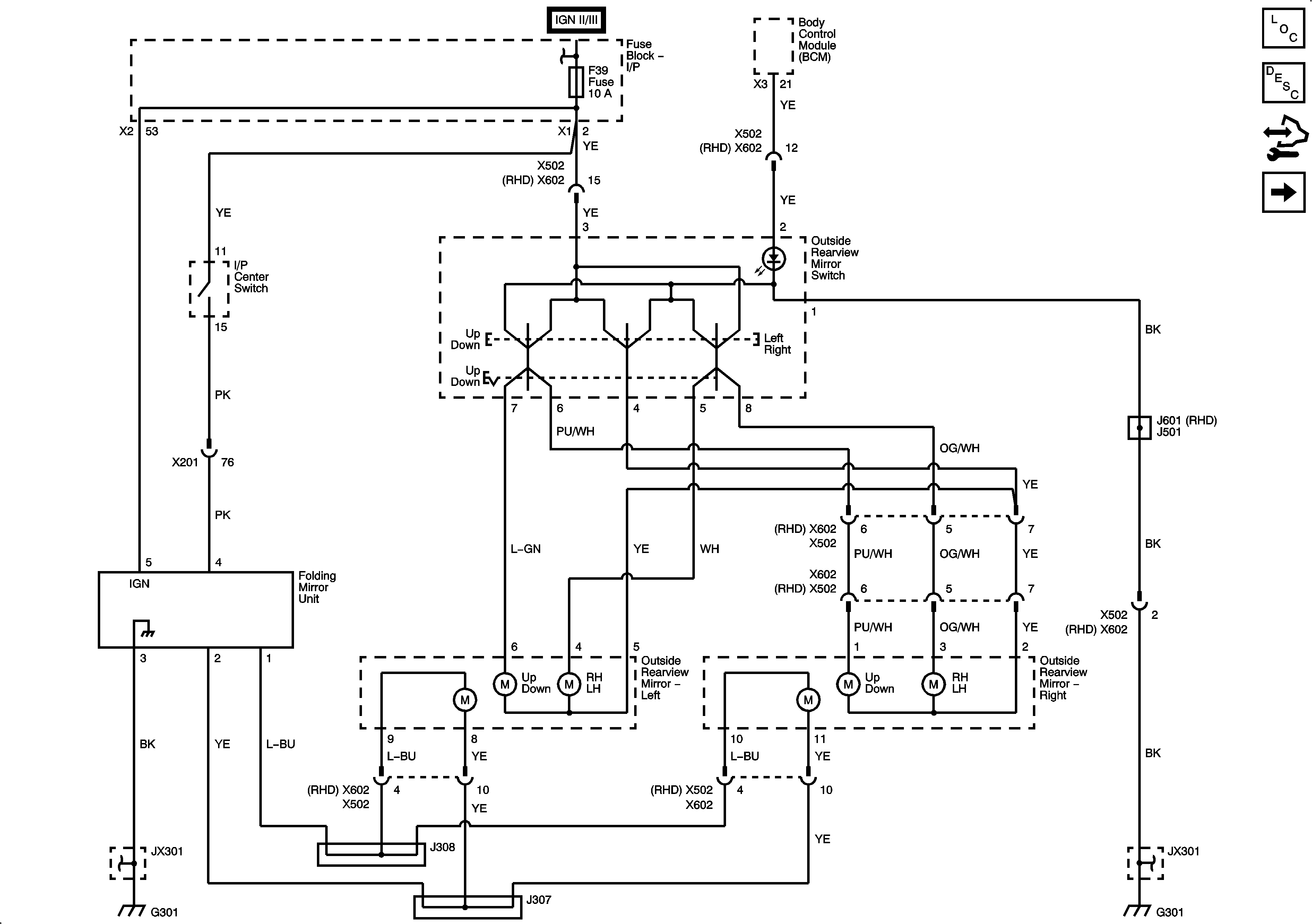
Outside Rearview Mirror Schematics C105/Short Body

Figure 1:

1 of 2


Object Number: 1956624  Size: FS
Master Electrical Component List
Control Module References
Outside Rearview Mirror (2 of 2)
EF3, F1, 2, 10, 15, 18, 33, 37, 39 Fuses, Run, ACC/RAP Relays
G301 (1 of 3)
G301 (1 of 3)
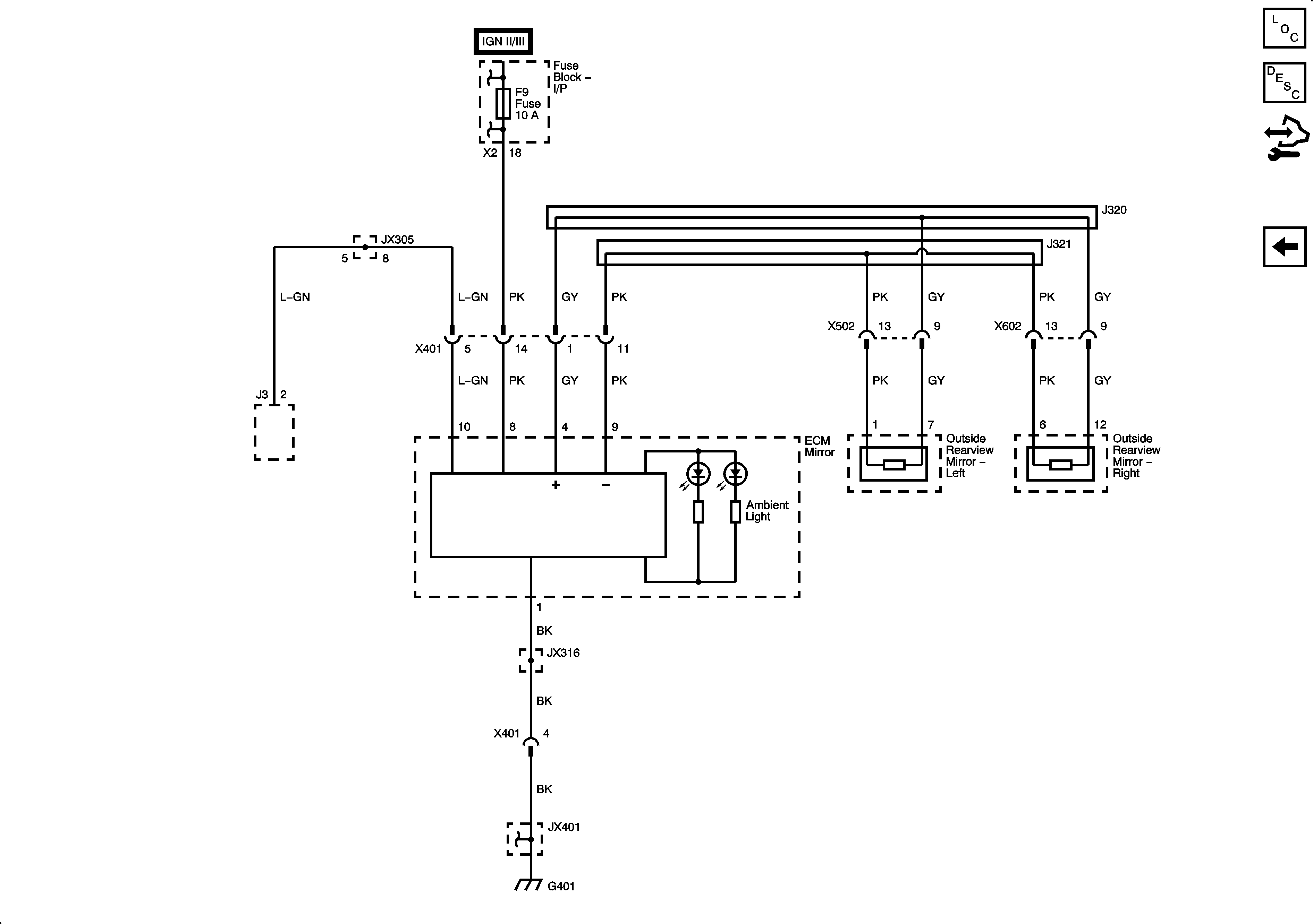
Figure 2:

2 of 2


Object Number: 1956625  Size: FS
Master Electrical Component List
Control Module References
Outside Rearview Mirrors (1 of 2)
EF7, F6, 8, 9, 13, 17, 20, 25, 27, 29 Fuses, Run/Crank, Rear Fog Lamps, Outside Rearview Mirror, liftgate Glass Relays
EF7, F6, 8, 9, 13, 17, 20, 25, 27, 29 Fuses, Run/Crank, Rear Fog Lamps, Outside Rearview Mirror, liftgate Glass Relays
G401 (2 of 2)