GM Service Manual Online
For 1990-2009 cars only
Figure 1:

Power, Ground, Gages


Object Number: 1956756  Size: FS
Master Electrical Component List
Instrument Cluster Description and Operation
Control Module References
Indicators
F3, 5, 28, 32, 34 Fuses
EF7, F6, 8, 9, 13, 17, 20, 25, 27, 29 Fuses, Run/Crank, Rear Fog Lamps, Outside Rearview Mirror, liftgate Glass Relays
EF7, F6, 8, 9, 13, 17, 20, 25, 27, 29 Fuses, Run/Crank, Rear Fog Lamps, Outside Rearview Mirror, liftgate Glass Relays
G201 (1 of 2)
Figure 2:

Indicators, OAT/AQS Sensor


Object Number: 1956760  Size: FS
Master Electrical Component List
Instrument Cluster Description and Operation
Control Module References
Indicators
Power, Ground, Gages
Figure 3:

Indicators


Object Number: 1956762  Size: FS
Master Electrical Component List
Instrument Cluster Description and Operation
Control Module References
Indicators, OAT/AQS Sensor
Power, Ground, Gages
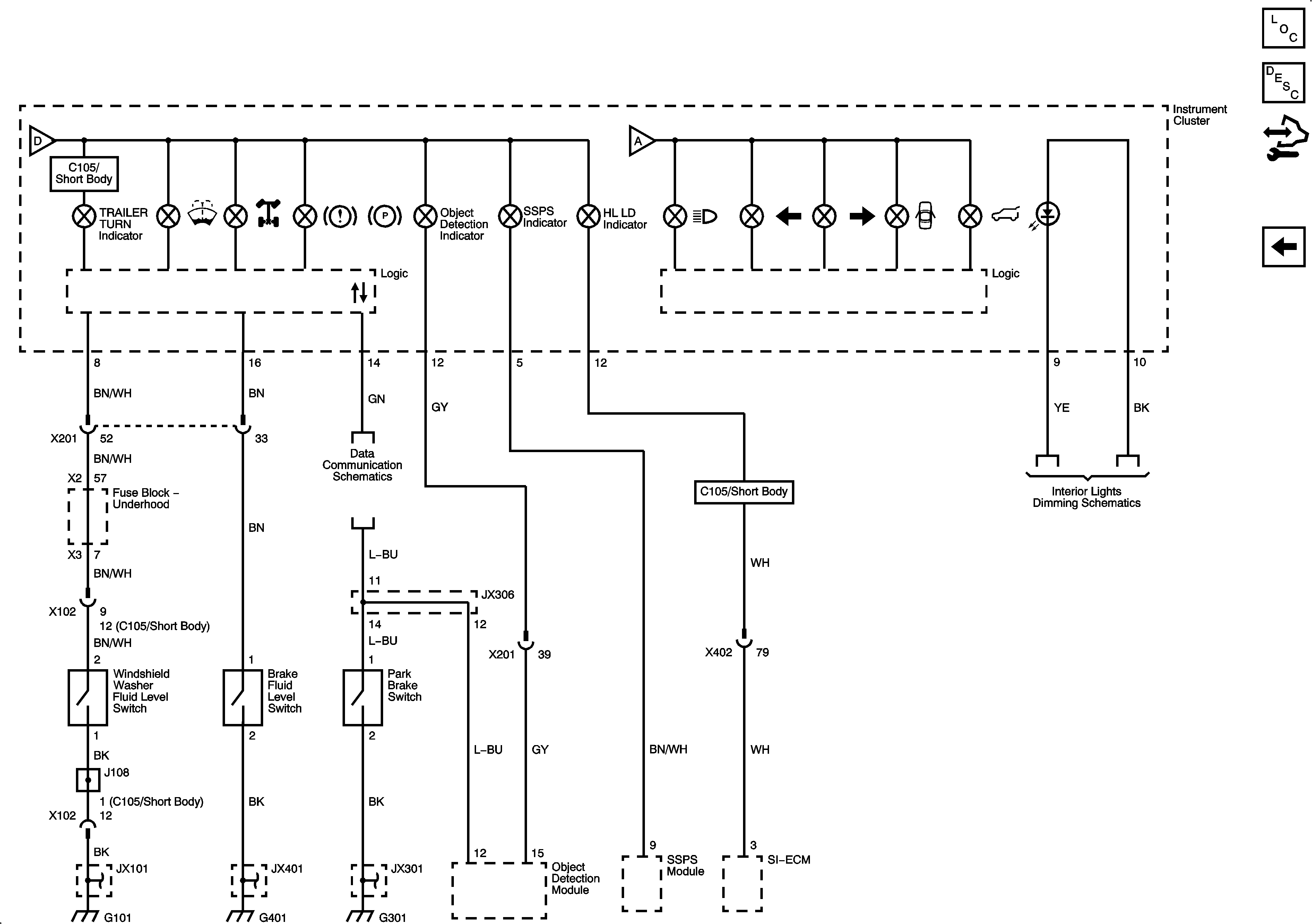
Figure 4:

Indicators, Data Communication


Object Number: 1956765  Size: FS
Master Electrical Component List
Instrument Cluster Description and Operation
Control Module References
Indicators
Data Link Connector (DLC)
Interior Lights - Dimming
G101, G103, G105
G401 (2 of 2)
G301 (1 of 3)