GM Service Manual Online
For 1990-2009 cars only
Makes
🢒
Opel
🢒
2009
🢒
Antara
🢒
Brakes
🢒
Antilock Brake System
🢒 Antilock Brake System Schematics
Figure
1:
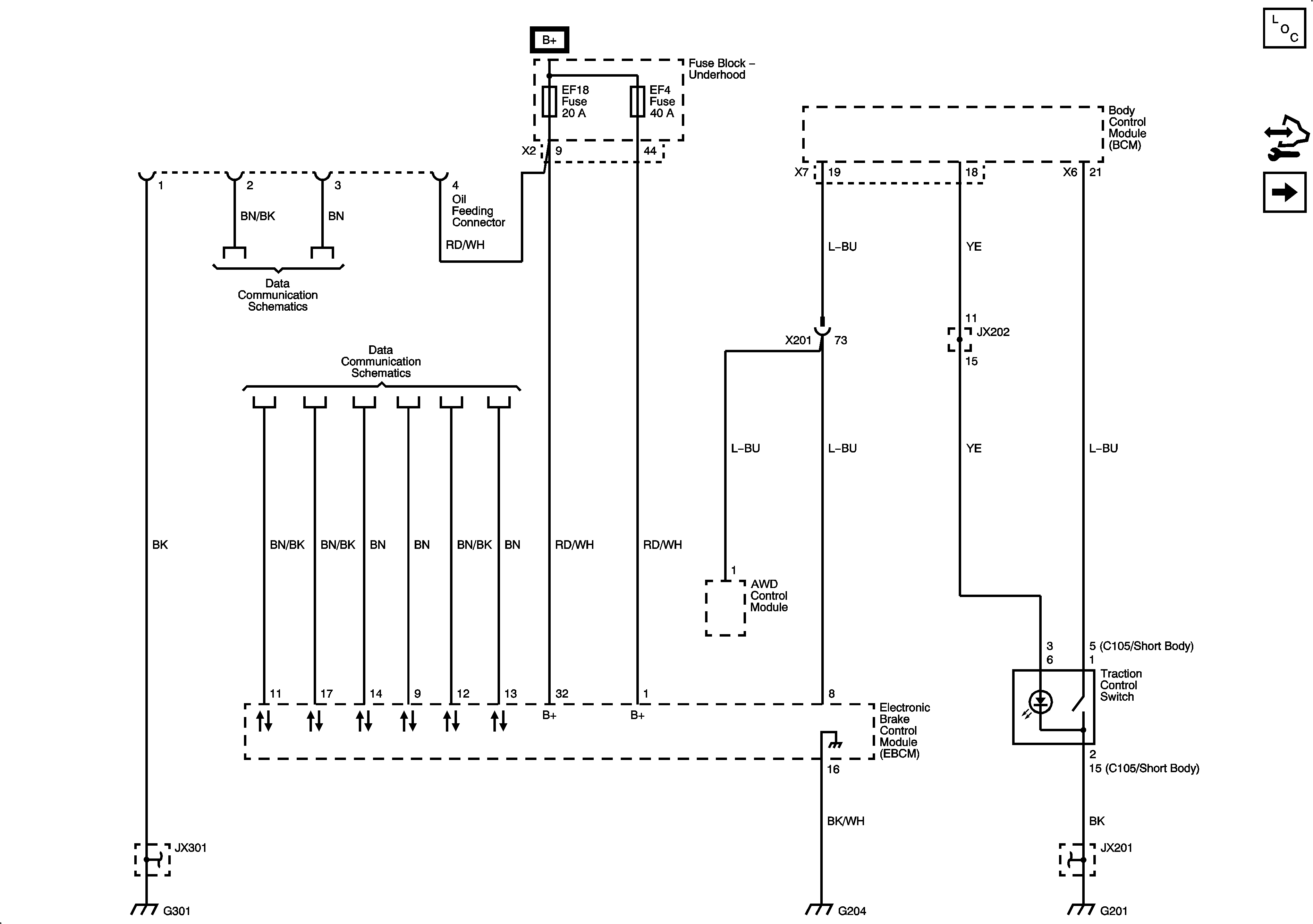
Power, Ground, ESC, and Oil Feed Connector
Master Electrical Component List
Control Module References
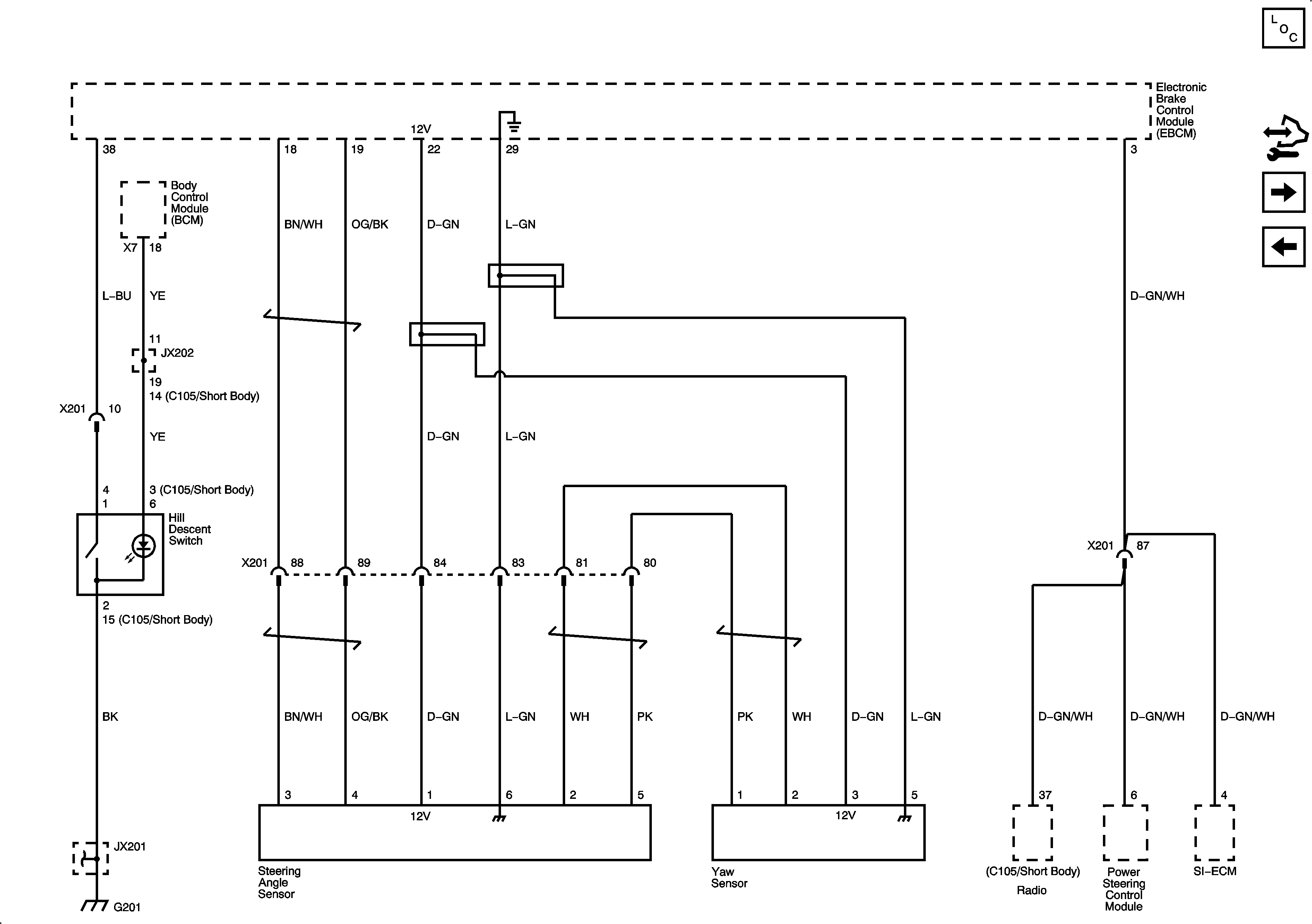
Hill Descent, SSPS, Steering Angle and Yaw Sensor
Data Link Connector (DLC)
Data Link Connector (DLC)
G301 (1 of 3)
G201 (2 of 2)
Figure
2:
Hill Descent, SSPS, Steering Angle and Yaw Sensor
Master Electrical Component List
Control Module References
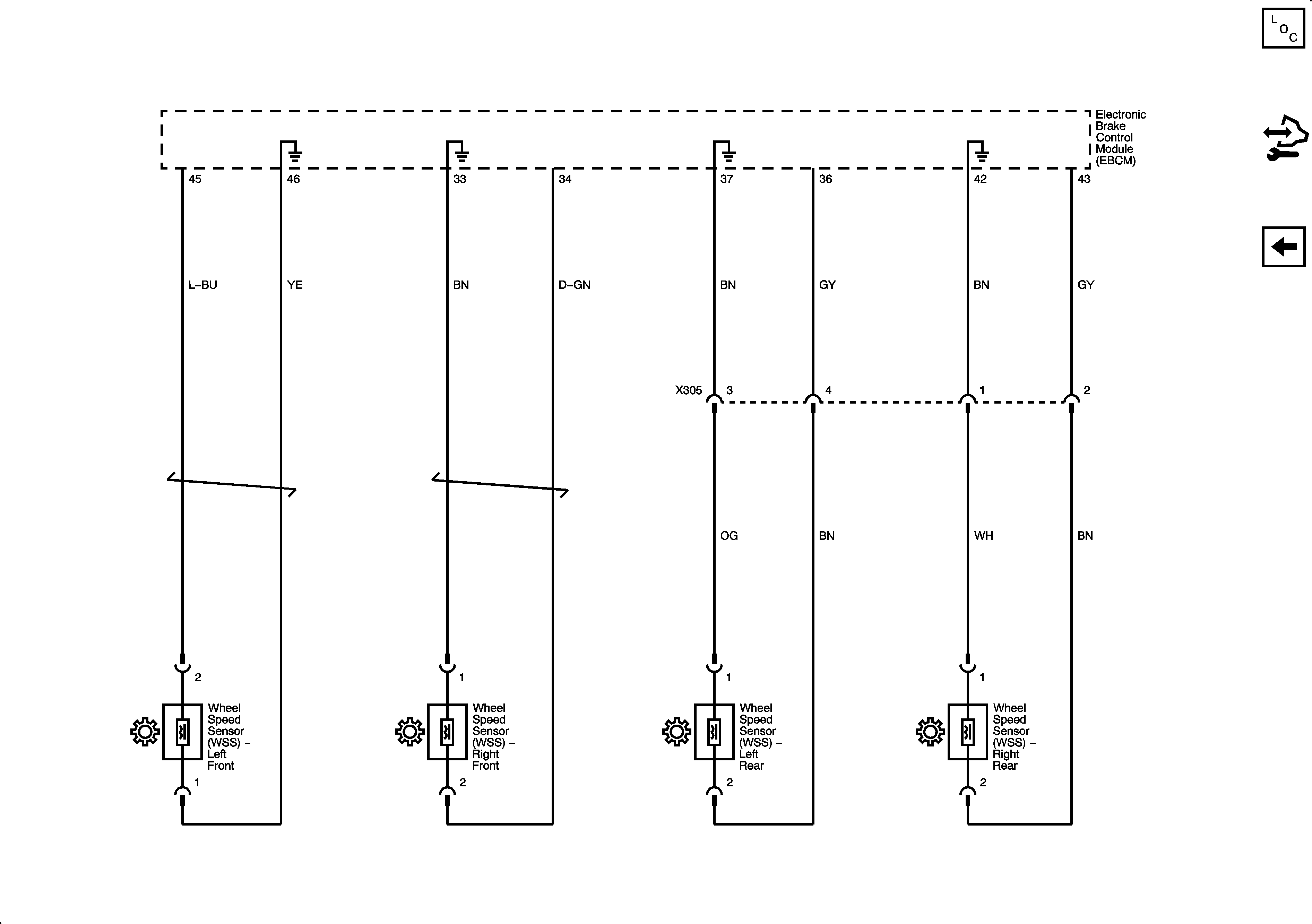
Wheel Speed Sensors
Power, Ground, ESC and Oil Feed Connector
G201 (2 of 2)
Figure
3:
Wheel Speed Sensors
Master Electrical Component List
Control Module References
Hill Descent, SSPS, Steering Angle and Yaw Sensor