GM Service Manual Online
For 1990-2009 cars only
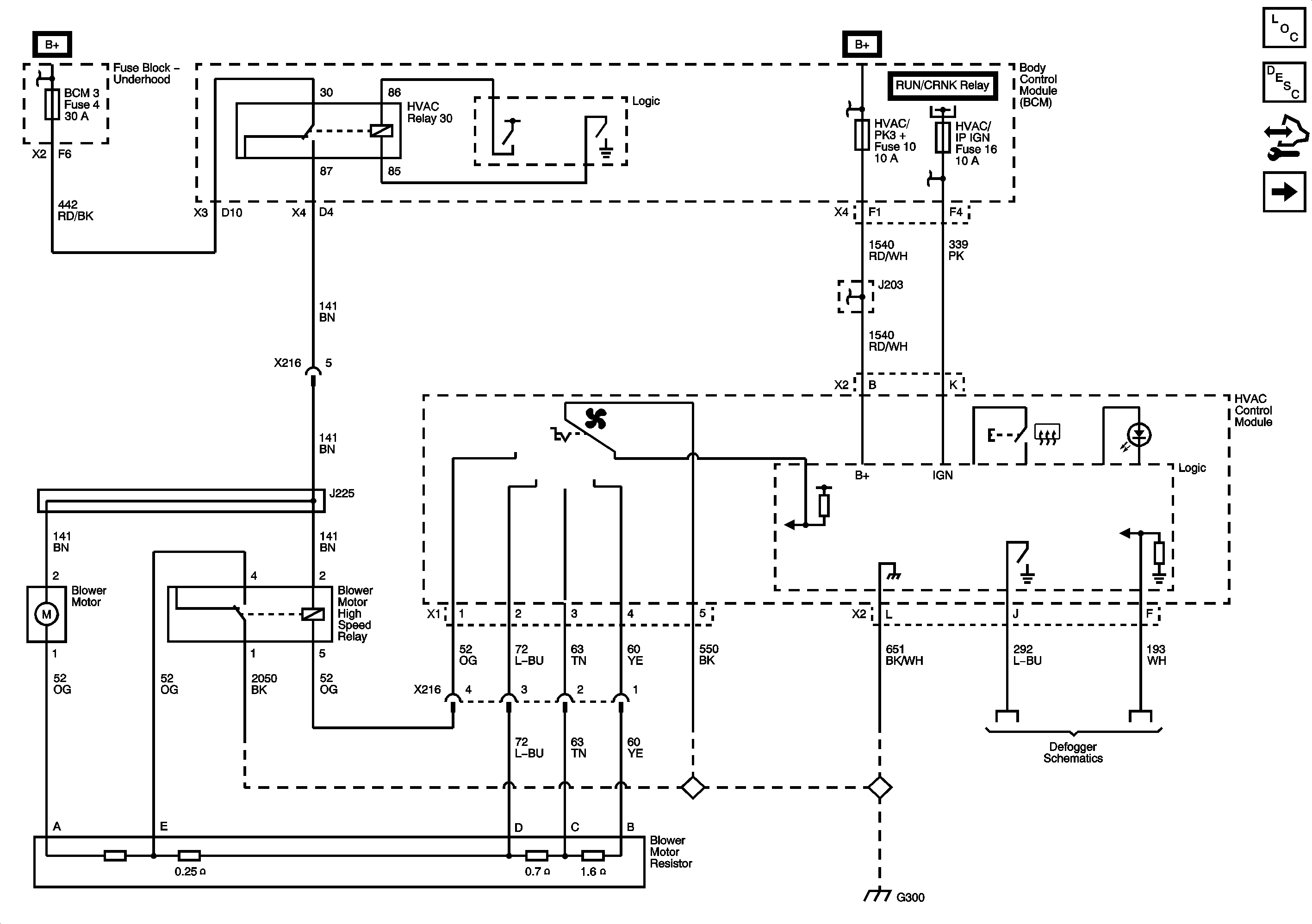
Figure 1:

Ground, Power, and Blower Controls


Object Number: 1910076  Size: FS
Master Electrical Component List
Air Delivery Description and Operation
Control Module References
Mode and Air Temerature Controls
BCM 2, BCM 3, AMP, CLSTR, HVAC/PK3+, and IGN SW/PK3+ Fuses
ECM/TRANS, I/P/ IGN, OUTLET/LTR, AIRBAG, EPS/STR WHL CNTRL, HVAC/IP IGN, WPR, CAN VENT, BCK/UP LAMP, and ABS Fuses
BCM 2, BCM 3, AMP, CLSTR, HVAC/PK3+, and IGN SW/PK3+ Fuses
ECM/TRANS, I/P/ IGN, OUTLET/LTR, AIRBAG, EPS/STR WHL CNTRL, HVAC/IP IGN, WPR, CAN VENT, BCK/UP LAMP, and ABS Fuses
Defogger Schematics
G300 - 1 of 2
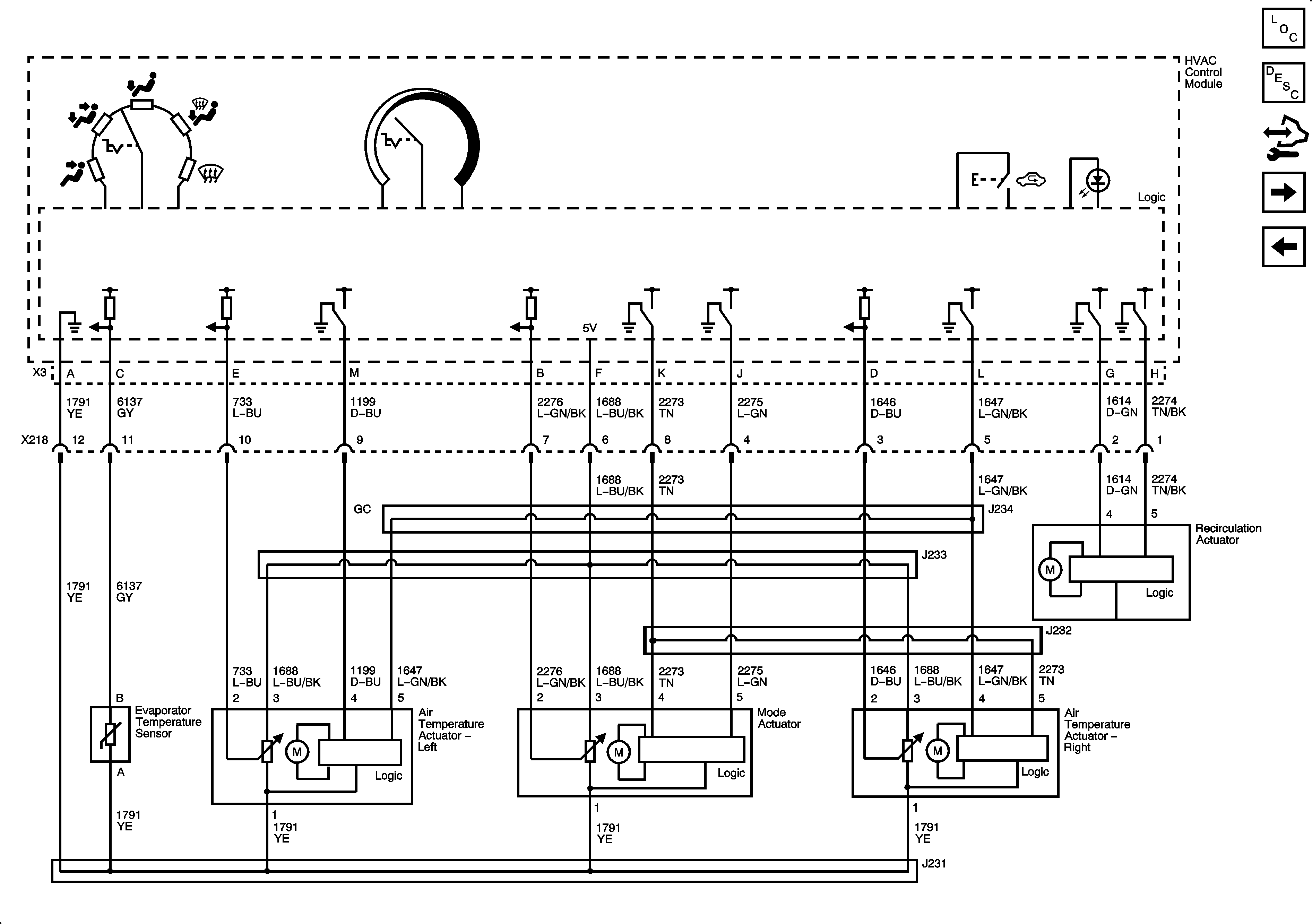
Figure 2:

Mode and Air Temperature Controls


Object Number: 1910070  Size: FS
Master Electrical Component List
Air Delivery Description and Operation
Control Module References
Compressor Controls
08 Opel GT HVAC Schematics - Power, Ground, and Blower Motor
Figure 3:

Compressor Controls


Object Number: 1910074  Size: FS
Master Electrical Component List
Air Temperature Description and Operation
Control Module References
Mode and Air Temerature Controls
DLC, ECM, EXH, INJ IGN MDL, and TURBO Fuses
B+ Bar - 2 of 2
G101 and G102
Ignition Controls - Sensors
Data Communication Schematics