GM Service Manual Online
For 1990-2009 cars only
Makes
🢒
Opel
🢒
2008
🢒
GT
🢒
Diagnostic Navigation
🢒
Vehicle Diagnostic Information
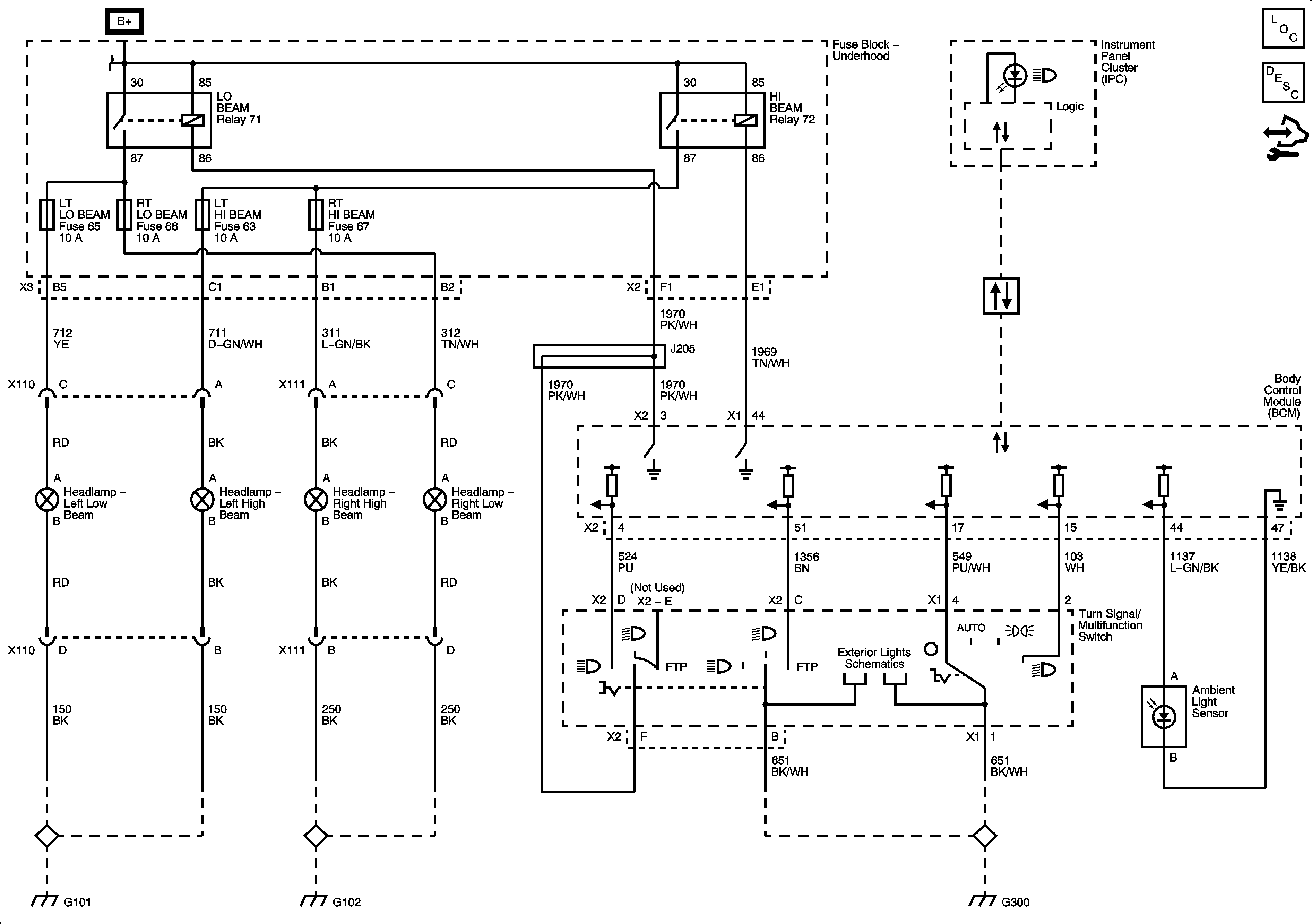
🢒 Headlights/Daytime Running Lights (DRL) Schematics
Master Electrical Component List
Exterior Lighting Systems Description and Operation
Control Module References
LT LO BEAM, RT LO BEAM, LT HI BEAM, RT HI BEAM Fuses
LT LO BEAM, RT LO BEAM, LT HI BEAM, RT HI BEAM Fuses
LT LO BEAM, RT LO BEAM, LT HI BEAM, RT HI BEAM Fuses
LT LO BEAM, RT LO BEAM, LT HI BEAM, RT HI BEAM Fuses
Data Communication Schematics
G101 and G102
G101 and G102
G300 - 1 of 2