GM Service Manual Online
For 1990-2009 cars only
Makes
🢒
Opel
🢒
2008
🢒
GT
🢒
Body Systems
🢒
Vehicle Access
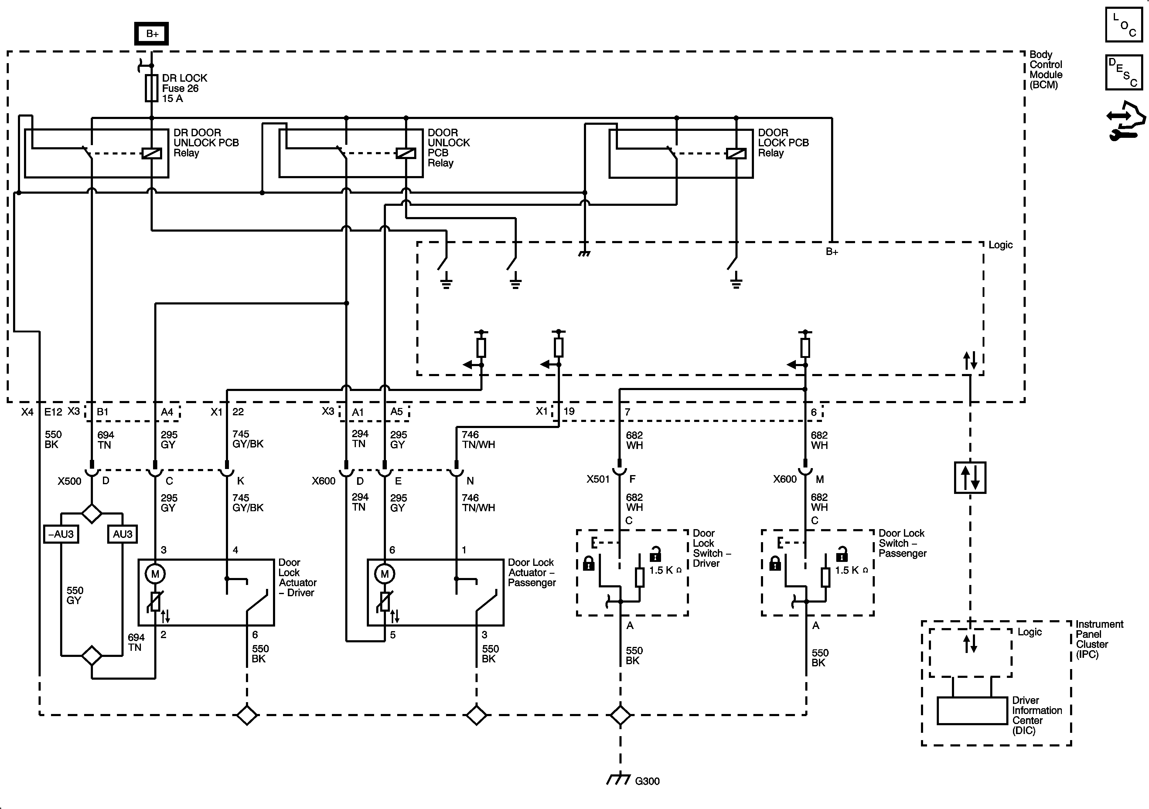
🢒 Door Lock/Indicator Schematics
Master Electrical Component List
Power Door Locks Description and Operation
Control Module References
BCM, DR LCK, ECM/TCM. INT LIGHT, PWR WNDW, RDO and SDM Fuses
Data Communication Schematics
G300 - 2 of 2