GM Service Manual Online
For 1990-2009 cars only
Makes
🢒
Opel
🢒
2008
🢒
GT
🢒
Body Systems
🢒
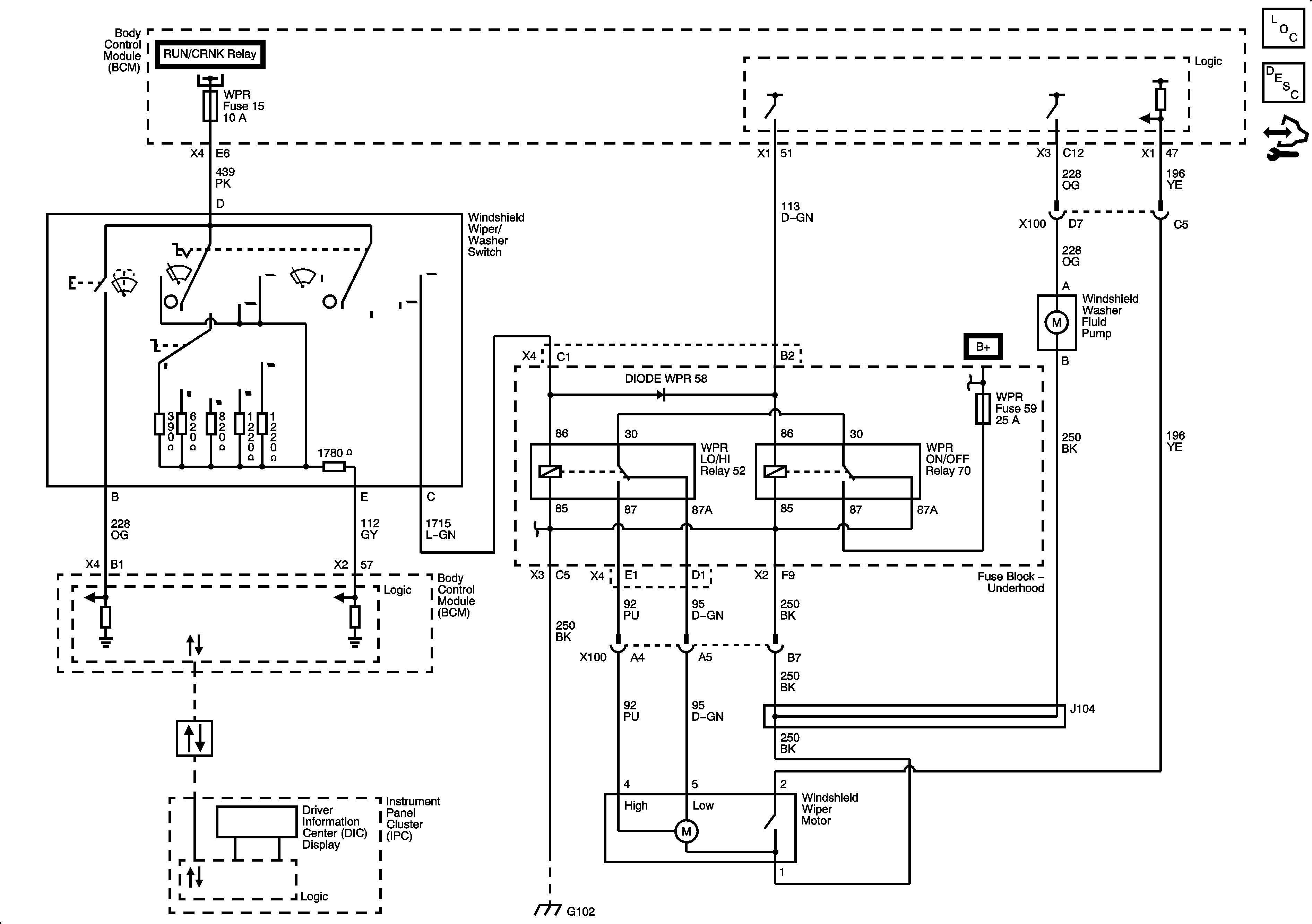
Wipers and Washers
🢒 Wiper/Washer Schematics
Master Electrical Component List
Luggage Compartment Description and Operation
Control Module References
ECM/TRANS, I/P/ IGN, OUTLET/LTR, AIRBAG, EPS/STR WHL CNTRL, HVAC/IP IGN, WPR, CAN VENT, BCK/UP LAMP, and ABS Fuses
ECM/TRANS, I/P/ IGN, OUTLET/LTR, AIRBAG, EPS/STR WHL CNTRL, HVAC/IP IGN, WPR, CAN VENT, BCK/UP LAMP, and ABS Fuses
B+ Bar - 1 of 2
G101 and G102