GM Service Manual Online
For 1990-2009 cars only
Makes
🢒
Opel
🢒
2008
🢒
GT
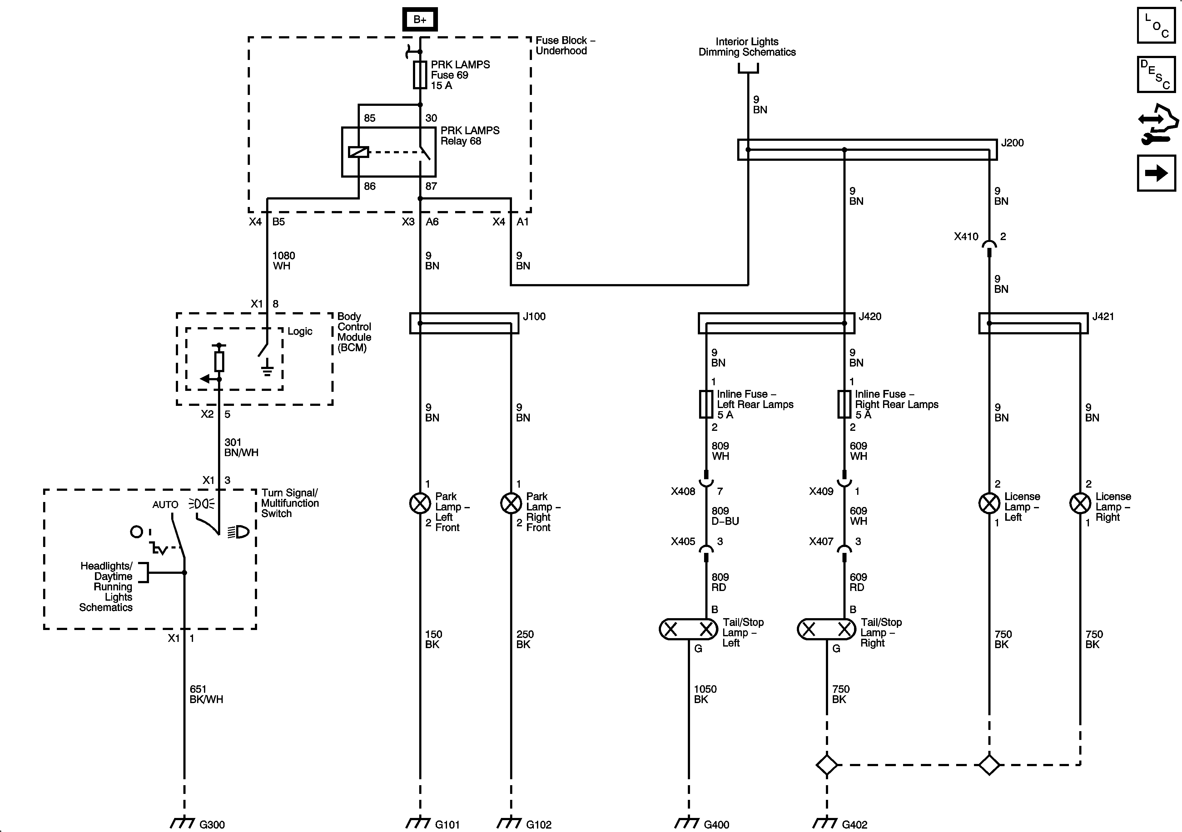
🢒 Park Lamps
Park Lamps
Park Lamps
Master Electrical Component List
Exterior Lighting Systems Description and Operation
Control Module References
Backup Lamp and Stop Lamps
Dimmer Switch
B+ Bar - 2 of 2
Headlights/Daytime Running Lights (DRL) Schematics
G300 - 1 of 2
G101 and G102
G101 and G102
G301, G302, G303, G400, G402
G301, G302, G303, G400, G402