GM Service Manual Online
For 1990-2009 cars only
Makes
🢒
Opel
🢒
2008
🢒
GT
🢒 Release Systems Schematics
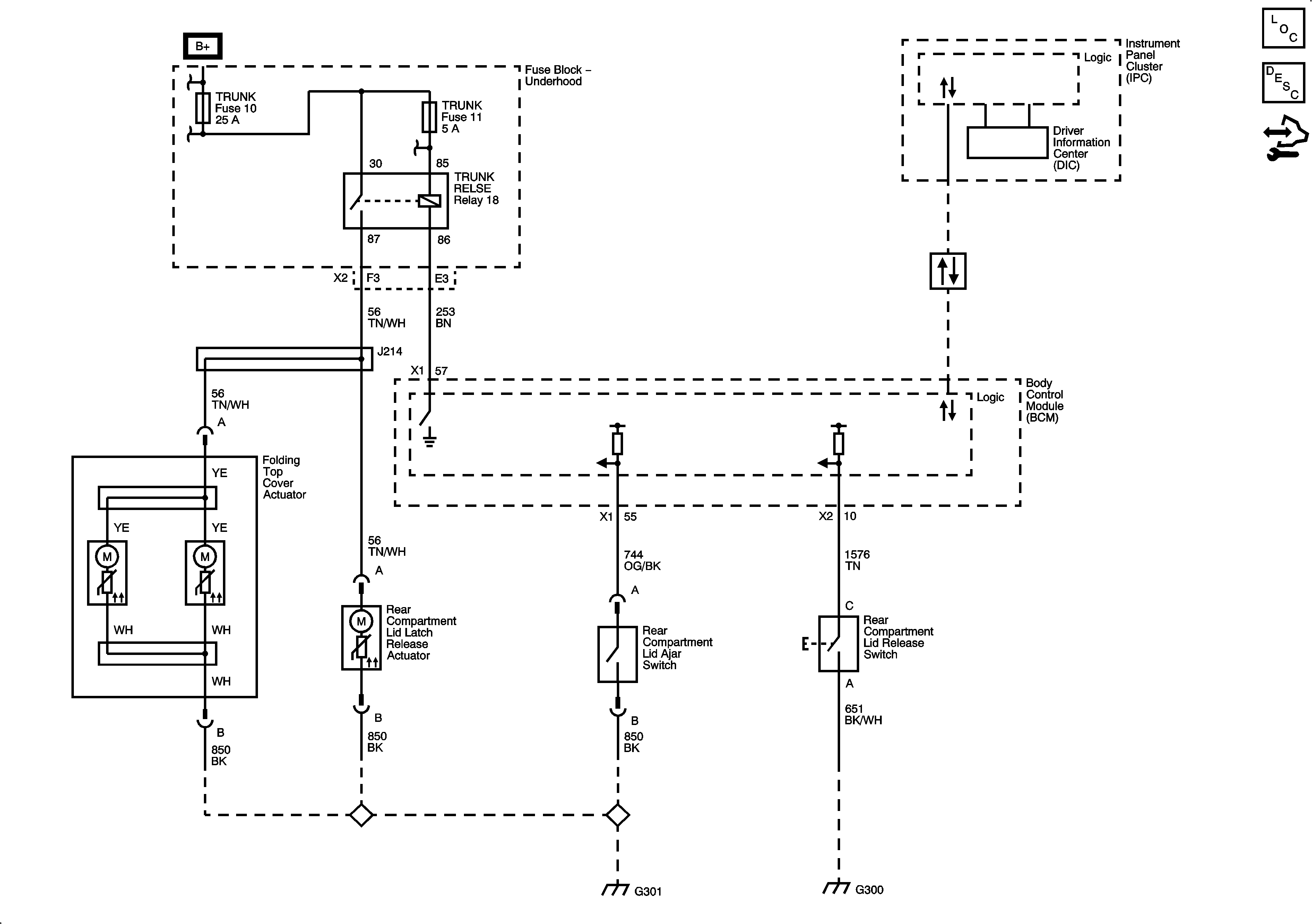
Release Systems Schematics
Master Electrical Component List
Luggage Compartment Description and Operation
Control Module References
BCM 2, BCM 3, AMP, CLSTR, HVAC/PK3+, and IGN SW/PK3+ Fuses
Data Communication Schematics
G301, G302, G303, G400, G402
G300 - 1 of 2