GM Service Manual Online
For 1990-2009 cars only
Makes
🢒
Opel
🢒
2008
🢒
GT
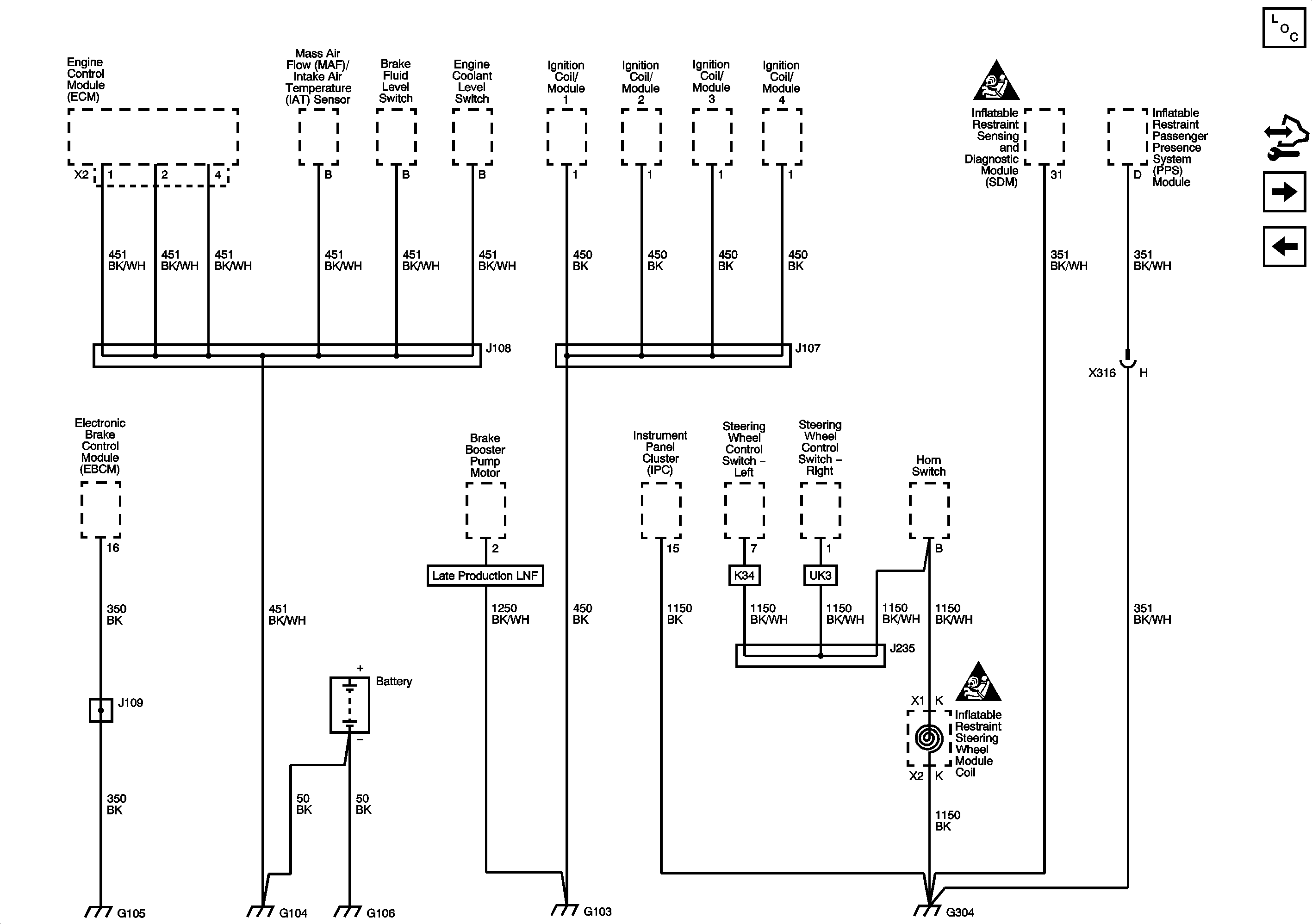
🢒 G103, G104, G105, G106, G304
G103, G104, G105, G106, G304
G103, G104, G105, G106, G304
Master Electrical Component List
Control Module References
G300 - 1 of 2
G101 and G102
Master Electrical Schematic Icons
Master Electrical Schematic Icons