GM Service Manual Online
For 1990-2009 cars only
Makes
🢒
Opel
🢒
2008
🢒
GT
🢒 B+ Bar (2 of 2)
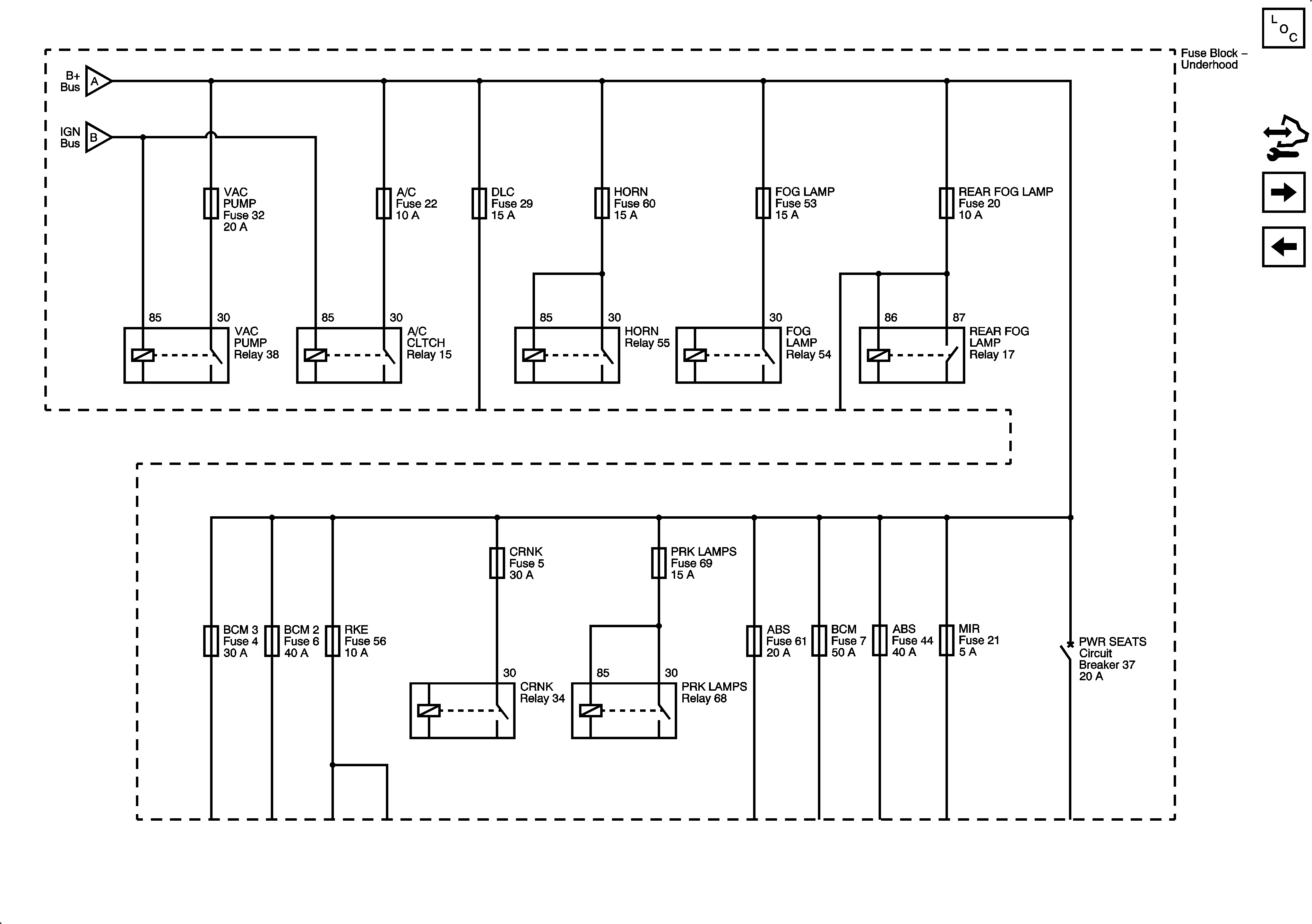
B+ Bar (2 of 2)
B+ Bus Bar - 2 of 2
Master Electrical Component List
Control Module References
LT LO Beam, LT Hi Beam, RT LO Beam, and RT HI Beam Fuses
B+ Bar (1 of 2)
B+ Bar (1 of 2)
B+ Bar (1 of 2)