GM Service Manual Online
For 1990-2009 cars only
Makes
🢒
Opel
🢒
2008
🢒
GT
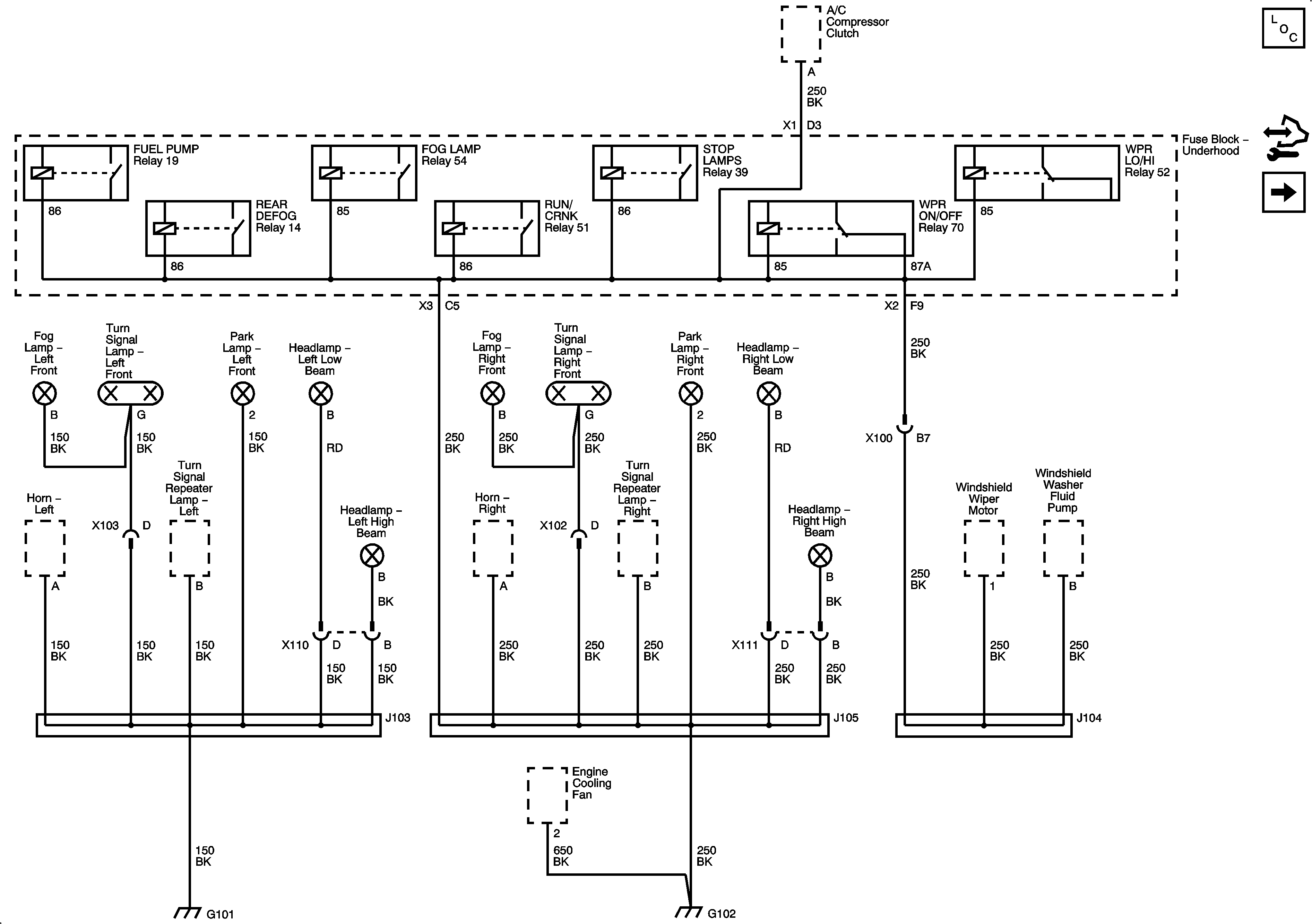
🢒 G101 and G102
G101 and G102
G101 and G102
Master Electrical Component List
Control Module References
G103, G104, G105, G106, G304
B+ Bar (1 of 2)