GM Service Manual Online
For 1990-2009 cars only
Makes
🢒
Opel
🢒
2008
🢒
GT
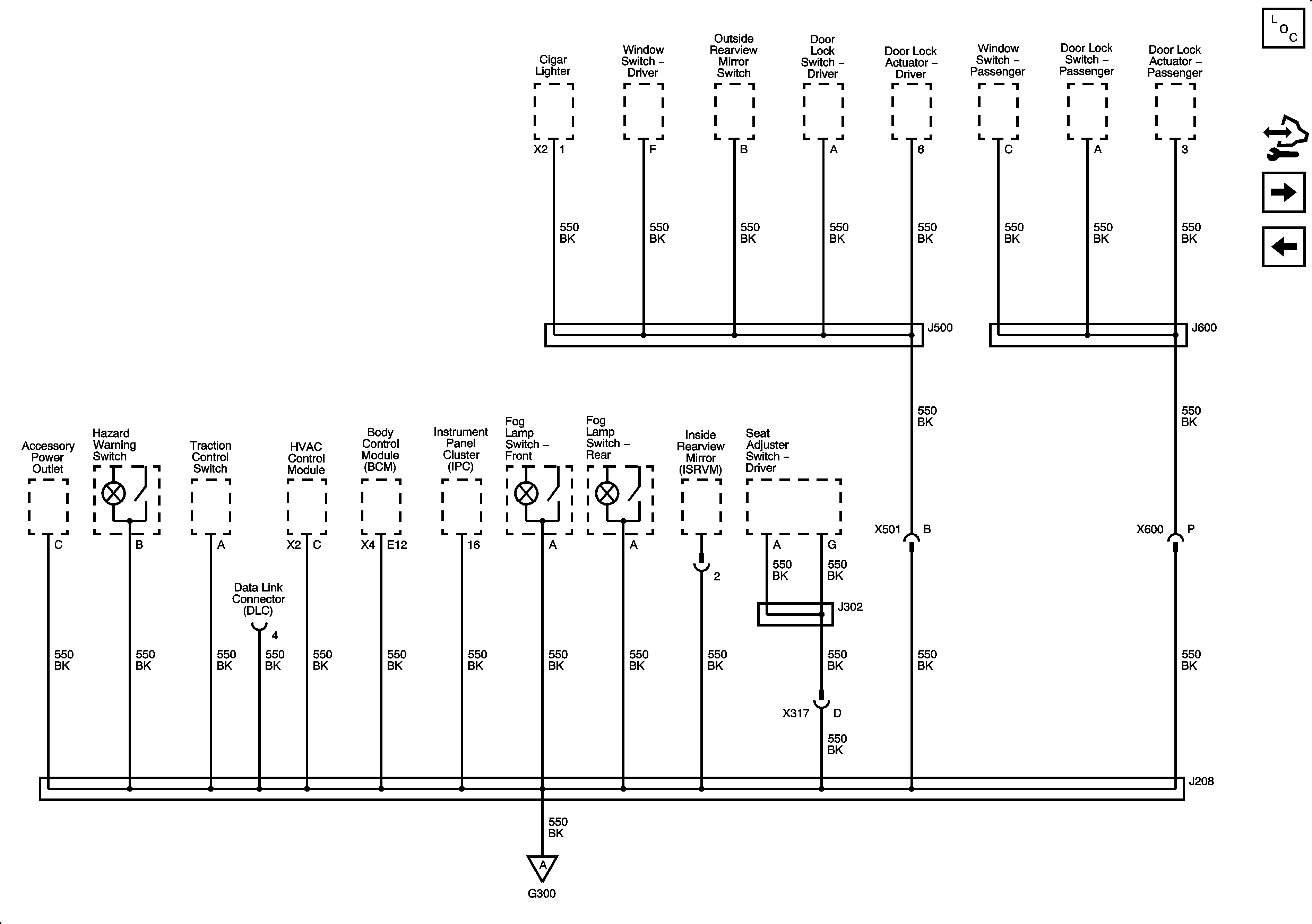
🢒 G300 (2 of 2)
G300 (2 of 2)
G300 (2 of 2)
Master Electrical Component List
Control Module References
G301, G302, G303, G400, G402
G300 (1 of 2)
G300 (1 of 2)