GM Service Manual Online
For 1990-2009 cars only
Figure 1:

Cylinder Head and Components


Object Number: 1770225  Size: LF
(1)Camshaft Position Actuator Solenoid Valve - Intake
(2)Camshaft Position Actuator Solenoid Valve Bolt
(3)Camshaft Position Actuator Solenoid Valve Bolt
(4)Camshaft Position Actuator Solenoid Valve - Exhaust
(5)Upper Intake Manifold Sight Shield Grommet
(6)Ball Stud
(7)Upper Intake Manifold Sight Shield Grommet
(8)Turbocharger Coolant Feed Pipe Fitting
(9)Turbocharger Coolant Feed Hose Gasket
(10)Turbocharger Coolant Feed Hose Clamp
(11)Turbocharger Coolant Feed Hose
(12)Turbocharger Coolant Feed Hose Bolt
(13)Turbocharger Coolant Feed Hose Gasket
(14)Turbocharger Coolant Feed Hose Clamp
(15)Upper Intake Manifold Sight Shield Grommet
(16)Ball Stud
(17)Ignition Coil Bolt
(18)Ignition Coil Bolt Retainer
(19)Ignition Coil
(20)Spark Plug
(21)Camshaft Cover Bolt
(22)Camshaft Cover Bolt Retainer
(23)Oil Fill Cap
(24)Oil Fill Cap Seal
(25)Camshaft Cover
(26)Camshaft Cover Seal
(27)Camshaft Cover Seal
(28)Camshaft Cap Bolt
(29)Camshaft Cap
(30)Camshaft Cap
(31)Camshaft Cap
(32)Exhaust Camshaft
(33)Intake Camshaft
(34)Camshaft Position Sensor Bolt
(35)Camshaft Position Sensor
(36)Camshaft Position Sensor O-Ring
(37)Roller Finger Follower
(38)Hydraulic Lash Adjuster
(39)Roller Finger Follower
(40)Hydraulic Lash Adjuster
(41)Cylinder Head Bolt
(42)Coolant Air Bleed Fitting
(43)Valve Keys
(44)Valve Spring Retainer
(45)Valve Spring
(46)Valve Stem Seal
(47)Small Cylinder Head Bolt
(48)Cylinder Head
(49)Timing Chain Guide Bolt Access Hole
(50)Exhaust Valve
(51)Intake Valve
(52)Camshaft Position Sensor Bolt
(53)Camshaft Position Sensor - Intake
(54)Camshaft Position Sensor O-Ring
(55)Cylinder Head Gallery Plug
(56)Rear Lift Bracket
(57)Rear Lift Bracket Bolt
(58)Cylinder Head Cover Plate Seal
(59)Cylinder Head Cover Plate
(60)Cylinder Head Cover Plate Bolt
(61)Fuel Injector Seal
(62)Fuel Injector
(63)Fuel Injector O-Ring
(64)Fuel Injector Hold Down Clamp
(65)Fuel Rail
(66)Fuel Rail Pressure Sensor
(67)Fuel Injector Wiring Harness
(68)Fuel Rail Bolt
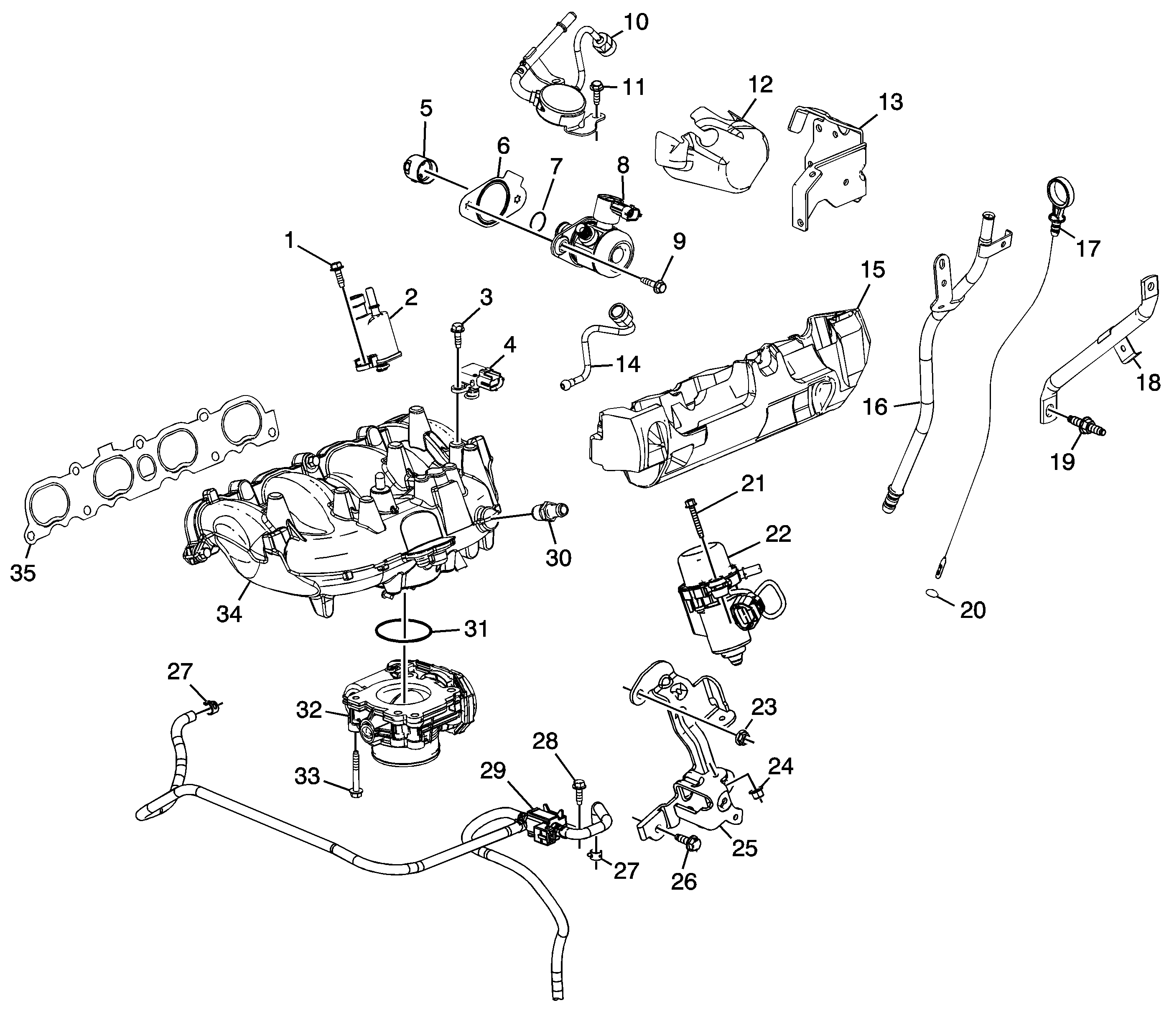
Figure 2:

Intake Manifold and Components


Object Number: 2051374  Size: LF
(1)Evaporative (EVAP) Emission Purge Solenoid Valve Bolt
(2)EVAP Purge Solenoid Valve
(3)Manifold Absolute Pressure (MAP) Sensor Bolt
(4)MAP Sensor
(5)Fuel Pump Lifter
(6)High Pressure Fuel Pump Gasket
(7)High Pressure Fuel Pump O-Ring
(8)High Pressure Fuel Pump
(9)High Pressure Fuel Pump Bolt
(10)Fuel Feed Line
(11)Fuel Feed Line Bolt
(12)High Pressure Fuel Pump Insulator
(13)High Pressure Fuel Pump Cover
(14)High Pressure Fuel Line
(15)Fuel Injector Insulator
(16)Oil Indicator Tube
(17)Oil Indicator
(18)Intake Manifold Brace
(19)Intake Manifold Brace Stud
(20)Oil Indicator O-Ring
(21)Vacuum Pump Bolt
(22)Vacuum Pump
(23)Vacuum Pump Bracket Nut
(24)Vacuum Pump Bracket Nut
(25)Vacuum Pump Bracket
(26)Vacuum Pump Bracket Bolt
(27)Charger AIR Bypass Tube Assembly Clip
(28)AIR Bypass Valve Solenoid Bolt
(29)AIR Bypass Valve Solenoid
(30)Power Brake Booster Fitting
(31)Throttle Body Seal
(32)Throttle Body
(33)Throttle Body Bolt
(34)Intake Manifold
(35)Intake Manifold Gasket
Figure 3:

Exhaust Manifold and Components


Object Number: 2045490  Size: LF
(1)Turbocharger Wastegate Regulator Solenoid Hose
(2)Turbocharger Wastegate Regulator Solenoid Hose Clamp
(3)Turbocharger Wastegate Regulator Solenoid Hose
(4)Turbocharger Wastegate Regulator Solenoid Valve Assembly
(5)Turbocharger Wastegate Regulator Solenoid Valve Bracket
(6)Turbocharger Wastegate Regulator Solenoid Valve Bracket Bolt/Screw
(7)Turbocharger Wastegate Regulator Solenoid Hose
(8)Turbocharger Wastegate Regulator Solenoid Hose Clamp
(9)Turbocharger Oil Feed Pipe
(10)Turbocharger Oil Feed Pipe Bolt
(11)Turbocharger Oil Feed Pipe Gasket
(12)Turbocharger Oil Feed Pipe Gasket
(13)Turbocharger Oil Feed Pipe Bolt
(14)Turbocharger Coolant Return Pipe Gasket
(15)Turbocharger Coolant Return Pipe Bolt
(16)Turbocharger Coolant Return Pipe
(17)Turbocharger Coolant Return Pipe Bolt
(18)Turbocharger Coolant Return Pipe Gasket
(19)Turbocharger Coolant Feed Pipe
(20)Turbocharger Coolant Feed Pipe Gasket
(21)Turbocharger Coolant Feed Pipe Bolt
(22)Engine Coolant Heater
(23)Engine Coolant Heater Bolt
(24)Exhaust Manifold Heat Shield Bolt
(25)Exhaust Manifold Heat Shield Bolt
(26)Exhaust Manifold Heat Shield
(27)Exhaust Manifold Nut
(28)Exhaust Manifold
(29)Exhaust Manifold Gasket
(30)Exhaust Manifold Stud
(31)Oxygen Sensor Fastener
(32)Oxygen Sensor
(33)Oxygen Sensor Gasket
(34)Catalytic Converter Nut
(35)Catalytic Converter
(36)Catalytic Converter Seal
(37)Catalytic Converter Stud
(38)Catalytic Converter Bracket Bolts
(39)Catalytic Converter Bracket
(40)Catalytic Converter Bracket Nut
(41)Catalytic Converter Stud
(42)Turbocharger Air Cooler Outlet Pipe
(43)Turbocharger Air Cooler Outlet Pipe Bolt
(44)Turbocharger Heat Shield
(45)Turbocharger Heat Shield Bolts
(46)Turbocharger Air Cooler Outlet Pipe Seal
(47)Turbocharger Gasket
(48)Turbocharger
(49)Turbocharger Air Bypass Valve Spring
(50)Turbocharger Air Bypass Diaphragm Assembly
(51)Turbocharger Air Bypass Valve Cover
(52)Turbocharger Air Bypass Valve Cover Bolt
(53)Turbocharger Oil Return Pipe Gasket
(54)Turbocharger Oil Return Pipe Bolt
(55)Turbocharger Oil Return Pipe
(56)Turbocharger Oil Return Pipe O-Ring
(57)Turbocharger Brace
Figure 4:

Engine Block and Components


Object Number: 1770235  Size: LF
(1)Water Pump to Engine Block Seal
(2)Water Pump Seal
(3)Water Pump
(4)Water Pump Bolt
(5)Outlet Pipe O-rings
(6)Outlet Pipe
(7)Coolant Thermostat Housing Bolt
(8)Coolant Thermostat Housing
(9)Thermostat Housing to Block Gasket
(10)Coolant Thermostat Housing Seal
(11)Coolant Temperature Sensor
(12)Thermostat
(13)Coolant Inlet
(14) Coolant Inlet Bolt
(15)Water Pipe Support Bracket
(16)Water Pipe Support Bracket Bolt
(17)Water Pipe Support Bracket Bolt Stud
(18)Piston Ring Assembly
(19)Piston Assembly
(20)Connecting Rod Bushing
(21)Connecting Rod
(22)Connecting Rod Bearing
(23)Connecting Rod Cap Bolt
(24)Oil Cooler O-ring
(25)Oil Cooler
(26)Oil Cooler Bolt
(27)Front Lift Bracket
(28)Front Lift Bracket Bolt
(29)Cylinder Head Gasket
(30)Cylinder Bore Liner
(31)Cylinder Head Alignment Pin
(32)Oil Filter Cap
(33)Oil Filter Cap O-ring
(34)Oil Filter
(35)Engine Block Gallery Plug
(36)Engine Block to Transaxle Alignment Pin
(37)Crankshaft Position Sensor
(38)Crankshaft Position Sensor Bolt
(39)Oil Pressure Switch
(40)Piston Oil Nozzle Assembly
(41)Manual Transaxle Flywheel to Crankshaft Bolt
(42)Flywheel - Manual Transaxle
(43)Automatic Transaxle Flywheel to Crankshaft Bolt
(44)Flywheel - Automatic Transaxle
(45)Crankshaft Rear Seal
(46)Engine Block
(47)Crankshaft Thrust Bearing - Upper
(48)Crankshaft Bearing - Upper
(49)Crankshaft
(50)Crankshaft Thrust Bearing - Lower
(51)Crankshaft Bearing - Lower
(52)Lower Crankcase Main Bearing Bolt
(53)Lower Crankcase Perimeter Bolt
(54)Engine Oil Pan
(55)Engine Oil Pan Alignment Pins
(56)Lower Crankcase Main Bearing Bolt
(57)Engine Oil Pan Drain Plug
(58)Engine Oil Pan Bolt
(59)Engine Oil Pan Long Bolt
(60)Knock Sensor - Rear
(61)Knock Sensor - Front
(62)Starter Bolt
(63)Starter
Figure 5:

Timing Chain and Components


Object Number: 2064105  Size: LF
(1)Timing Chain Tensioner Body
(2)Timing Chain Tensioner Seal
(3)Adjustable Timing Chain Guide
(4)Adjustable Timing Chain Guide Bolt
(5)Timing Chain
(6)Fixed Timing Chain Guide Bolt
(7)Fixed Timing Chain Guide
(8)Timing Chain Drive Sprocket
(9)Friction Washers, some models
(10)Timing Chain Oil Nozzle Bolt
(11)Timing Chain Oil Nozzle
(12)Camshaft Position Actuator Bolt
(13)Intake Camshaft Position Actuator
(14)Camshaft Position Actuator Bolt
(15)Exhaust Camshaft Position Actuator
(16)Upper Timing Chain Guide
(17)Upper Timing Chain Guide Bolt
(18)Balance Shaft Drive Sprocket Bolts
(19)Exhaust Balance Shaft Drive Sprocket
(20)Intake Balance Shaft Drive Sprocket
(21)Exhaust Balance Shaft Bearing Carrier
(22)Intake Balance Shaft Bearing Carrier
(23)Exhaust Balance Shaft
(24)Intake Balance Shaft
(25)Balance Shaft Rear Bearing
(26)Water Pump Drive Sprocket Bolt
(27)Water Pump Drive Sprocket
(28)Balance Shaft Drive Chain Tensioner Assembly Bolt
(29)Balance Shaft Drive Chain Tensioner Assembly
(30)Adjustable Balance Shaft Drive Chain Guide Bolt
(31)Adjustable Balance Shaft Drive Chain Guide
(32)Balance Shaft Drive Chain
(33)Balance Shaft Drive Chain Guide Bolt
(34)Balance Shaft Drive Chain Guide
(35)Balance Shaft Drive Sprocket
(36)Balance Shaft Drive Chain Guide
(37)Balance Shaft Drive Chain Guide Bolt
(38)Engine Front Cover Alignment Pins
(39)Engine Front Cover Gasket
(40)Oil Pump Cover Bolt
(41)Oil Pump Cover
(42)Oil Pump Gear
(43)Oil Pump Inner Rotor
(44)Engine Front Cover
(45)Engine Front Cover Bolt
(46)Crankshaft Front Oil Seal
(47)Crankshaft Balancer
(48)Crankshaft Balancer Bolt
(49)Engine Front Cover Bolt
(50)Oil Pressure Relief Valve
(51)Oil Pressure Relief Valve O-Ring
(52)Water Pump Sprocket Access Cover Bolt
(53)Water Pump Sprocket Access Cover
(54)Water Pump Sprocket Access Cover Gasket
(55)Belt Tensioner Bolt
(56)Belt Tensioner
(57)Belt Tensioner Bolt
(58)Belt Tensioner Pulley Bolt
(59)Belt Tensioner
(60)Power Steering Pump Pulley