GM Service Manual Online
For 1990-2009 cars only
Makes
🢒
Opel
🢒
2009
🢒
GT
🢒
Diagnostic Navigation
🢒
Vehicle Diagnostic Information
🢒 Exterior Lights Schematics
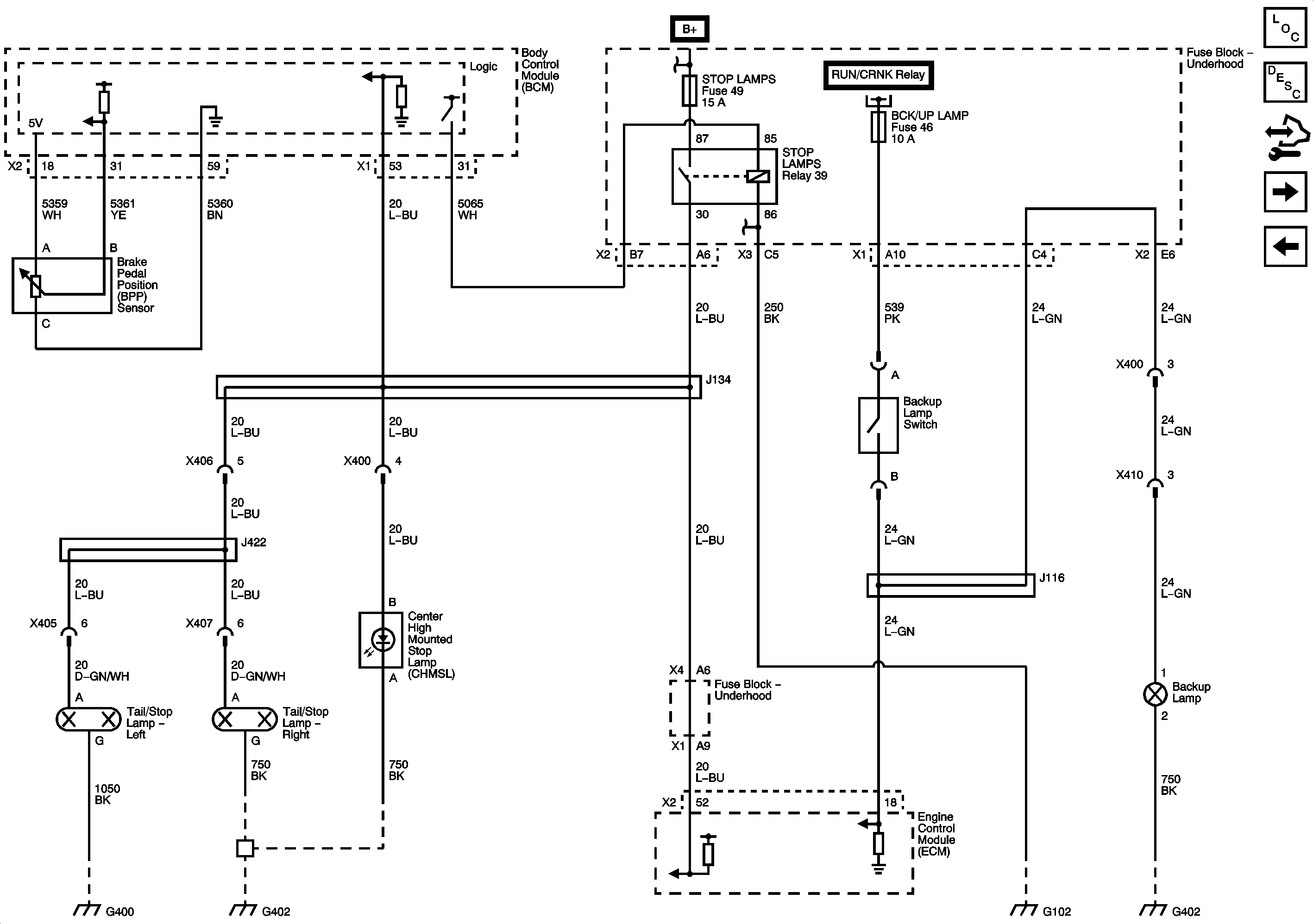
Figure
1:
Backup and Stop Lamps
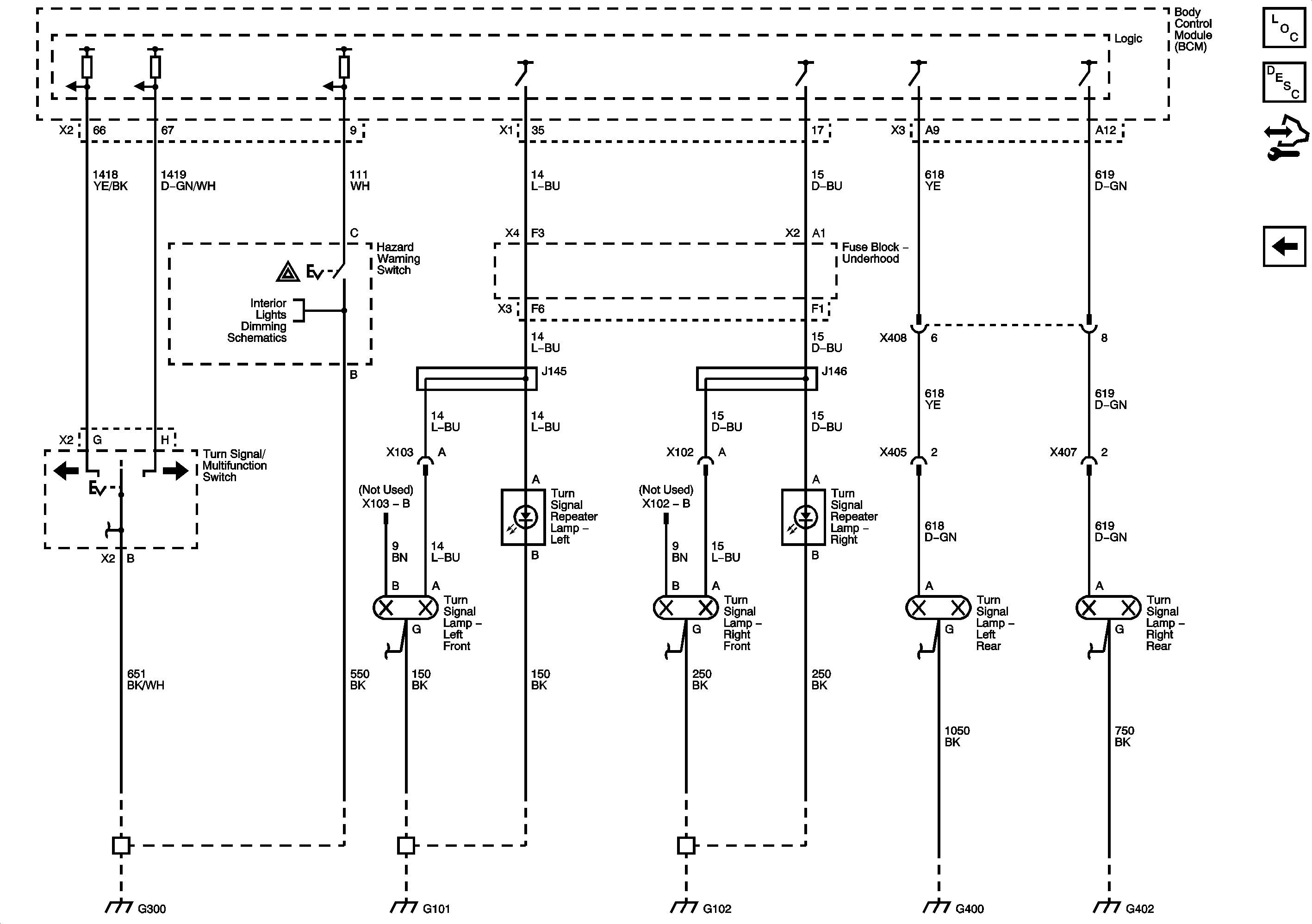
Figure
2:
Turn Signals and Hazard Lamps
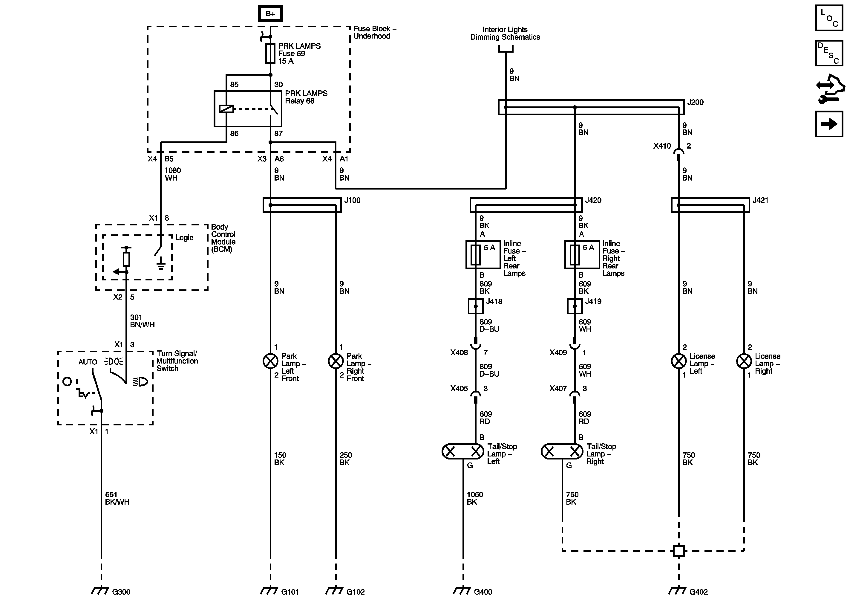
Figure
3:
Park Lamps