GM Service Manual Online
For 1990-2009 cars only
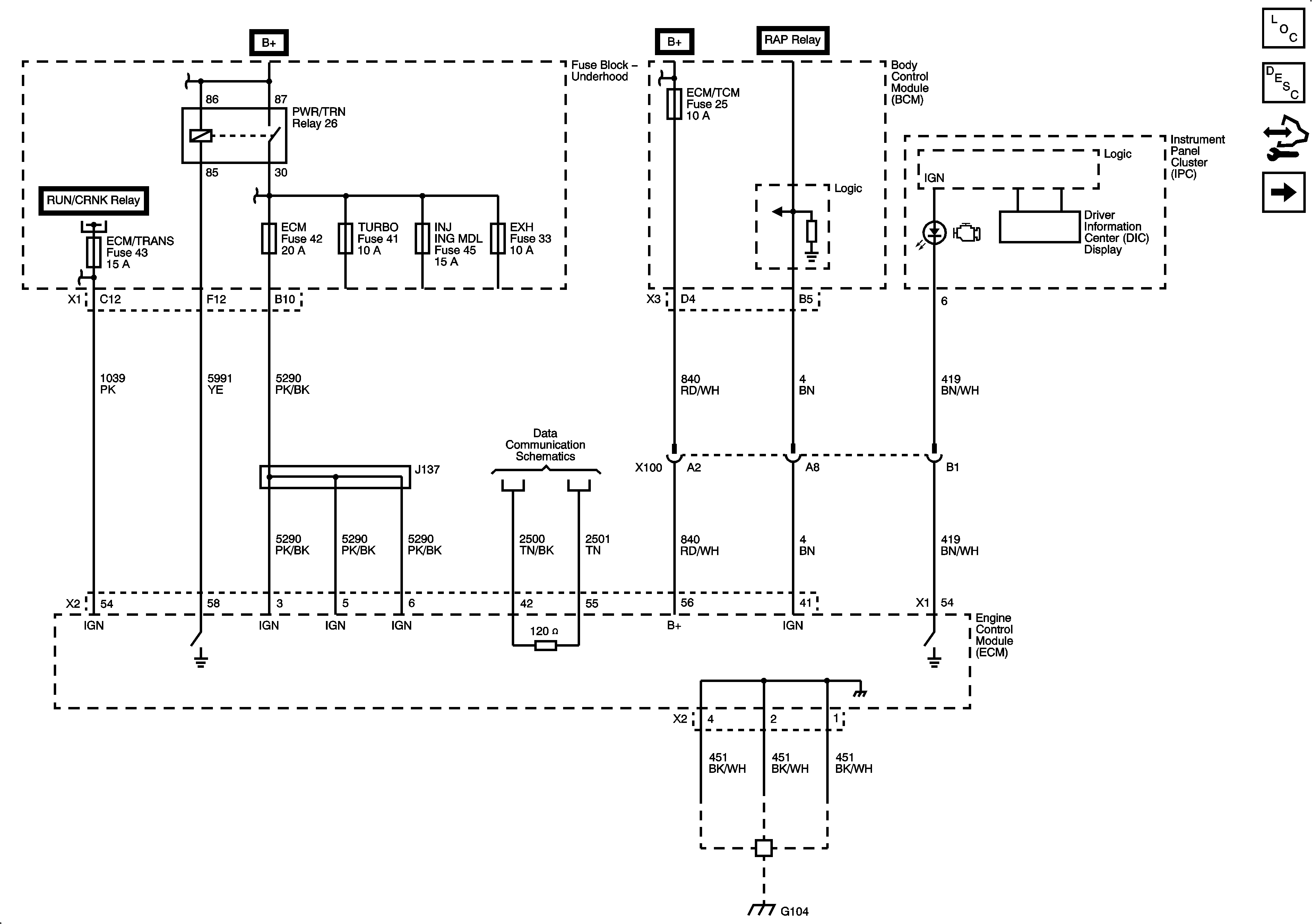
Figure 1:

Power, Ground, Data Link, and MIL


Object Number: 2050007  Size: FS
Figure 2:

5-Volt and Low Reference


Object Number: 2050009  Size: FS
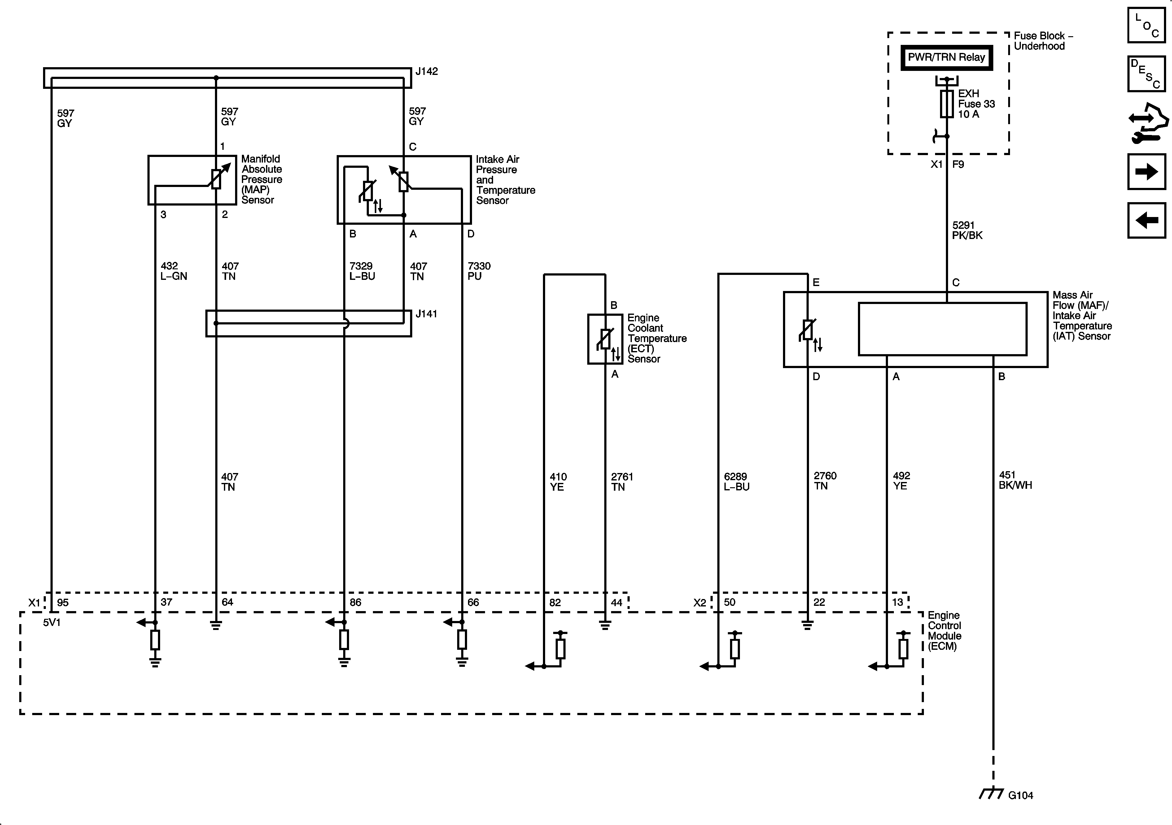
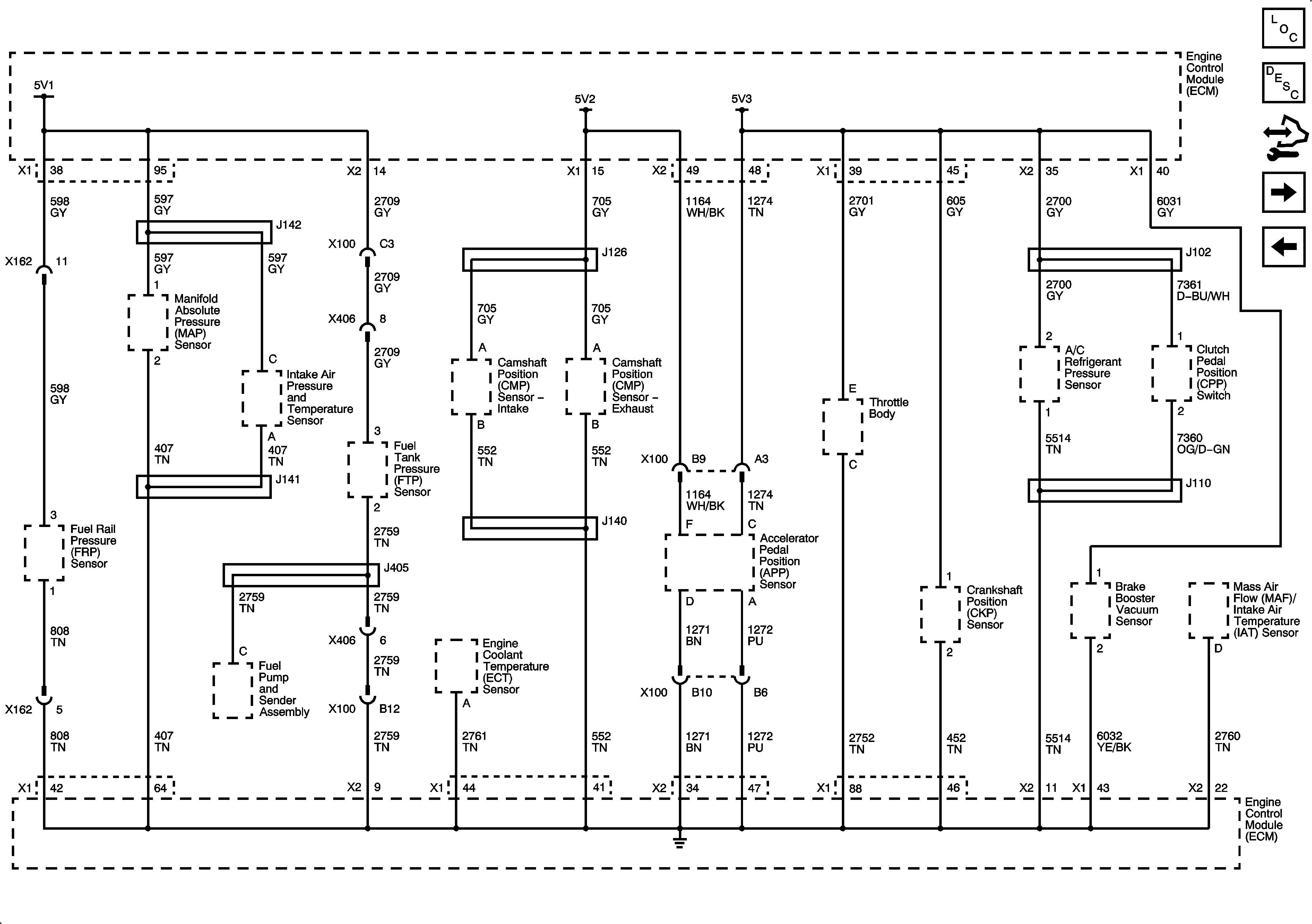
Figure 3:

Engine Data Sensors - Pressure and Temperature


Object Number: 2050011  Size: FS
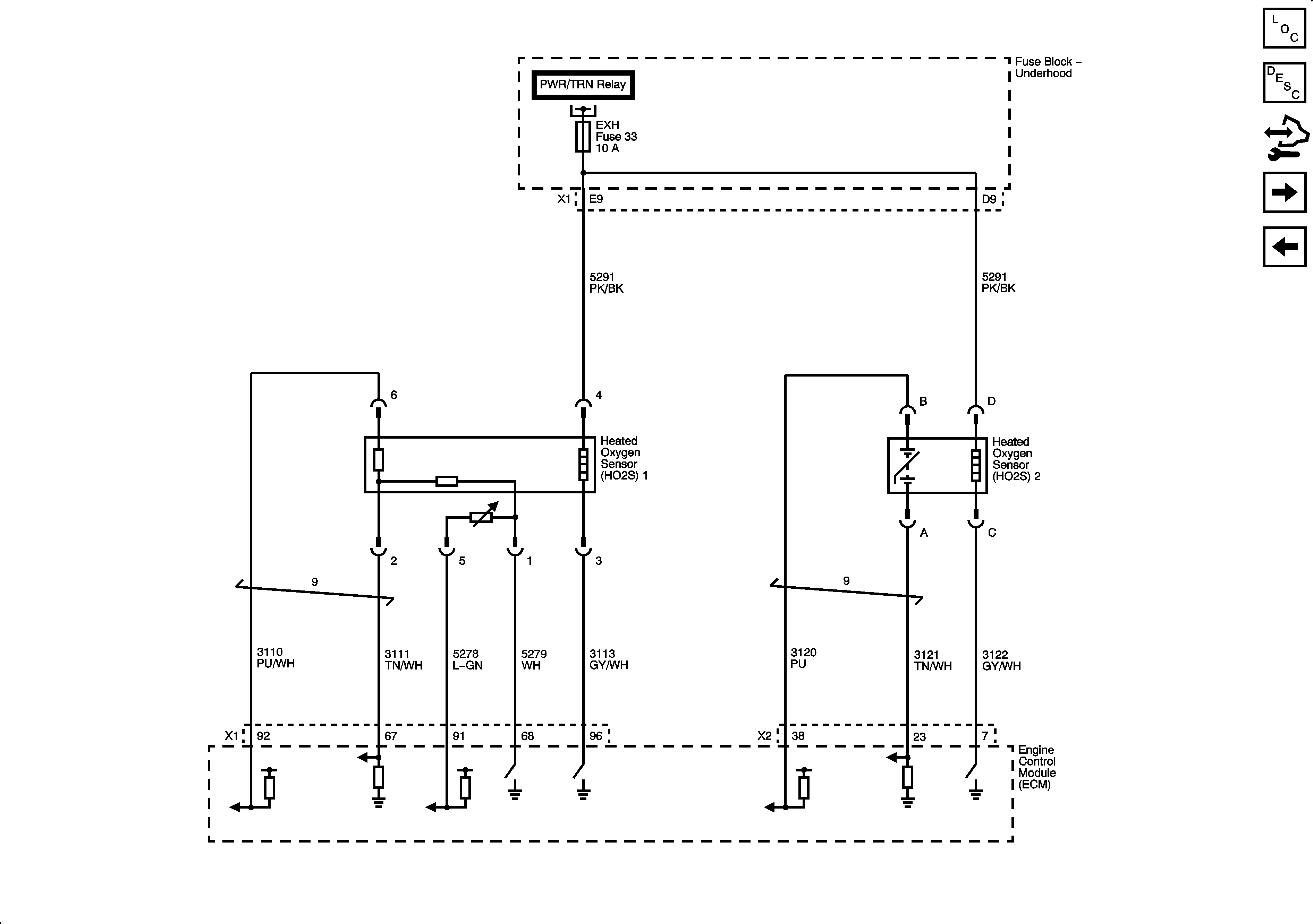
Figure 4:

Engine Data Sensors - Oxygen Sensors


Object Number: 2050014  Size: FS
Figure 5:

Engine Data Sensors - Electronic Throttle Controls


Object Number: 2050019  Size: FS
Figure 6:

Ignition Controls - Sensors


Object Number: 2050021  Size: FS
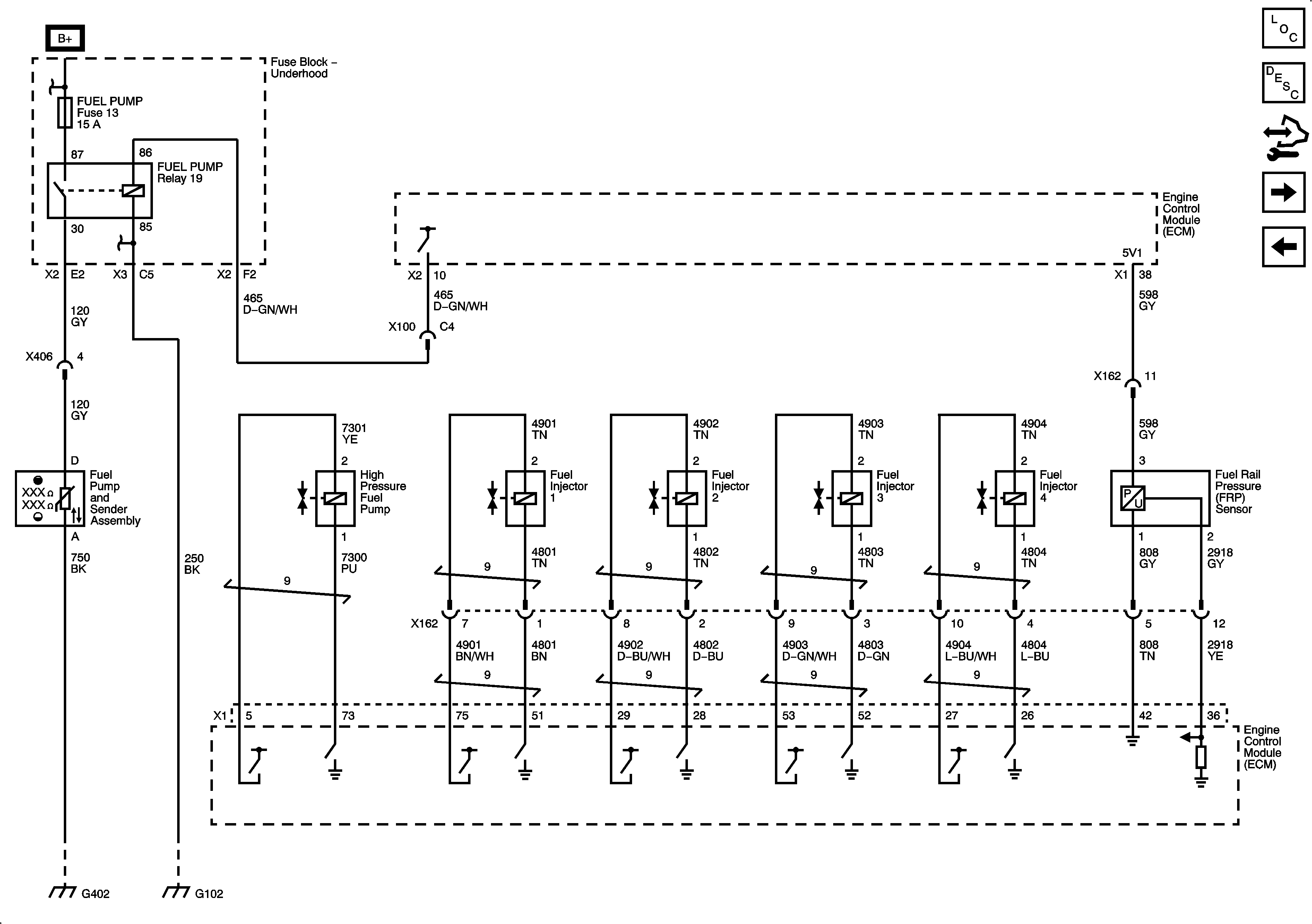
Figure 7:

Fuel Controls - Fuel Pump Controls and Fuel Injectors


Object Number: 2050023  Size: FS
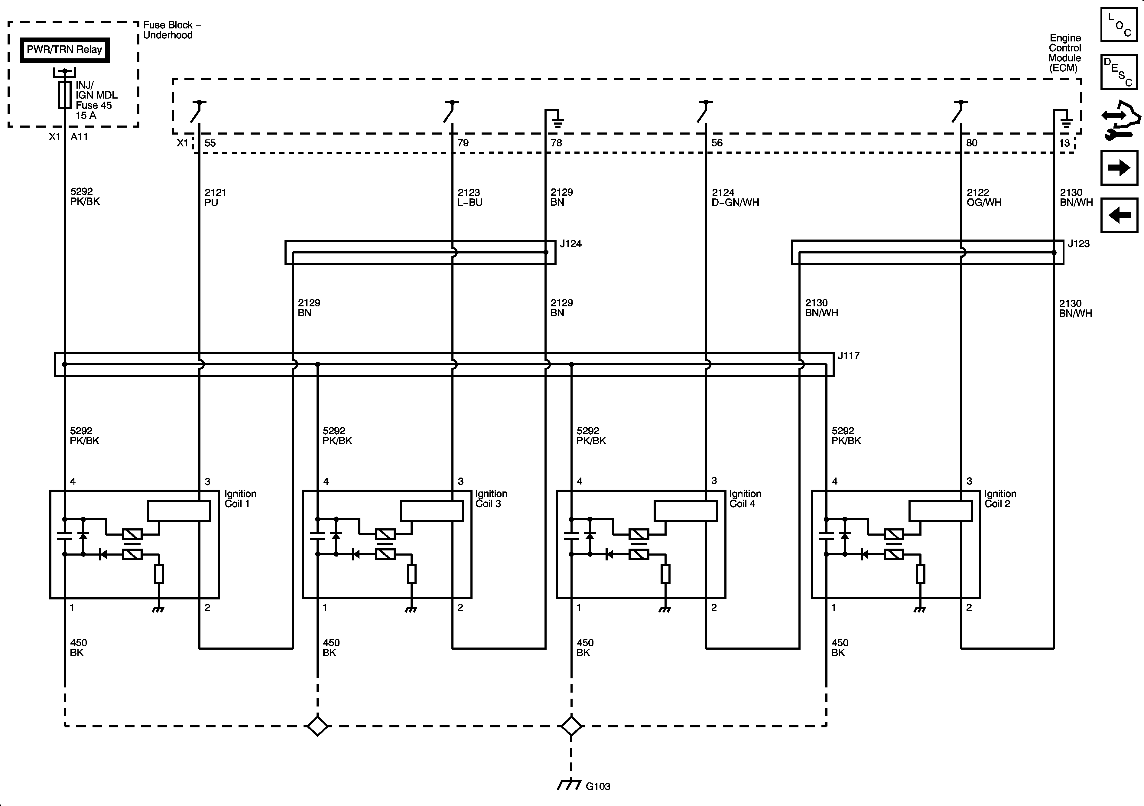
Figure 8:

Ignition Controls - Ignition System


Object Number: 2050025  Size: FS
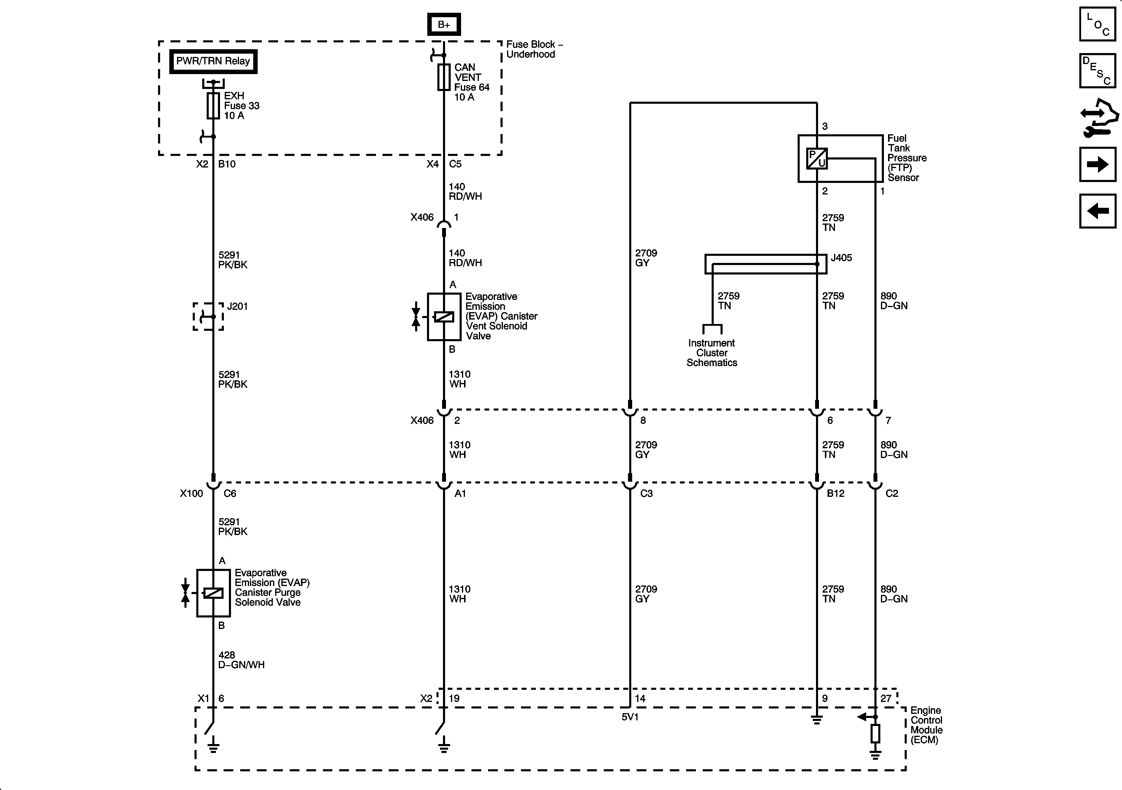
Figure 9:

Fuel Controls - EVAP Controls


Object Number: 2050028  Size: FS
Figure 10:

Controlled/Monitored Subsystem References


Object Number: 2050030  Size: FS