GM Service Manual Online
For 1990-2009 cars only

A/C VACUUM SOLENOID MODULE TESTING PROCEDURE

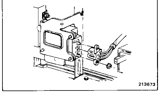
When diagnosing the A/C system on an STE, the A/C vacuum solenoid module must be tested while being held in the same position as mounted in the car.

If tested in any position other than the mounting position, the A/C system will not work and false readings will result.


Object Number: 93513  Size: SF

General Motors bulletins are intended for use by professional technicians, not a "do-it-yourselfer". They are written to inform those technicians of conditions that may occur on some vehicles, or to provide information that could assist in the proper service of a vehicle. Properly trained technicians have the equipment, tools, safety instructions and know-how to do a job properly and safely. If a condition is described, do not assume that the bulletin applies to your vehicle, or that your vehicle will have that condition. See a General Motors dealer servicing your brand of General Motors vehicle for information on whether your vehicle may benefit from the information.