ON-CAR SERVICE AND TRANSMISSION EXCHANGE PROCEDURE - ALL WHEEL DRIVE 1988 THM A-1 (MD9)
PBS Model
On-car service and exchange procedure information regarding the THM A-1 transmissions, which is a THM 125C equipped with an all-new transfer unit introduced in the 1988 Pontiac STE All Wheel Drive.
All THM A-1 on-car service should be performed at the dealership. Presently, the THM A-1 Transmission is on an exchange program until further notice. Units requiring the removal of the Torque Converter, Transfer Unit and/or Transmission from the vehicle, are to be returned to Hydramatic Division under terms of the THM A-1 Transmission Exchange Program.
o Transmission Identification Information o Transmission Cooler Flushing o On-Car Serviceable Components o Preliminary Check and Transmission Exchange Procedure
Transmission Identification Information: (Figure 1) ----------------------------------------
Transmission cooler flushing must be performed whenever a THM A-1 transmission is replaced. The cooler flushing tool, Kent-Moore Number J 35944, is an essential tool and must be used to properly flush the cooler and lines. Labor Time Guide Operation K7000, Transmission/Transaxle - Replace, includes time allowance for transmission cooler system flushing.
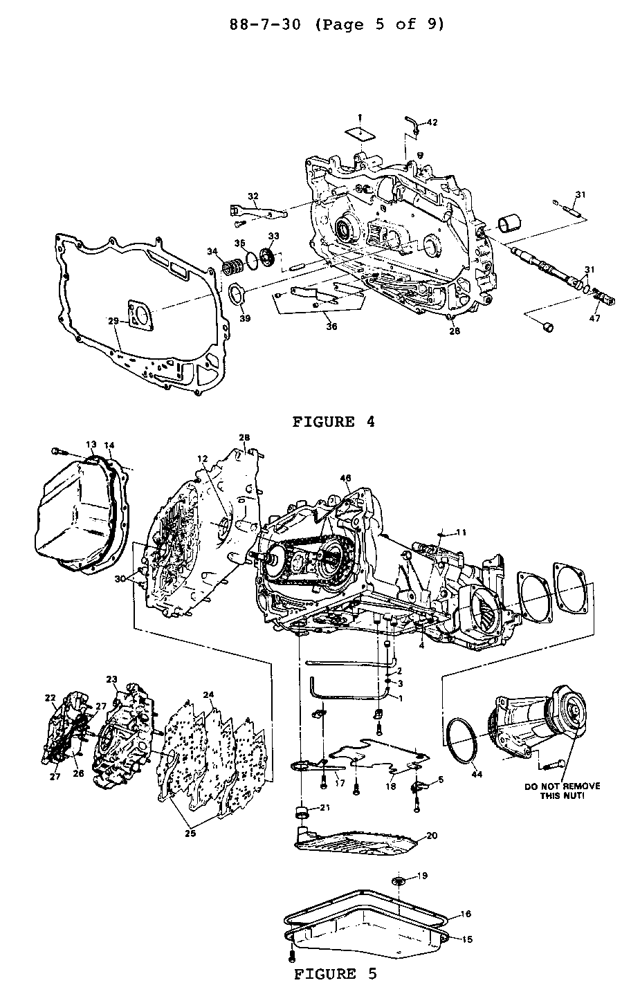
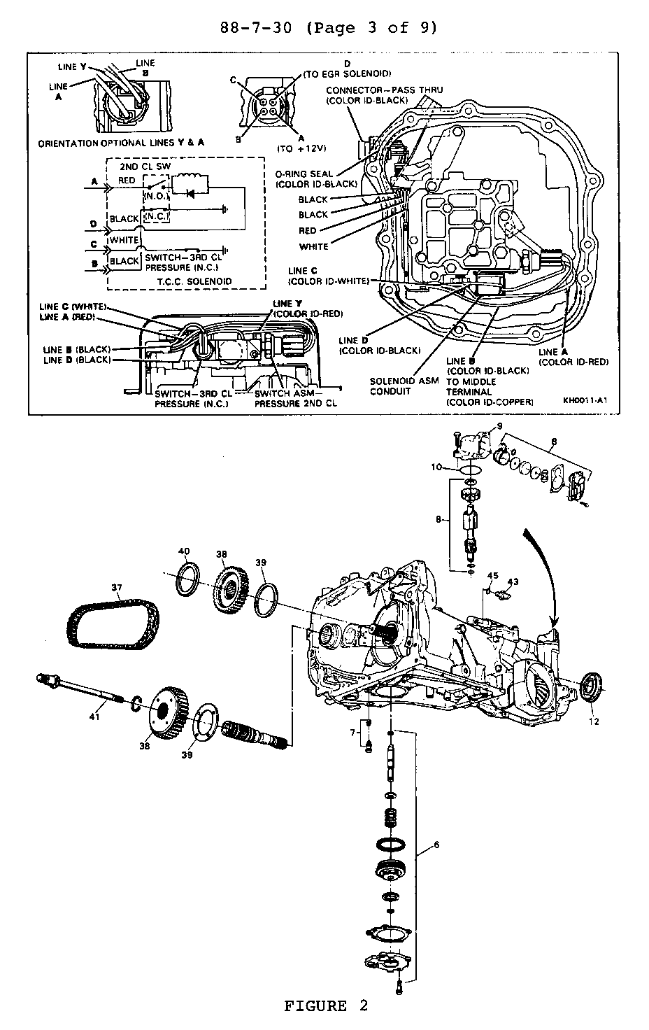
On-Car Serviceable Components: (Figures 2, 4 and 5) -----------------------------------------------------
The following list of THM A-1 components, illustrated in Figures 2, 4 and 5, can be serviced on-car by the dealer technician.
This bulletin contains a Line Pressure Chart and Shift Speed Chart which is not available in the 1988 Pontiac STE All Wheel Drive Service Manual Supplement. Refer to the On-Car Service Section 7Al in the 1988 Pontiac STE All Wheel Drive Supplement whenever any on-car service is necessary.
Requests for a THM A-1 will be handled through the Pontiac Division's Technical Assistance System. Pontiac Technical Assistance will establish a Case Number which will be forwarded to Hydra-matic for an exchange. Note: Oil pressure readings must be taken before calling Pontiac Technical Assistance.
The dealership will be mailed an envelope containing the following:
Return shipping label Leak identification charts (Figure 7) Reporting form (Figure 8) Transmission Exchange Procedure Instructions Information tag (to be wired to unit being returned)
Remove all plastic shipping plugs and covers from the exchange unit (new) and install them on the original assembly.
Repack the original transmission into the shipping container and place proper shipping label and information on container.
The Technical Assistance Consultant will need a detailed description of the transmission's condition (after a road test for operational transmissions).
Transmissions must be returned complete, as removed from the vehicle, without examination other than outlined in On-Car Service. Dealerships returning units that have been partially disassembled will be billed for all materials furnished for violating this exchange procedure.
General Motors bulletins are intended for use by professional technicians, not a "do-it-yourselfer". They are written to inform those technicians of conditions that may occur on some vehicles, or to provide information that could assist in the proper service of a vehicle. Properly trained technicians have the equipment, tools, safety instructions and know-how to do a job properly and safely. If a condition is described, do not assume that the bulletin applies to your vehicle, or that your vehicle will have that condition. See a General Motors dealer servicing your brand of General Motors vehicle for information on whether your vehicle may benefit from the information.