GM Service Manual Online
For 1990-2009 cars only
Makes
🢒
Pontiac
🢒
2001
🢒
Aztek - AWD
🢒
Restraints
🢒
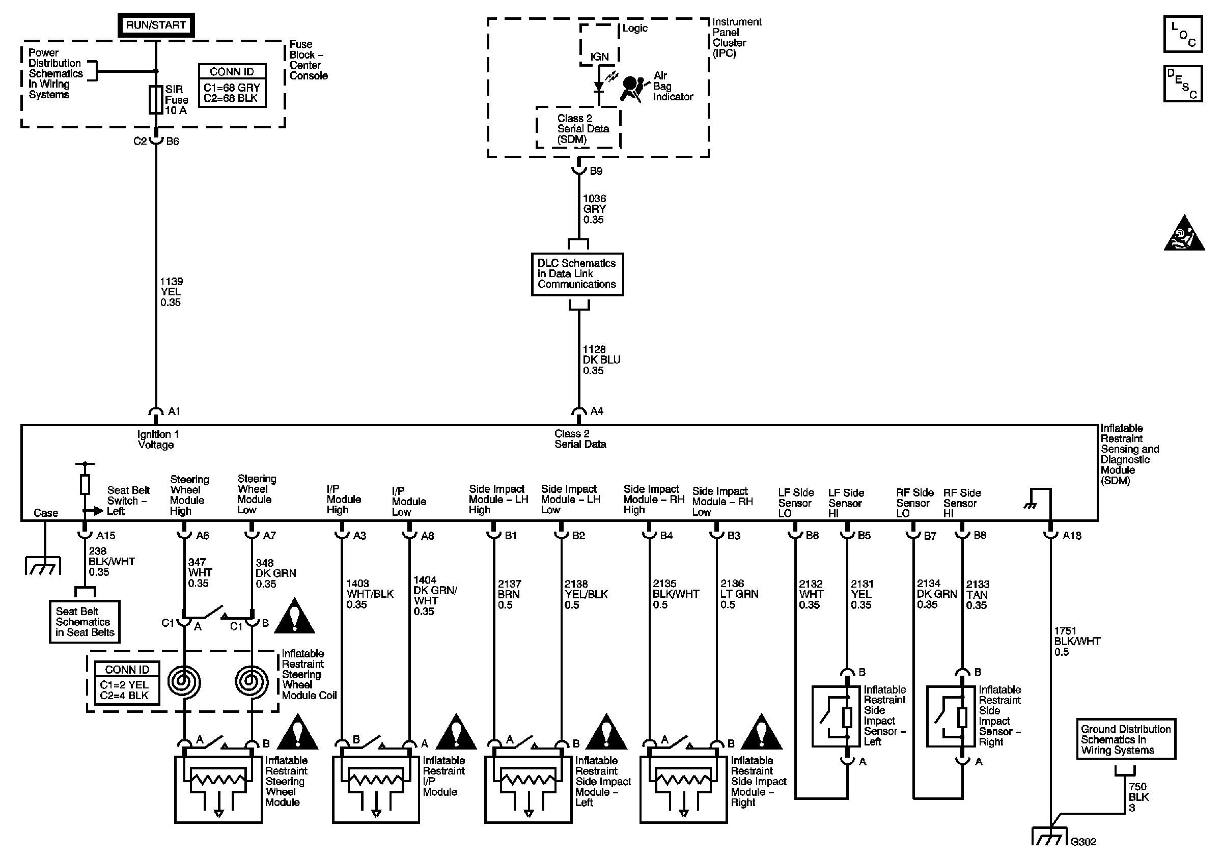
SIR
🢒 SIR Schematics