GM Service Manual Online
For 1990-2009 cars only
Figure 1:

Ground G100


Object Number: 628228  Size: FS
Master Electrical Component List
Ground G101
Figure 2:

Ground G101


Object Number: 628229  Size: FS
Master Electrical Component List
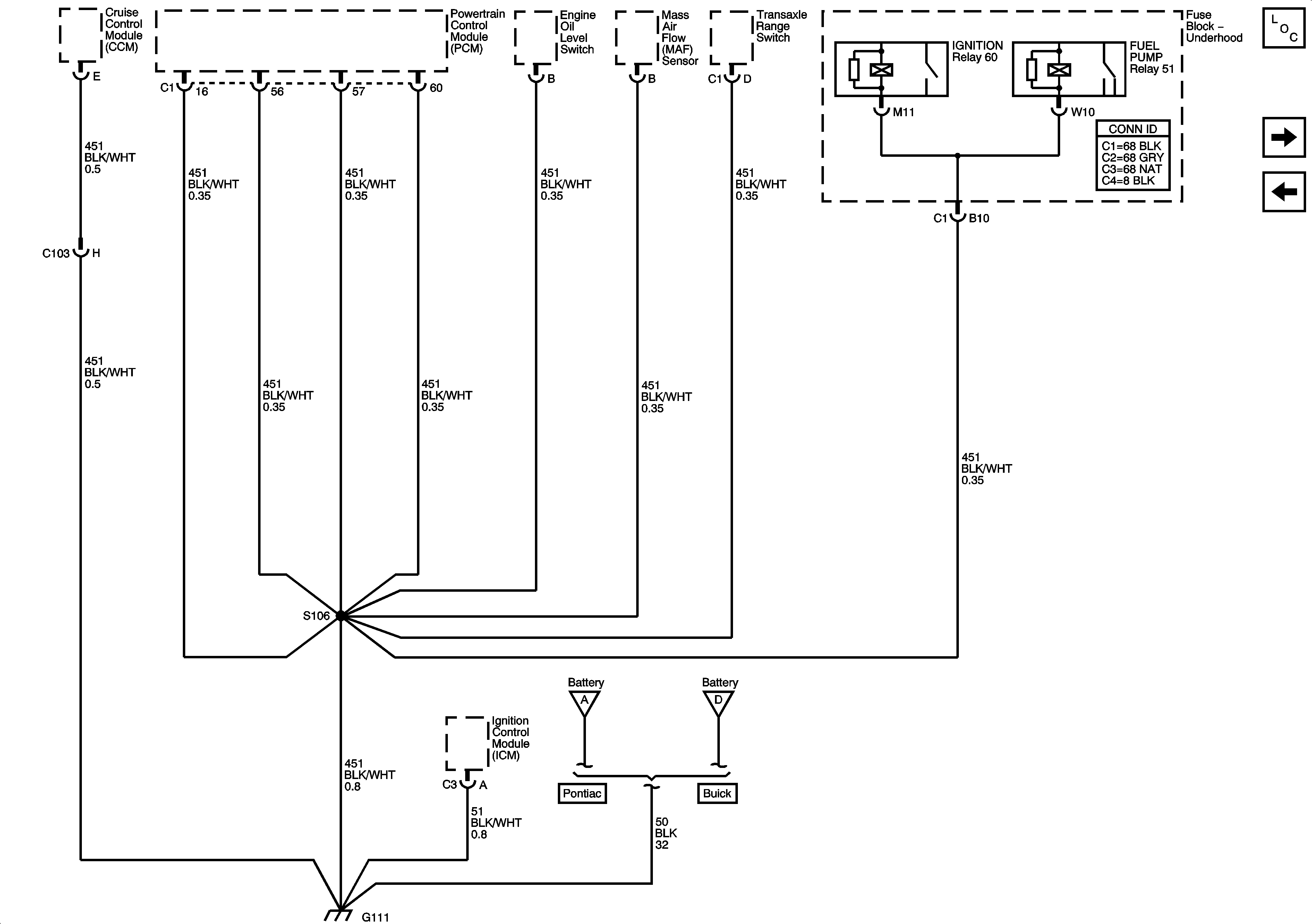
Ground G111
Ground G100
Figure 3:

Ground G111


Object Number: 628230  Size: FS
Master Electrical Component List
Ground G117
Ground G101
Figure 4:

Ground G117


Object Number: 628231  Size: FS
Master Electrical Component List
Ground G200 (1 of 2)
Ground G111
Figure 5:

Ground G201


Object Number: 628232  Size: FS
Master Electrical Component List
Ground G200 (2 of 2)
Ground G117
Figure 6:

Ground G200


Object Number: 628233  Size: FS
Master Electrical Component List
Ground G201
Ground G200 (1 of 2)
Figure 7:

Ground G202


Object Number: 628234  Size: FS
Master Electrical Component List
Ground G301
Ground G200 (2 of 2)
Figure 8:

Ground G301


Object Number: 628235  Size: FS
Master Electrical Component List
Ground G302
Ground G201
Figure 9:

Ground G302


Object Number: 628236  Size: FS
Master Electrical Component List
Ground G303
Ground G301
Figure 10:

Ground G303


Object Number: 628237  Size: FS
Master Electrical Component List
Ground G401 (1 of 2)
Ground G302
Figure 11:

Ground G401 (1 of 2)


Object Number: 628238  Size: FS
Master Electrical Component List
Ground G401 (2 of 2)
Ground G303
Figure 12:

Ground G401 (2 of 2)


Object Number: 628239  Size: FS
Master Electrical Component List
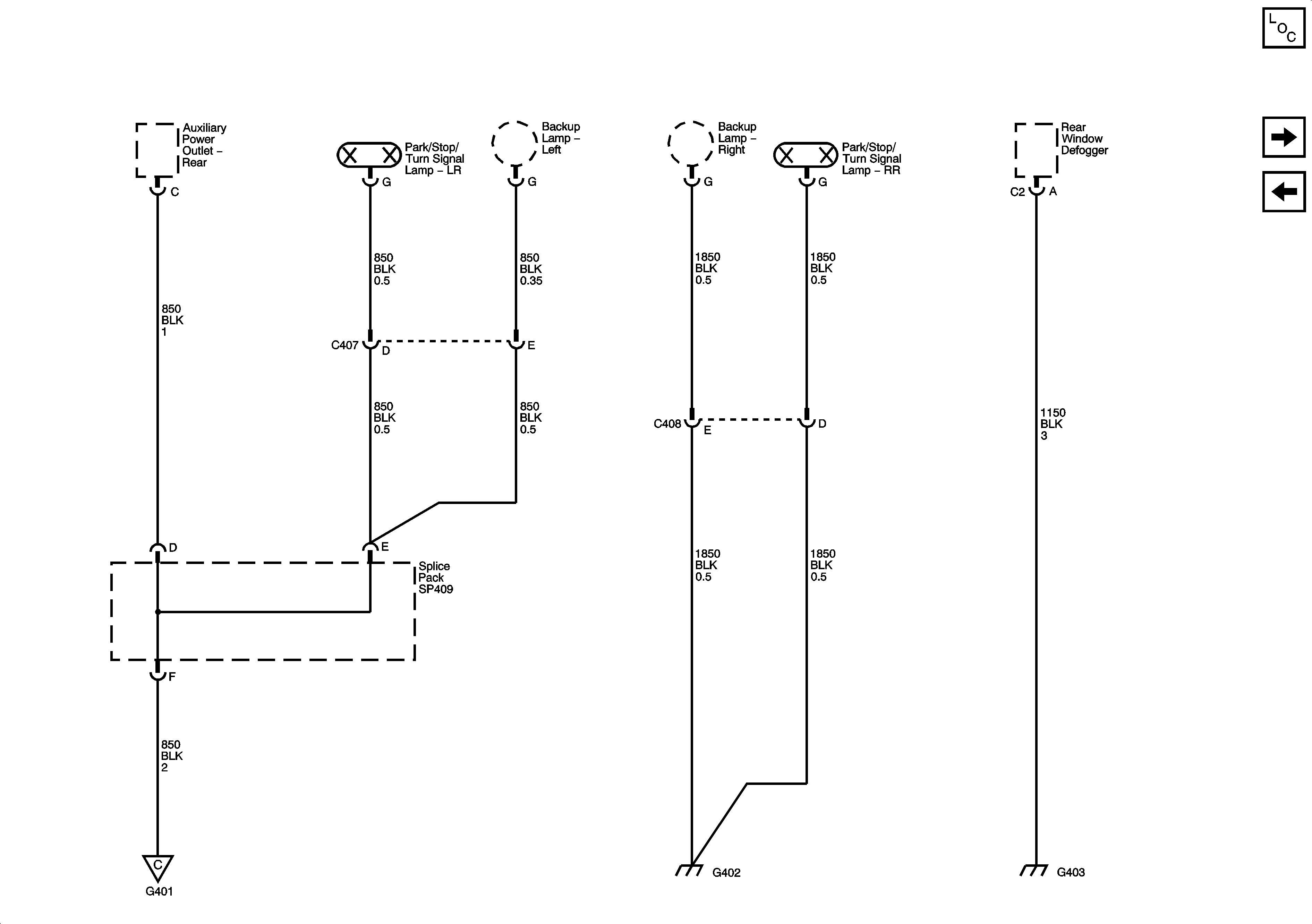
G401, G402 and G403
Ground G401 (1 of 2)
Figure 13:

G401, G402 and G403


Object Number: 628240  Size: FS
Master Electrical Component List
Ground G401 (2 of 2)