GM Service Manual Online
For 1990-2009 cars only
Makes
🢒
Pontiac
🢒
2001
🢒
Aztek - AWD
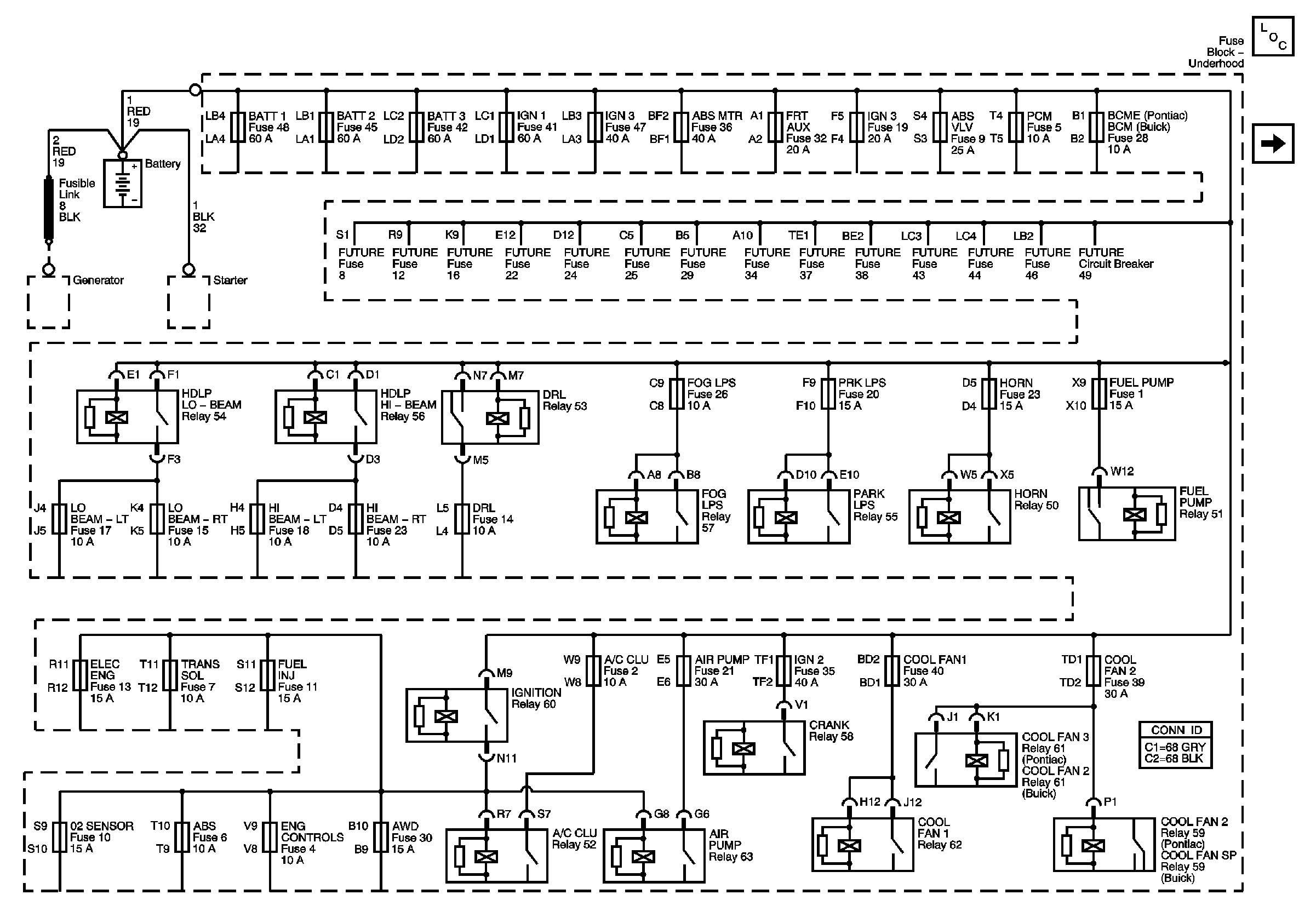
🢒 Fuse Block-underhood Buss
Fuse Block-underhood Buss
Fuse Block-Underhood Buss
Master Electrical Component List
Fuse Block-Underhood Fuse: 48 Fuse Block-Center Console Fuses: BCM LHZD FL HUD RADIO RD AMP and IP MDL