GM Service Manual Online
For 1990-2009 cars only
Makes
🢒
Pontiac
🢒
2001
🢒
Aztek - AWD
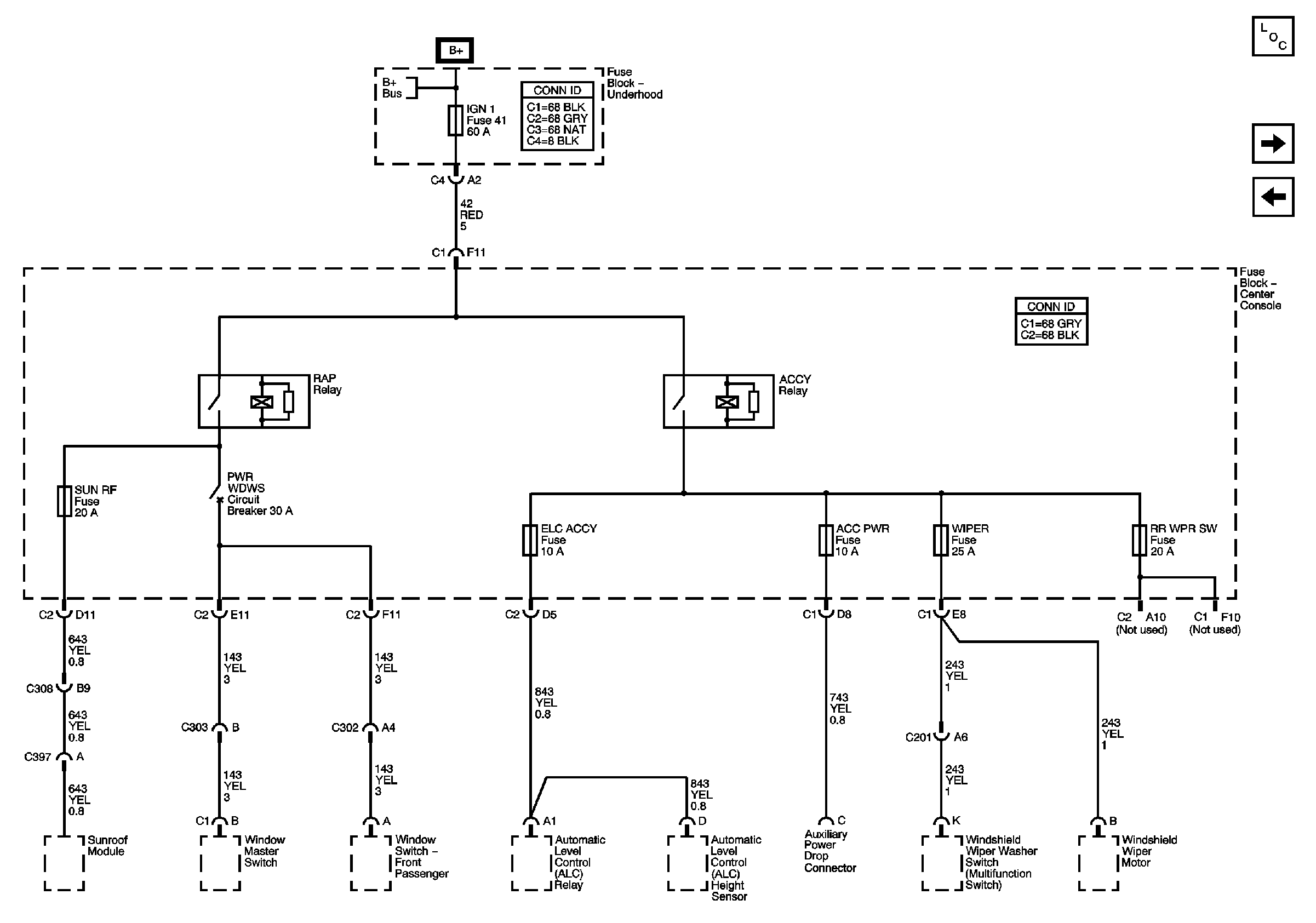
🢒 Fuse Block-Underhood Fuse: 41 Fuse Block-Center Console Fuses: SUN RF, ELC ACCY, ALC PWR, WIPER AND RR WPR SW
Fuse Block-Underhood Fuse: 41 Fuse Block-Center Console Fuses: SUN RF, ELC ACCY, ALC PWR, WIPER AND RR WPR SW
Fuse Block-Underhood Fuse: 41 Fuse Block- Center Console Fuses: SUN RF, ELC ACCY, ALC PWR, WIPER AND RR WPR SW
Master Electrical Component List
Underhood Fuses: 4, 6, 10, 27 and 30
Fuse Block-Underhood Fuses: 32, 36, 9, 5, and 28