GM Service Manual Online
For 1990-2009 cars only
Makes
🢒
Pontiac
🢒
2002
🢒
Aztek - AWD
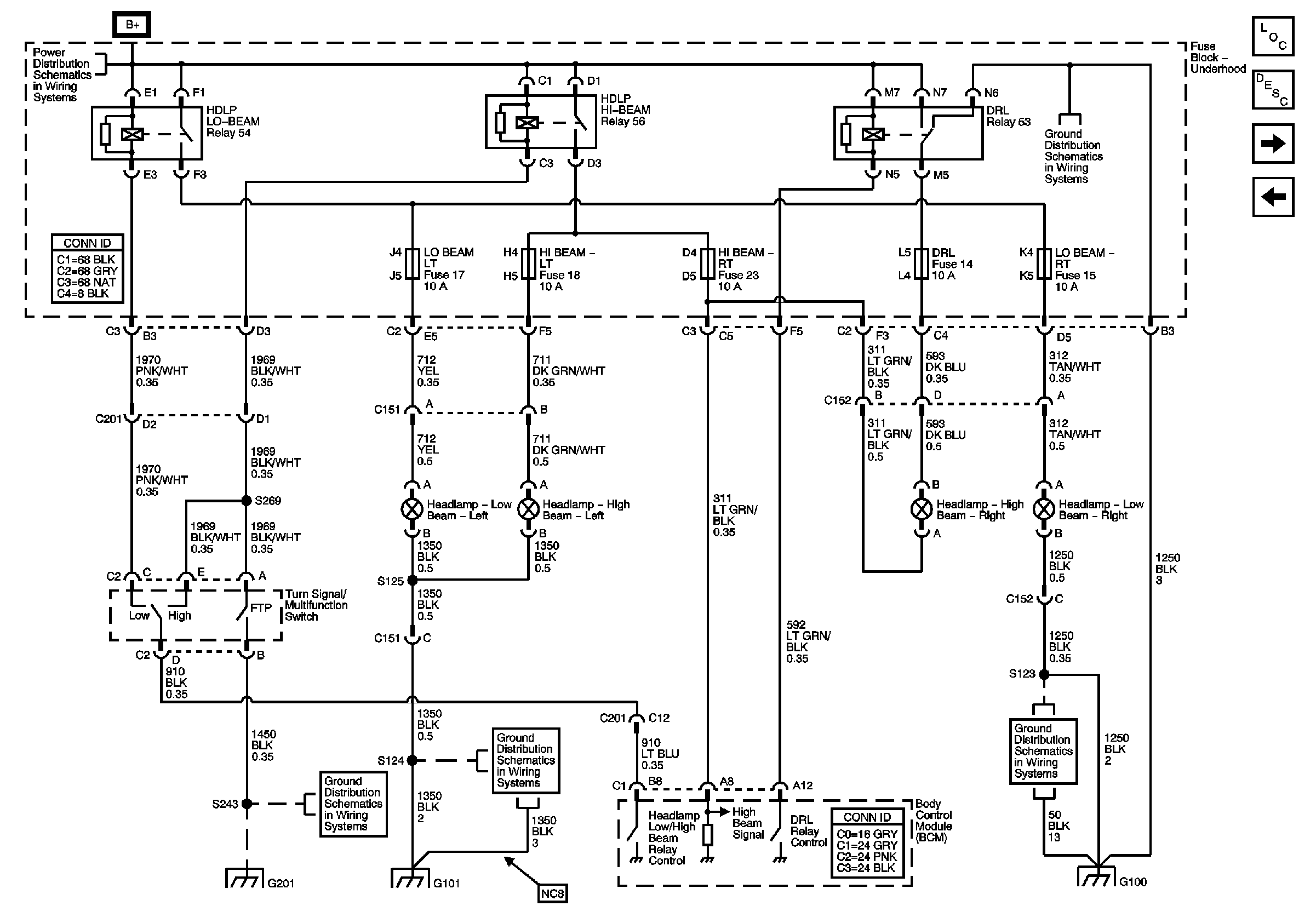
🢒 Dimming, Lamps, and Relays
Dimming, Lamps, and Relays
Lamps -Pontiac
Master Electrical Component List
Exterior Lighting Systems Description and Operation
Indicator, Lamp Control
Ground G100 Schematics
Fuse Block-Underhood Fuses: 42, 17, 15, 18, 23 and 14 Fuse Block-Center Console Fuses: HTD MIRR and RR DEF
Ground G202 Schematics
Ground G101 Schematics