GM Service Manual Online
For 1990-2009 cars only
Makes
🢒
Pontiac
🢒
2003
🢒
Aztek - AWD
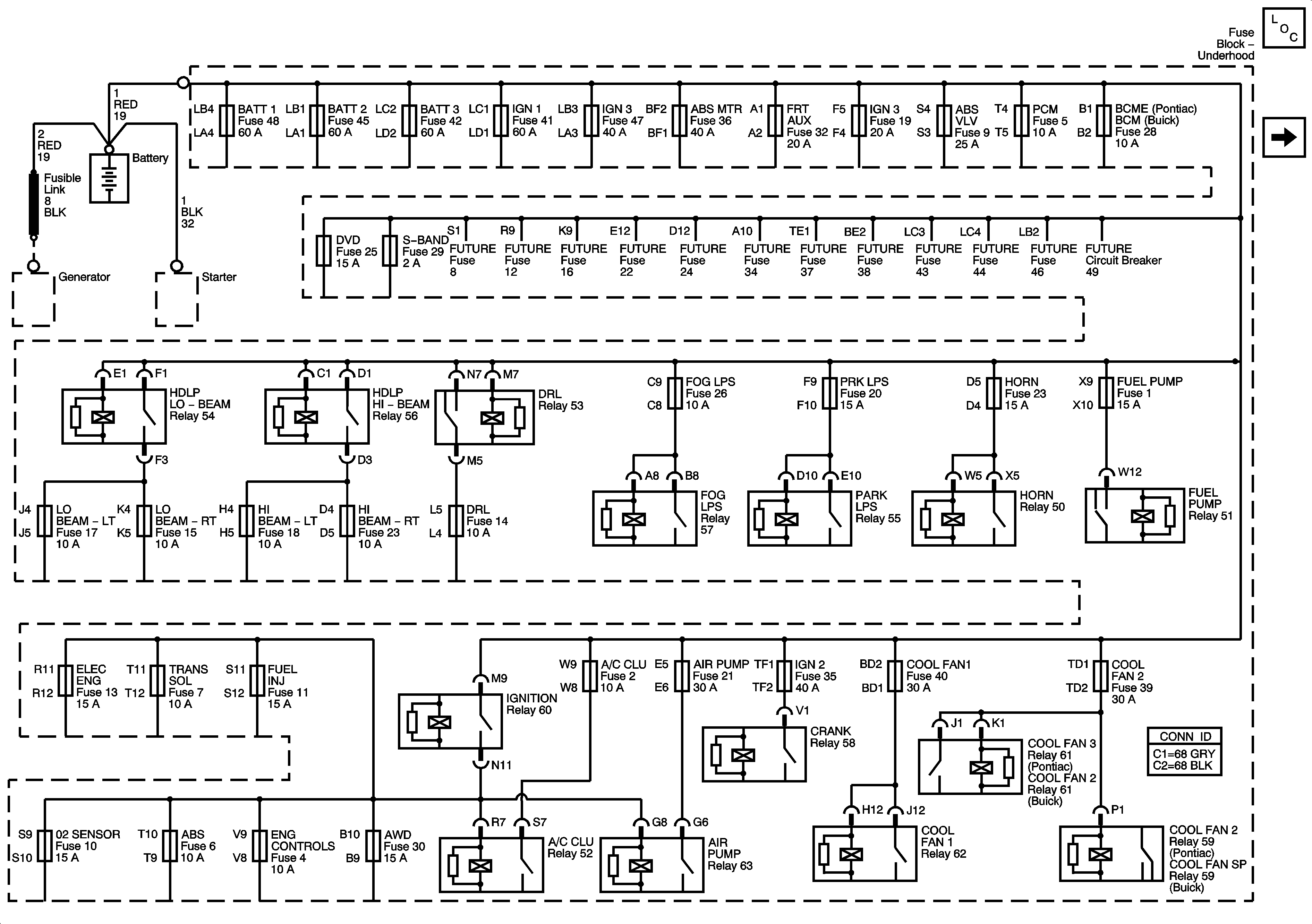
🢒 Fuse Block - Underhood Buss
Fuse Block - Underhood Buss
Fuse Block--Underhood Buss
Master Electrical Component List
Fuse Block-Underhood Fuse: 48, Fuse Block Center Console Fuses