GM Service Manual Online
For 1990-2009 cars only
Makes
🢒
Pontiac
🢒
2003
🢒
Aztek - AWD
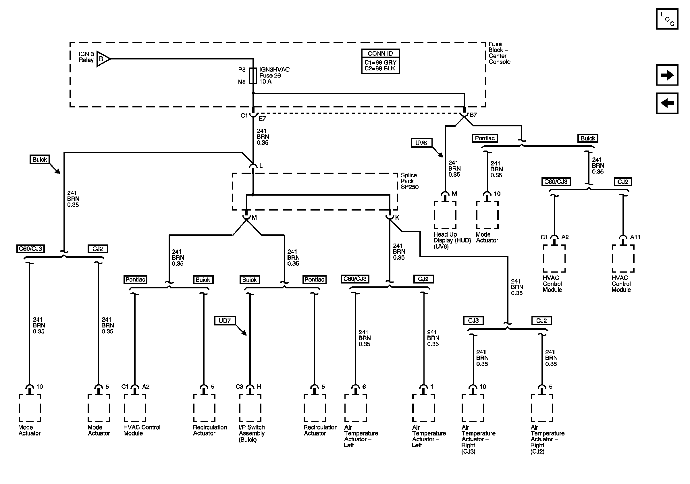
🢒 Fuse Block - Center Console Fuse: IGN 3 HVAC
Fuse Block - Center Console Fuse: IGN 3 HVAC
Fuse Block--Center Console Fuse: IGN 3 HVAC
Master Electrical Component List
Fuse Block Underhood Fuse: 19, Fuse Block Center Console
Fuse Block-Underhood Fuse: 47, Fuse Block Cent Console Fuses