GM Service Manual Online
For 1990-2009 cars only
Makes
🢒
Pontiac
🢒
2003
🢒
Aztek - AWD
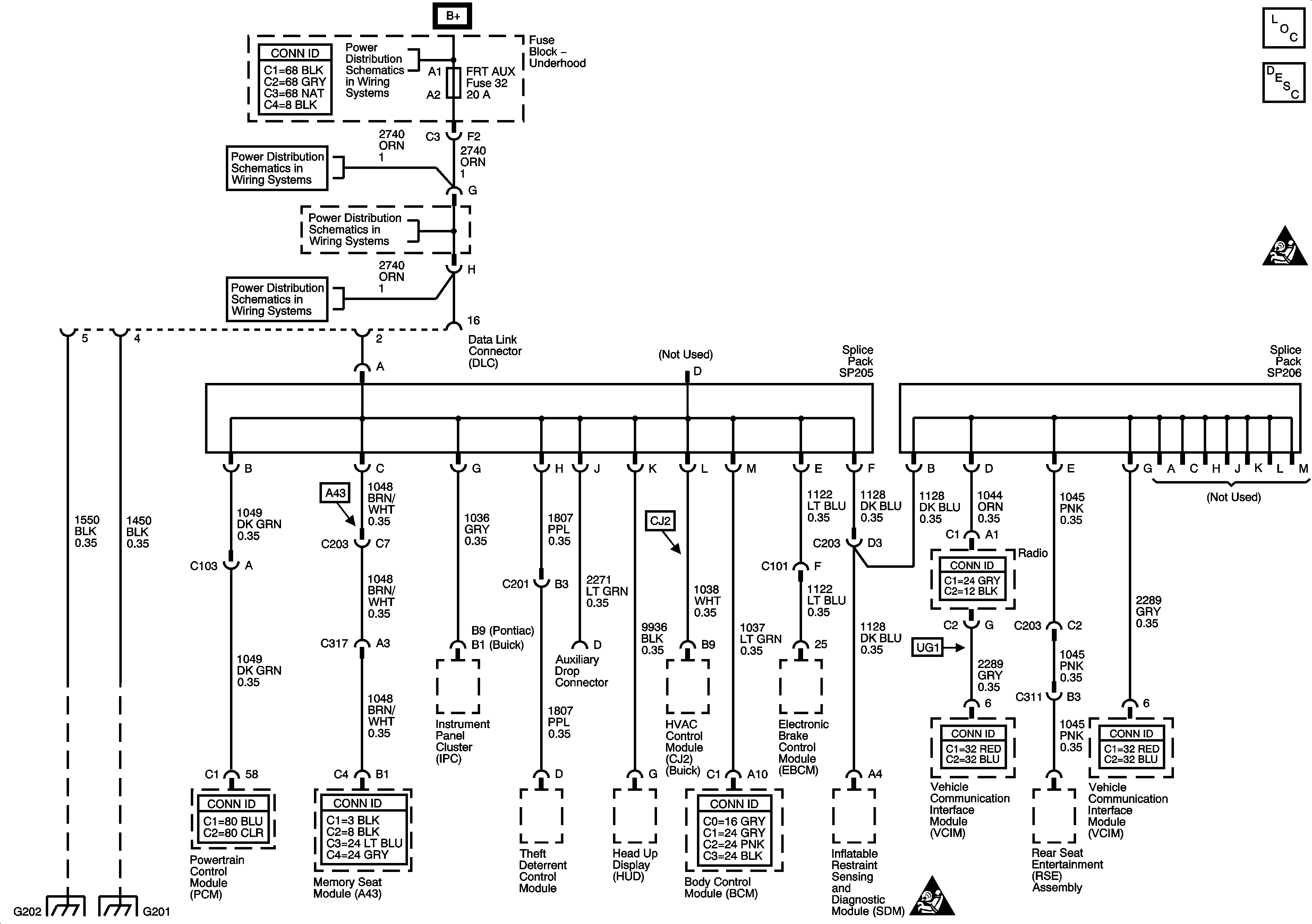
🢒 Data Link Connector (DLC) Schematics
Data Link Connector (DLC) Schematics
Master Electrical Component List
Data Link Communications Description and Operation
SIR Handling Caution
Fuse Block Underhood Fuses: 32, 36, 9, 5 and 28
Fuse Block Underhood Fuses: 32, 36, 9, 5 and 28
Fuse Block Underhood Fuses: 32, 36, 9, 5 and 28
Fuse Block Underhood Fuses: 32, 36, 9, 5 and 28
Ground G202 - Buick
Ground G201 - Buick