GM Service Manual Online
For 1990-2009 cars only

Removal Procedure

Caution: Refer to Brake Fluid Irritant Caution in the Preface section.

Notice: Refer to Brake Fluid Effects on Paint and Electrical Components Notice in the Preface section.

Notice: Always connect or disconnect the wiring harness connector from the EBCM/EBTCM with the ignition switch in the OFF position. Failure to observe this precaution could result in damage to the EBCM/EBTCM.

  1. Turn the ignition switch to the OFF position.
  2. Remove the air cleaner housing from the engine compartment. Refer to Air Cleaner Assembly Replacement in Engine Controls.

  3. Object Number: 230405  Size: SH
  4. Disconnect the EBCM harness connector.
  5. Brush off any dirt/debris that has accumulated on the assembly.
  6. Disconnect the pump motor connector (3) at the bottom of the EBCM.
  7. Important: 

       • Do not damage the seal by prying the EBCM from the BPMV.
       • Do not damage the solenoid valves while removing the EBCM from the BPMV.


    Object Number: 213438  Size: SH
  8. Remove the six EBCM to BPMV screws (2).

  9. Object Number: 255233  Size: SH
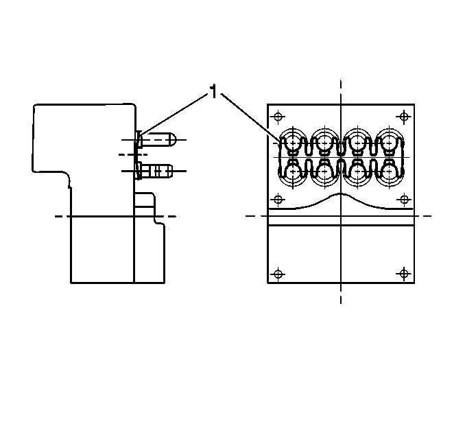
  10. Separate the EBCM from the BPMV by gently pulling apart until separated (1).

Installation Procedure

    Important: Use only new wave springs and screws supplied with the new EBCM.


    Object Number: 255233  Size: SH
  1. Clean the BPMV surface with alcohol using a clean rag.
  2. Install the EBCM  (1) to the BPMV .
  3. Notice: Use the correct fastener in the correct location. Replacement fasteners must be the correct part number for that application. Fasteners requiring replacement or fasteners requiring the use of thread locking compound or sealant are identified in the service procedure. Do not use paints, lubricants, or corrosion inhibitors on fasteners or fastener joint surfaces unless specified. These coatings affect fastener torque and joint clamping force and may damage the fastener. Use the correct tightening sequence and specifications when installing fasteners in order to avoid damage to parts and systems.

  4. Install the 6 screws that attaches the EBCM to BPMV.
  5. Tighten

        • Tighten the top 4 mounting screws to 5 N·m (44 lb in). Tighten screws in an X pattern.
        • Tighten the bottom 2 mounting screws to 5 N·m (44 lb in).
        • Connect the pump motor connector to the bottom of the EBCM.

    Object Number: 230405  Size: SH
  6. Connect the EBCM harness connector and depress the locking tab (1) to secure.
  7. Install the air cleaner housing. Refer to Air Cleaner Assembly Replacement in Engine Controls.
  8. Turn the ignition switch to the RUN position, do not start engine.
  9. Perform the Diagnostic System Check - ABS .