GM Service Manual Online
For 1990-2009 cars only
Makes
🢒
Pontiac
🢒
2004
🢒
Aztek - AWD
🢒
Restraints
🢒
SIR
🢒 SIR Schematics
Figure
1:
Pontiac
Master Electrical Component List
Figure
2:
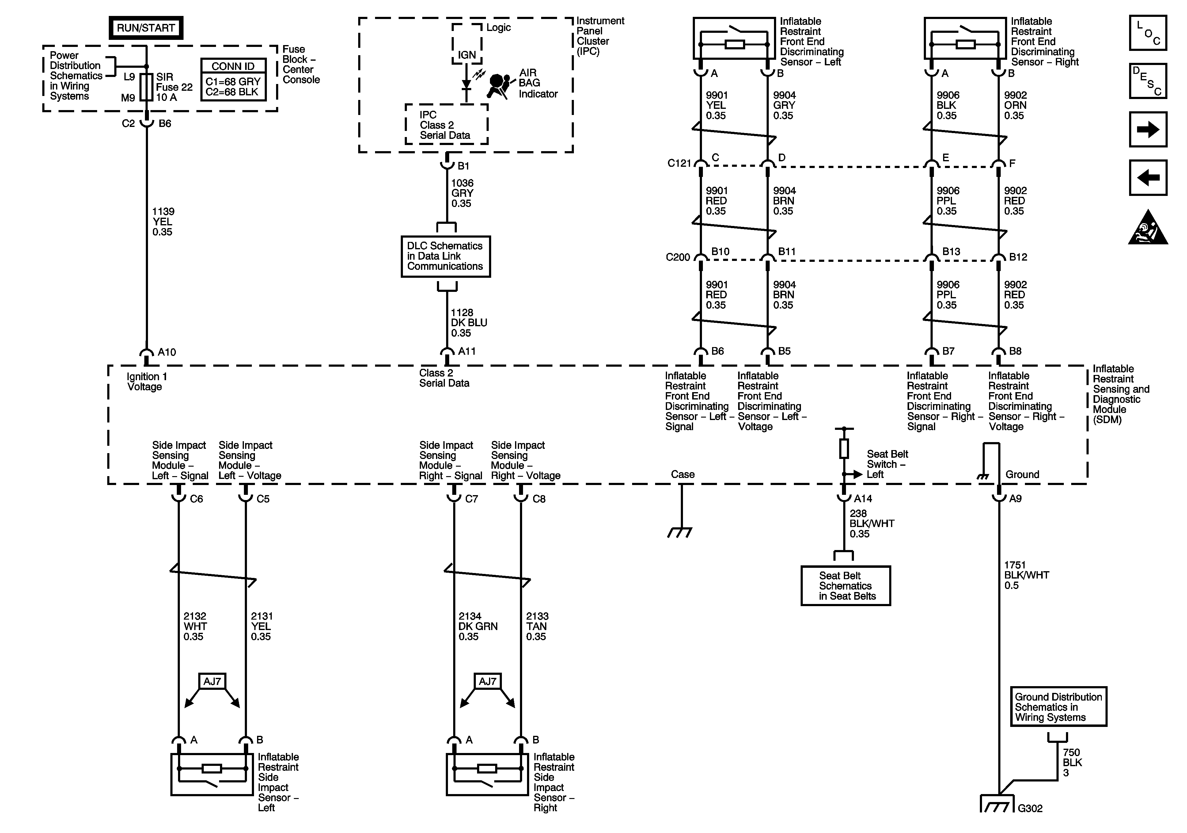
Power, Ground, Class 2 Serial Data and Inflatable Restraint Sensors -- Buick
Figure
3:
Seat Belt Pretensioners and Inflatable Restraint Modules -- Buick