GM Service Manual Online
For 1990-2009 cars only
Makes
🢒
Pontiac
🢒
2005
🢒
Aztek - AWD
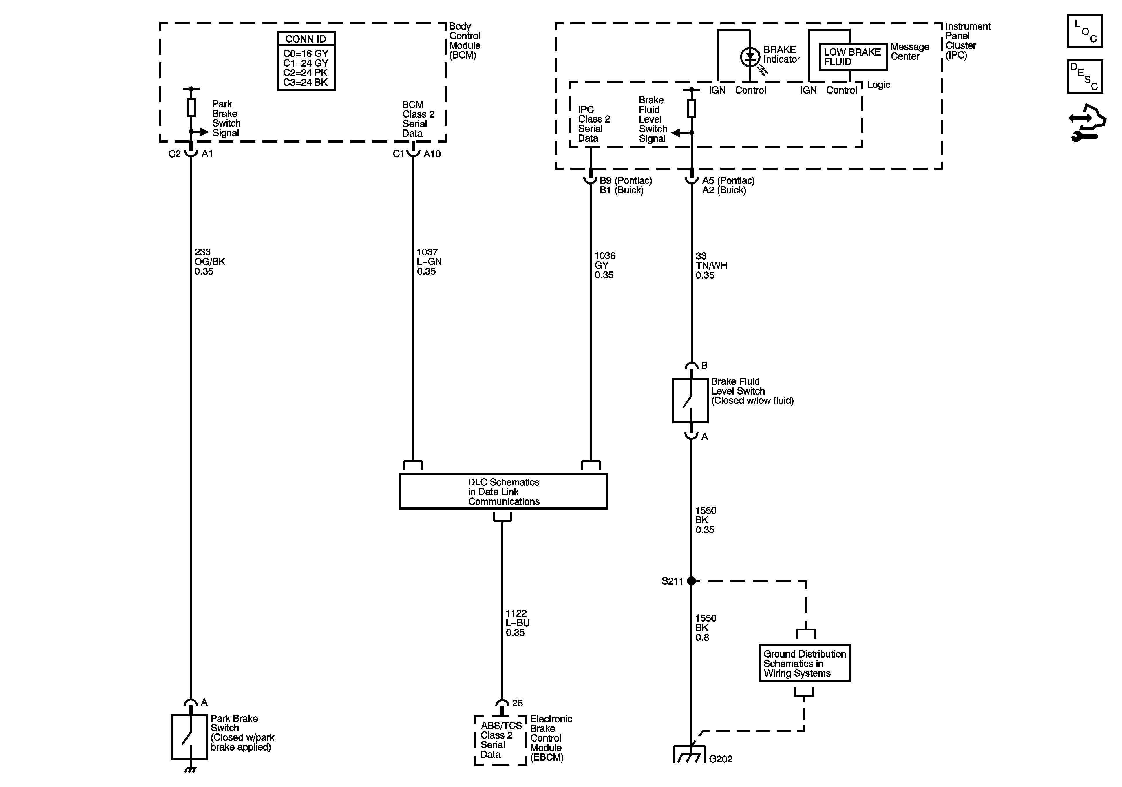
🢒 Brake Warning System Schematics
Brake Warning System Schematics
Master Electrical Component List
Control Module References
Data Link Connector (DLC)
G202
G202