GM Service Manual Online
For 1990-2009 cars only
Makes
🢒
Pontiac
🢒
2005
🢒
Aztek - AWD
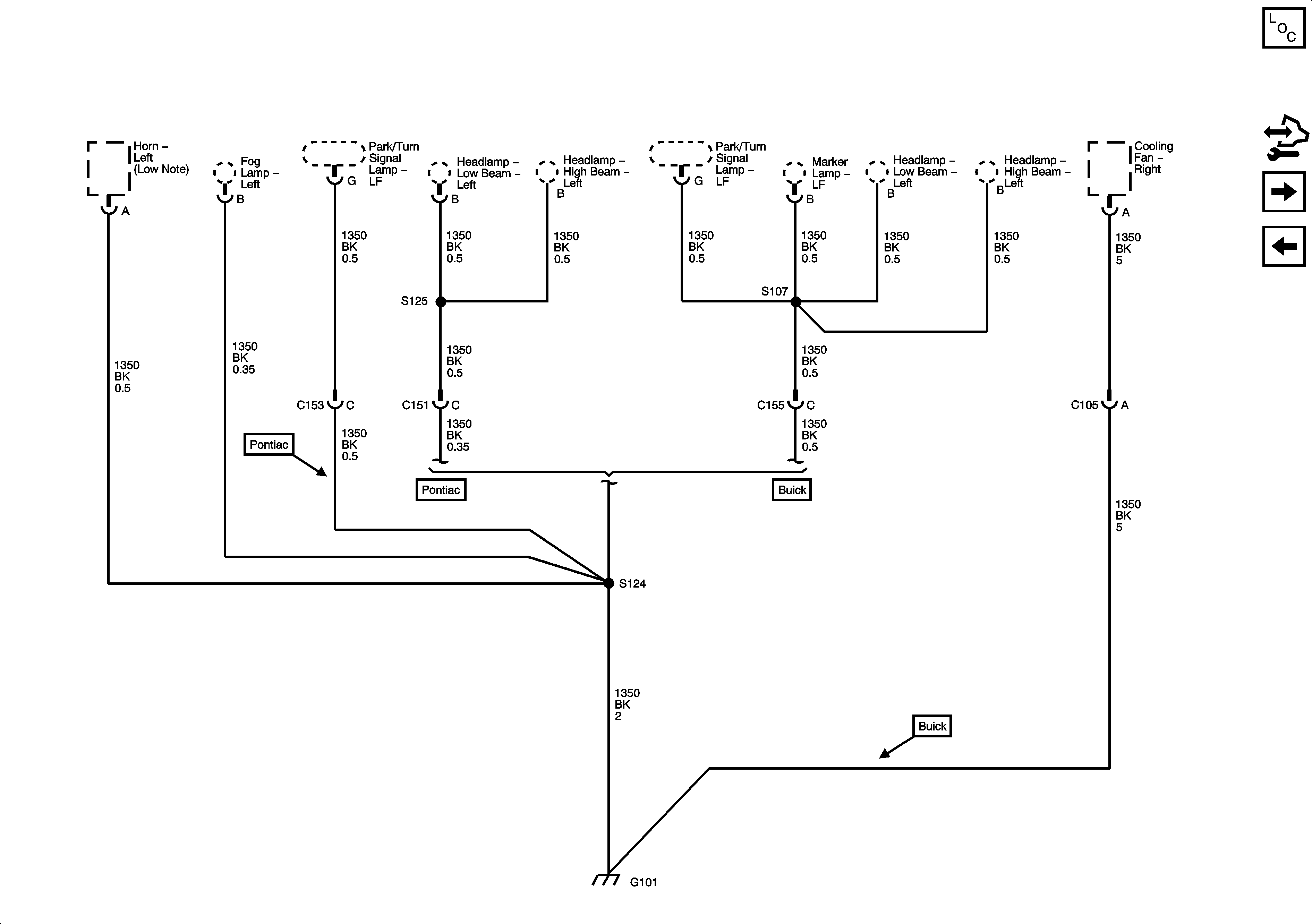
🢒 G101
G101
G101
Master Electrical Component List
Control Module References
G132 - LY7 and G111
G100