GM Service Manual Online
For 1990-2009 cars only
Makes
🢒
Pontiac
🢒
2005
🢒
Aztek - AWD
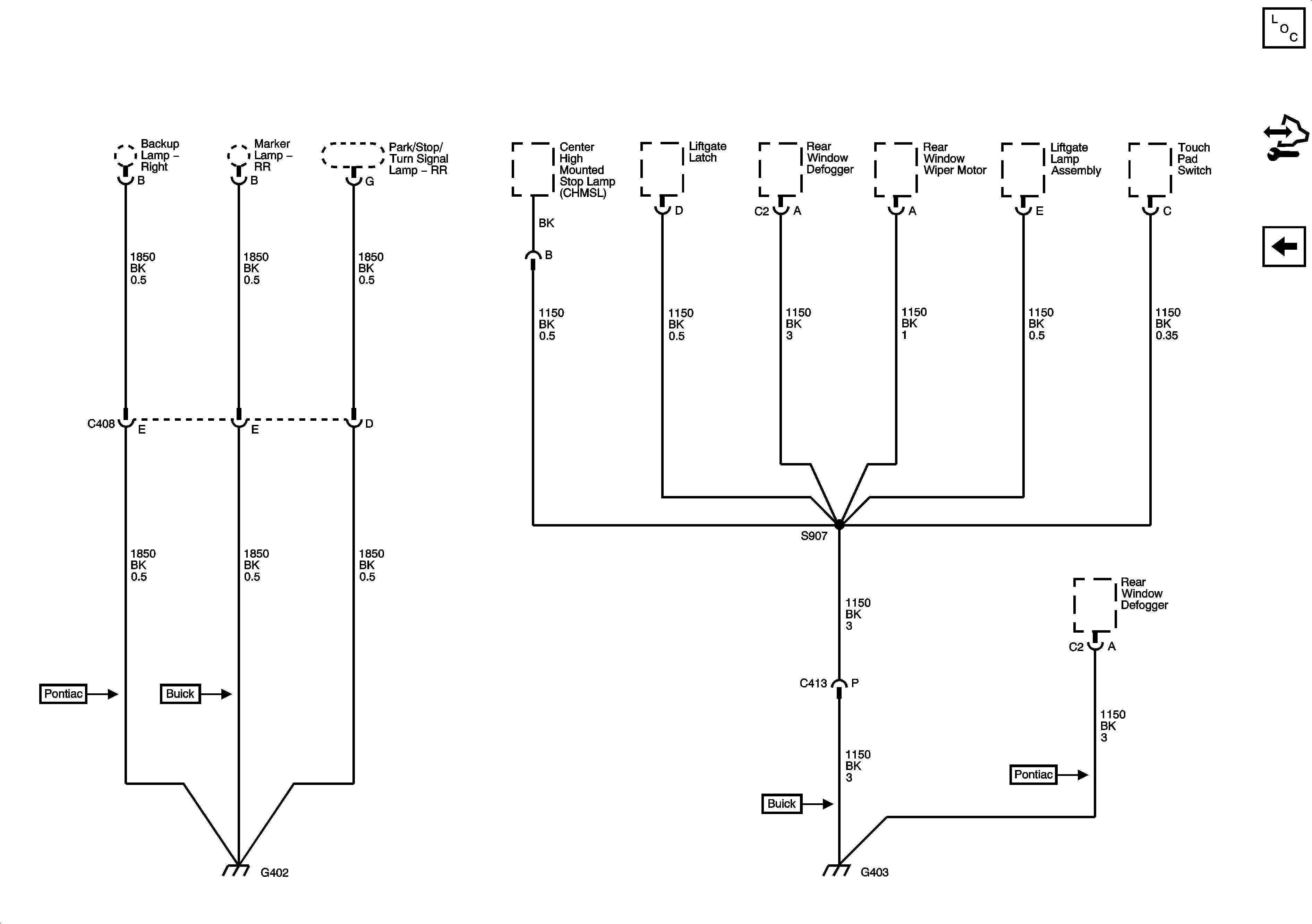
🢒 G402 and G403
G402 and G403
G402 and G403
Master Electrical Component List
Control Module References
G401