GM Service Manual Online
For 1990-2009 cars only
Makes
🢒
Pontiac
🢒
2005
🢒
Aztek - AWD
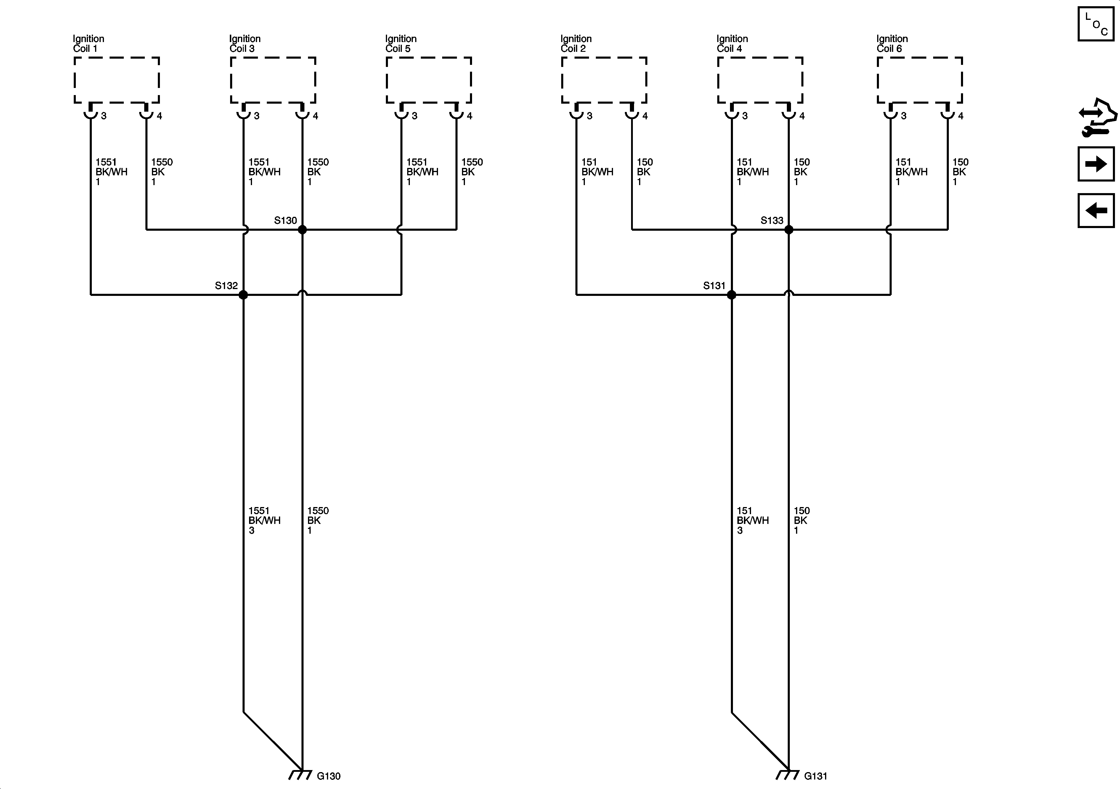
🢒 G130 and G131 - LY7
G130 and G131 - LY7
G130 and G131 - LY7
Master Electrical Component List
Control Module References
G200
G117