GM Service Manual Online
For 1990-2009 cars only

Removal Procedure

Caution: An electric fan under the hood can start up even when the engine is not running and can injure you. Keep hands, clothing and tools away from any underhood electric fan.

Caution: To help avoid personal injury or damage to the vehicle, a bent, cracked, or damaged fan blade or housing should always be replaced.


    Object Number: 368749  Size: SH
  1. Remove the cooling fan harness electrical connector.
  2. Loosen the engine mount strut bolts engine side.
  3. Remove the engine mount strut bracket brace bolts from the upper radiator support and rotate the struts and brackets rearward.
  4. Remove the air cleaner and duct assembly. Refer to Air Cleaner Assembly Replacement in Engine Controls - 3.4L.
  5. Remove right side diagnal brace. Refer to Front End Sheet Metal Diagonal Brace Replacement - Right Side in Body Front End.
  6. Remove upper radiator hose. Refer to Radiator Inlet Hose Replacement in Engine Cooling.

  7. Object Number: 739220  Size: SH
  8. Remove the cooling fan shroud bolts.
  9. Remove the transmission oil cooler lines from the transmission oil cooler line retainers.
  10. Reposition the engine wiring harness.
  11. Reposition and remove the cooling fans with the cooling fan shroud.

Installation Procedure

  1. Install the cooling fans with the cooling fan shroud.
  2. Reposition the engine wiring harness.

  3. Object Number: 739220  Size: SH

    Notice: Use the correct fastener in the correct location. Replacement fasteners must be the correct part number for that application. Fasteners requiring replacement or fasteners requiring the use of thread locking compound or sealant are identified in the service procedure. Do not use paints, lubricants, or corrosion inhibitors on fasteners or fastener joint surfaces unless specified. These coatings affect fastener torque and joint clamping force and may damage the fastener. Use the correct tightening sequence and specifications when installing fasteners in order to avoid damage to parts and systems.

  4. Install the cooling fan shroud bolts.
  5. Tighten
    Tighten the bolts to 6 N·m (53 lb in).

  6. Install the transmission oil cooler lines to the transmission oil cooler line retainers.
  7. Position engine and install the engine mount strut bracket brace bolts to the upper radiator support.
  8. Tighten
    Tighten bolts to 48 N·m (35 lb ft).


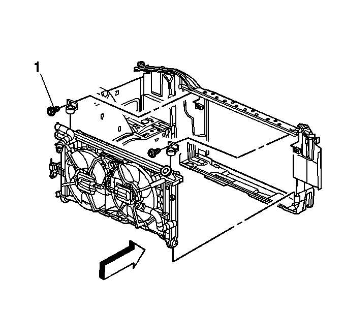
    Object Number: 368749  Size: SH
  9. Install the cooling fan harness electrical connector.
  10. Install the upper radiator hose. Refer to Radiator Inlet Hose Replacement in Engine Cooling.
  11. Install right side diagnal brace. Refer to Front End Sheet Metal Diagonal Brace Replacement - Right Side in Body Front End.
  12. Install the air cleaner and duct assembly. Refer to Air Cleaner Assembly Replacement in Engine Controls - 3.4L.