GM Service Manual Online
For 1990-2009 cars only

Removal Procedure

  1. Drain the engine coolant from the cooling system. Refer to Cooling System Draining and Filling in Engine Cooling.
  2. Raise and suitably support the vehicle. Refer to Lifting and Jacking the Vehicle in General Information.
  3. Remove the oil filter. Refer to Engine Oil Cooler Replacement .
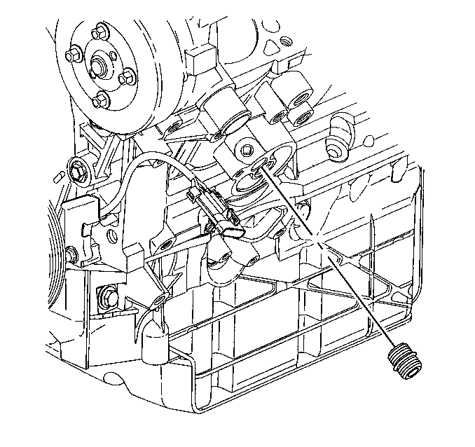
  4. Remove the oil cooler. Refer to Engine Oil and Oil Filter Replacement .

  5. Object Number: 96347  Size: SH
  6. Remove oil filter bypass hole plug.

  7. Object Number: 190505  Size: SH
  8. Insert a flat-bladed tool into the oil filter bypass hole and force the bypass valve (1 ) out.

  9. Object Number: 96363  Size: SH
  10. Remove the oil filter bypass valve.

  11. Object Number: 96355  Size: SH
  12. If necessary, remove the oil filter adapter.

Installation Procedure


    Object Number: 96355  Size: SH

    Notice: Use the correct fastener in the correct location. Replacement fasteners must be the correct part number for that application. Fasteners requiring replacement or fasteners requiring the use of thread locking compound or sealant are identified in the service procedure. Do not use paints, lubricants, or corrosion inhibitors on fasteners or fastener joint surfaces unless specified. These coatings affect fastener torque and joint clamping force and may damage the fastener. Use the correct tightening sequence and specifications when installing fasteners in order to avoid damage to parts and systems.

  1. If removed, install the oil filter adapter.
  2. Tighten
    Tighten the oil filter adapter to 39 N·m (29 lb ft).


    Object Number: 96363  Size: SH
  3. Install the oil filter bypass valve.

  4. Object Number: 190505  Size: SH
  5. Install the oil filter bypass valve (1) to the proper depth.

  6. Object Number: 96347  Size: SH
  7. Install oil filter bypass hole plug.
  8. Tighten
    Tighten the oil filter bypass hole plug to 19 N·m (14 lb ft).

  9. Install the oil cooler. Refer to Engine Oil Cooler Replacement .
  10. Install the oil filter. Refer to Engine Oil and Oil Filter Replacement .
  11. Lower the vehicle.
  12. Add engine oil as necessary. Refer to Engine Oil Cooler Replacement .
  13. Fill the cooling system with engine coolant. Refer to Cooling System Draining and Filling in Engine Cooling.