GM Service Manual Online
For 1990-2009 cars only
Figure 1:

Behind Engine, Under Vehicle


Object Number: 305319  Size: LF
(1)Heat Shield
(2)Catalytic Converter
(3)Heated Oxygen Sensor (HO2S) 2
Figure 2:

Lower Front Of Engine (LA1)


Object Number: 1390334  Size: LF
(1)Crankshaft Position (CKP) Sensor A Connector and Bracket
(2)Knock Sensor (KS) Connector
(3)Engine Oil Pressure (EOP) Switch Connector
(4)Starter Solenoid
(5)Starter Motor
(6)Fusible Links (Starter)
(7)A/C Compressor Clutch Diode
Figure 3:

Rear of Engine (LA1)


Object Number: 619189  Size: LF
(1)Engine Oil Level Switch
(2)Vehicle Speed Sensor (VSS)
(3)Crankshaft Position (CKP) Sensor B
(3)Heated Oxygen Sensor (HO2S) Sensor 1
Figure 4:

Lower Front Of Engine (LA1)


Object Number: 1390334  Size: LF
(1)Crankshaft Position (CKP) Sensor A Connector and Bracket
(2)Knock Sensor (KS) Connector
(3)Engine Oil Pressure (EOP) Switch Connector
(4)Starter Solenoid
(5)Starter Motor
(6)Fusible Links (Starter)
(7)A/C Compressor Clutch Diode
Figure 5:

LH Side of Engine Compartment


Object Number: 761638  Size: LF
(1)Powertrain Control Module
Figure 6:

Fuel Tank


Object Number: 761614  Size: LF
(1)Fuel Pump and Sender Assembly
(2)Fuel Pump
(3)Canister Vent Solenoid
(4)EVAP Canister
(5)Fuel Level Sender
Figure 7:

Throttle Body Assembly


Object Number: 757599  Size: LF
(1)Idle Air Control (IAC) Valve
(2)Throttle Position (TP) Sensor
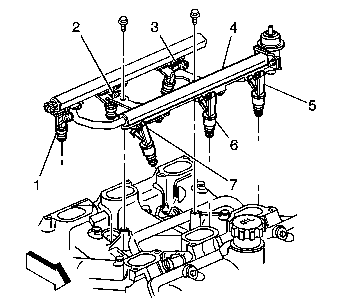
Figure 8:

Top of Engine (LA1)


Object Number: 741412  Size: SH
(1)Fuel Injector 2
(2)Fuel Injector 4
(3)Fuel Injector 6
(4)Fuel Rail
(5)Fuel Injector 5
(6)Fuel Injector 3
(7)Fuel Injector 1
Figure 9:

Left Rear of Engine (LA1)


Object Number: 531383  Size: LF
(1)Upper Intake Manifold
(2)Manifold Absolute Pressure (MAP) Sensor
(3)Secondary Ignition (Spark Plug) Wires
(4)Ignition Control Module (ICM) and Ignition Coils
(5)Heated Oxygen Sensor (HO2S) Sensor 1
(6)Crankshaft Position (CKP) Sensor B
(7)Exhaust Gas Recirculation (EGR) Valve
(8)Throttle Position (TP) Sensor
(9)Fuel Feed and Return Pipes
(10)Throttle Body
(11)Idle Air Control (IAC) Valve
(12)Positive Crankcase Ventilation (PCV) Valve
(13)Evaporative Emission (EVAP) Canister Purge Solenoid
(14)Camshaft Position (CMP) Sensor Harness Connector
Figure 10:

Left Top of Engine (LA1)


Object Number: 741405  Size: LF
(1)Exhaust Gas Recirculation (EGR) Valve
(2)Mass Air Flow (MAF) Sensor
(3)Intake Air Temperature (IAT) Sensor
Figure 11:

Rear of Engine


Object Number: 760737  Size: LF
(1)Camshaft Position (CMP) Sensor
Figure 12:

Behind Engine, Under Vehicle


Object Number: 305319  Size: LF
(1)Heat Shield
(2)Catalytic Converter
(3)Heated Oxygen Sensor (HO2S) Sensor 2
Figure 13:

Left Front of Intake Manifold (LA1)


Object Number: 447391  Size: LF
(1)Fuel Injection Wiring Harness
(2)Engine Coolant Temperature (ECT) Sensor Connector
(3)Engine Coolant Temperature (ECT) Sensor
Figure 14:

LH Side of Engine (LA1)


Object Number: 760722  Size: LF
(1)Generator
(2)Ignition Control Module (ICM)
(3)Heated Oxygen Sensor (HO2S) 1
(4)Ignition Coils