GM Service Manual Online
For 1990-2009 cars only

Tools Required

J 37043 Park Brake Cable Release Tool

Removal Procedure

  1. Remove the left-side instrument panel insulator. Refer to Cowl Side Trim Panel Replacement .
  2. Remove the left-side door sill plate. Refer to Front Side Door Sill Plate Replacement .
  3. Fold back the carpet for access.
  4. Raise and support the vehicle. Refer to Lifting and Jacking the Vehicle .

  5. Object Number: 474301  Size: SH
  6. Loosen the park brake cable equalizer nut in order to remove the park brake left side cable from the park brake equalizer.

  7. Object Number: 474297  Size: SH
  8. Remove the park brake cable end from the park brake cable connector.
  9. Remove the park brake cable from the park brake cable equalizer.

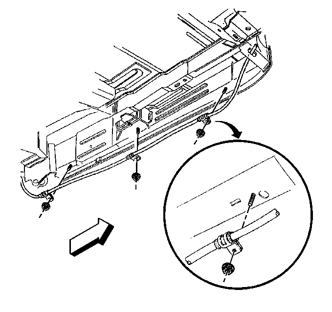
  10. Object Number: 181477  Size: SH
  11. Remove the park brake cable from the park brake cable guides.
  12. Remove the park brake cable nuts from the underbody studs.
  13. Remove the park brake cable clips from the park brake cable.
  14. Lower the vehicle.

  15. Object Number: 177096  Size: SH
  16. Remove the park brake cable end from the park brake lever clevis.

  17. Object Number: 177173  Size: SH
  18. Use the J 37043 in order to remove the cable from the lever.
  19. Remove the front park brake cable from the vehicle.

Installation Procedure

  1. Install the front park brake cable to the vehicle.

  2. Object Number: 181468  Size: SH
  3. Install the park brake cable to the park brake lever.

  4. Object Number: 177096  Size: SH
  5. Install the park brake cable end to the park brake lever clevis.
  6. Raise and support the vehicle. Refer to Lifting and Jacking the Vehicle .

  7. Object Number: 181477  Size: SH
  8. Install the park brake cable clips to the park brake cable shielded areas.
  9. Notice: Use the correct fastener in the correct location. Replacement fasteners must be the correct part number for that application. Fasteners requiring replacement or fasteners requiring the use of thread locking compound or sealant are identified in the service procedure. Do not use paints, lubricants, or corrosion inhibitors on fasteners or fastener joint surfaces unless specified. These coatings affect fastener torque and joint clamping force and may damage the fastener. Use the correct tightening sequence and specifications when installing fasteners in order to avoid damage to parts and systems.

  10. Install the park brake cable nuts to the underbody studs.
  11. Tighten
    Tighten the park brake cable nuts to 3 N·m (27 lb in).

  12. Install the park brake cable to the park brake cable guides.
  13. Install the park brake cable to the park brake equalizer.

  14. Object Number: 474297  Size: SH
  15. Install the park brake cable end to the park brake cable connector.

  16. Object Number: 474301  Size: SH
  17. Install the park brake left side cable to the park brake equalizer.
  18. Adjust the park brake cable. Refer to Park Brake Adjustment .
  19. Lower the vehicle.
  20. Fold the carpet back in place.
  21. Install the left-side door sill plate. Refer to Front Side Door Sill Plate Replacement .
  22. Install the left-side instrument panel insulator. Refer to Cowl Side Trim Panel Replacement .