GM Service Manual Online
For 1990-2009 cars only
Makes
🢒
Pontiac
🢒
2001
🢒
Aztek - FWD
🢒
Brakes
🢒
Antilock Brake System
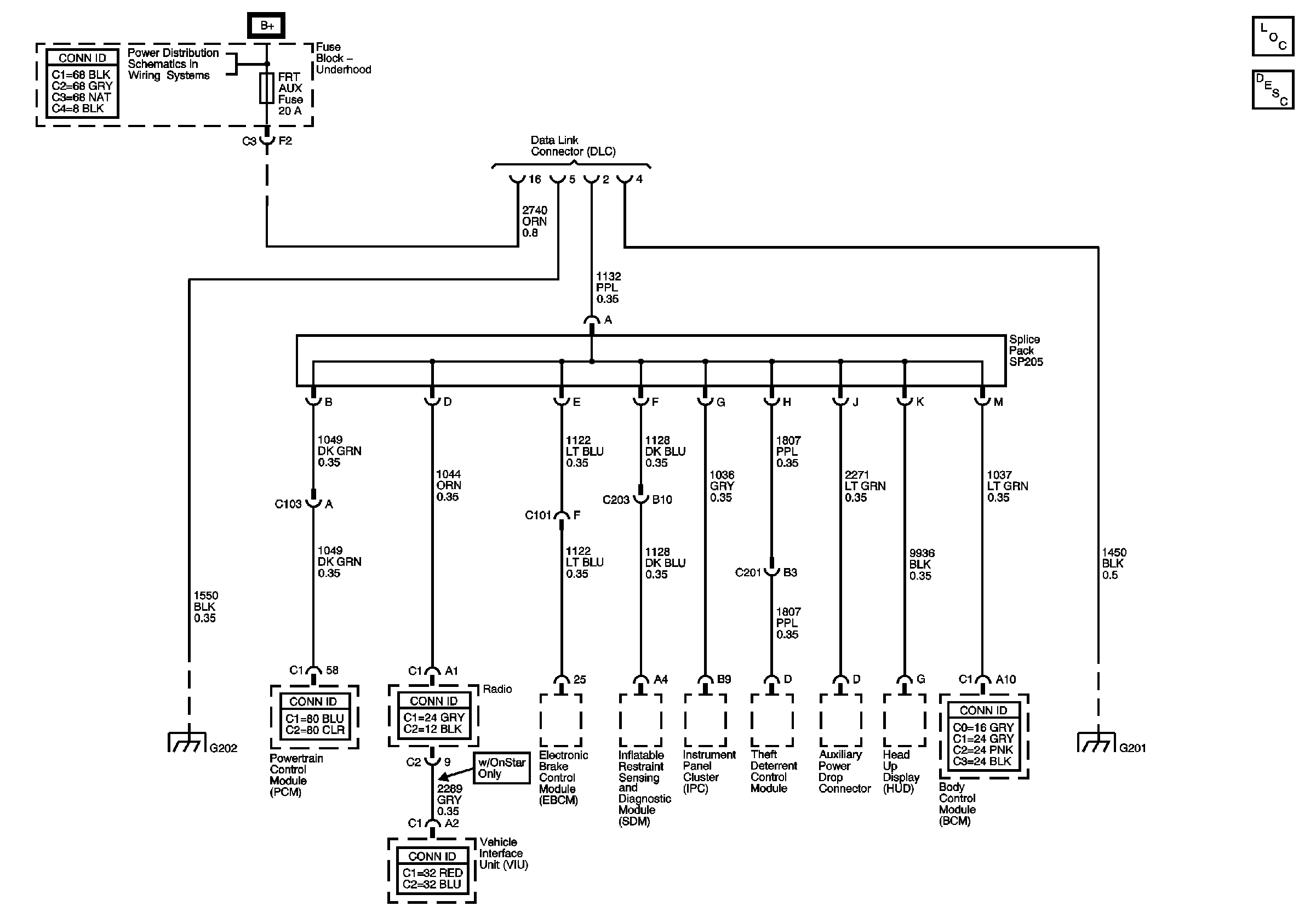
🢒 Data Link Connector Schematics
Master Electrical Component List
Data Link Communications Description and Operation
Fuse Block-Underhood Fuses: 32, 36, 9, 5, and 28