GM Service Manual Online
For 1990-2009 cars only
Makes
🢒
Pontiac
🢒
2001
🢒
Aztek - FWD
🢒
Body and Accessories
🢒
Horns
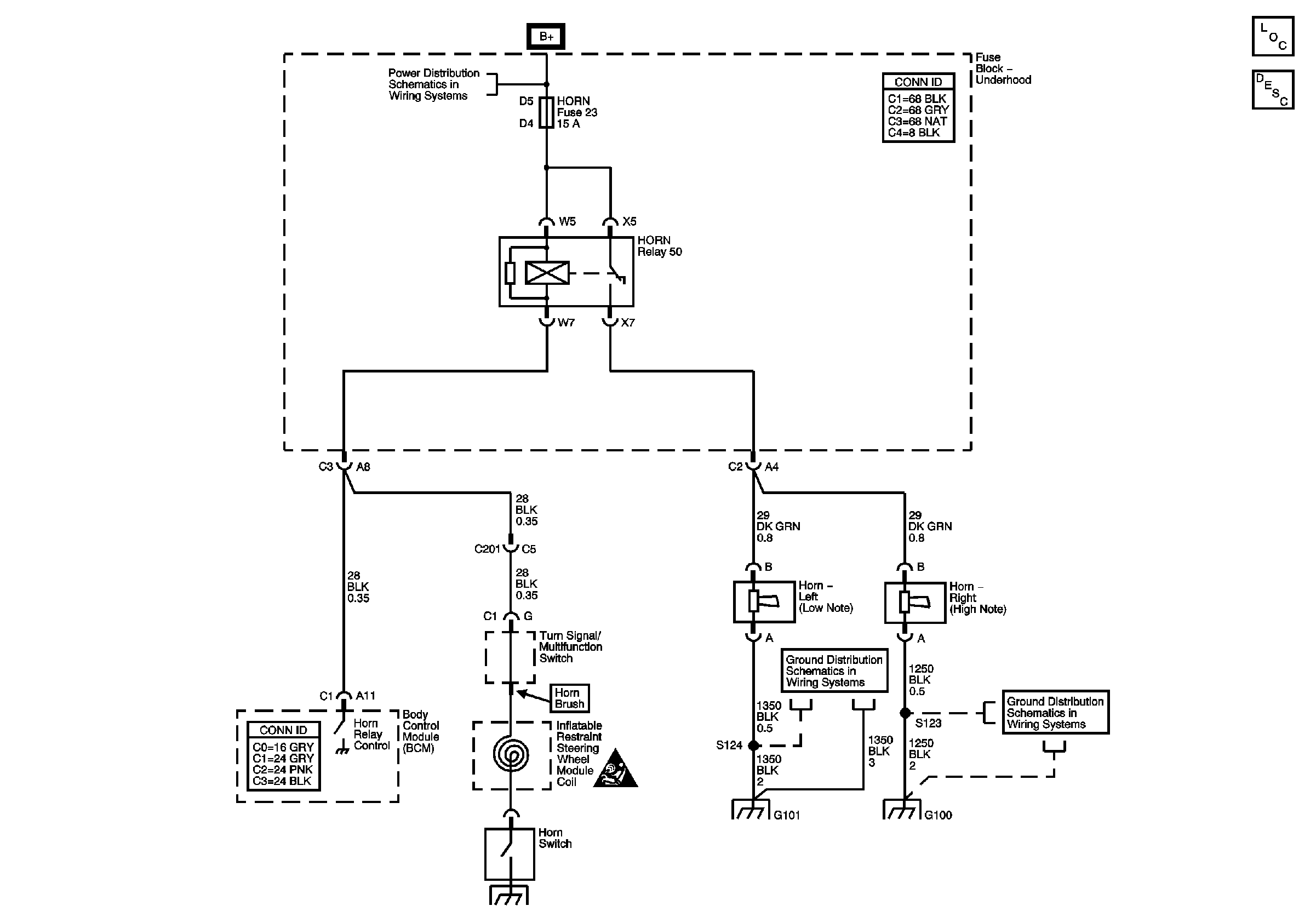
🢒 Horn Schematics
Master Electrical Component List
Horns System Description and Operation
Fuse Block-underhood Buss
Ground G101
Ground G100
Ground G101
Ground G100