GM Service Manual Online
For 1990-2009 cars only
Makes
🢒
Pontiac
🢒
2001
🢒
Aztek - FWD
🢒
Body and Accessories
🢒
Retained Accessory Power
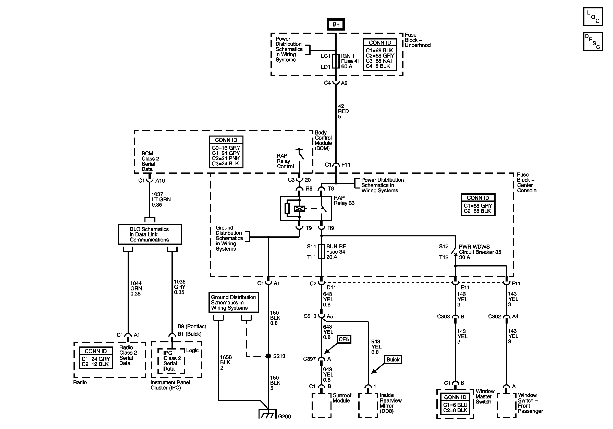
🢒 Retained Accessory Power (RAP) Schematics
Master Electrical Component List
Retained Accessory Power (RAP) Description and Operation
Fuse Block-Underhood Fuse: 41 Fuse Block-Center Console Fuses: SUN RF, ELC ACCY, ALC PWR, WIPER AND RR WPR SW