GM Service Manual Online
For 1990-2009 cars only
Makes
🢒
Pontiac
🢒
2001
🢒
Aztek - FWD
🢒
Body and Accessories
🢒
Wiring Systems
🢒 Door Lock/Indicator Schematics
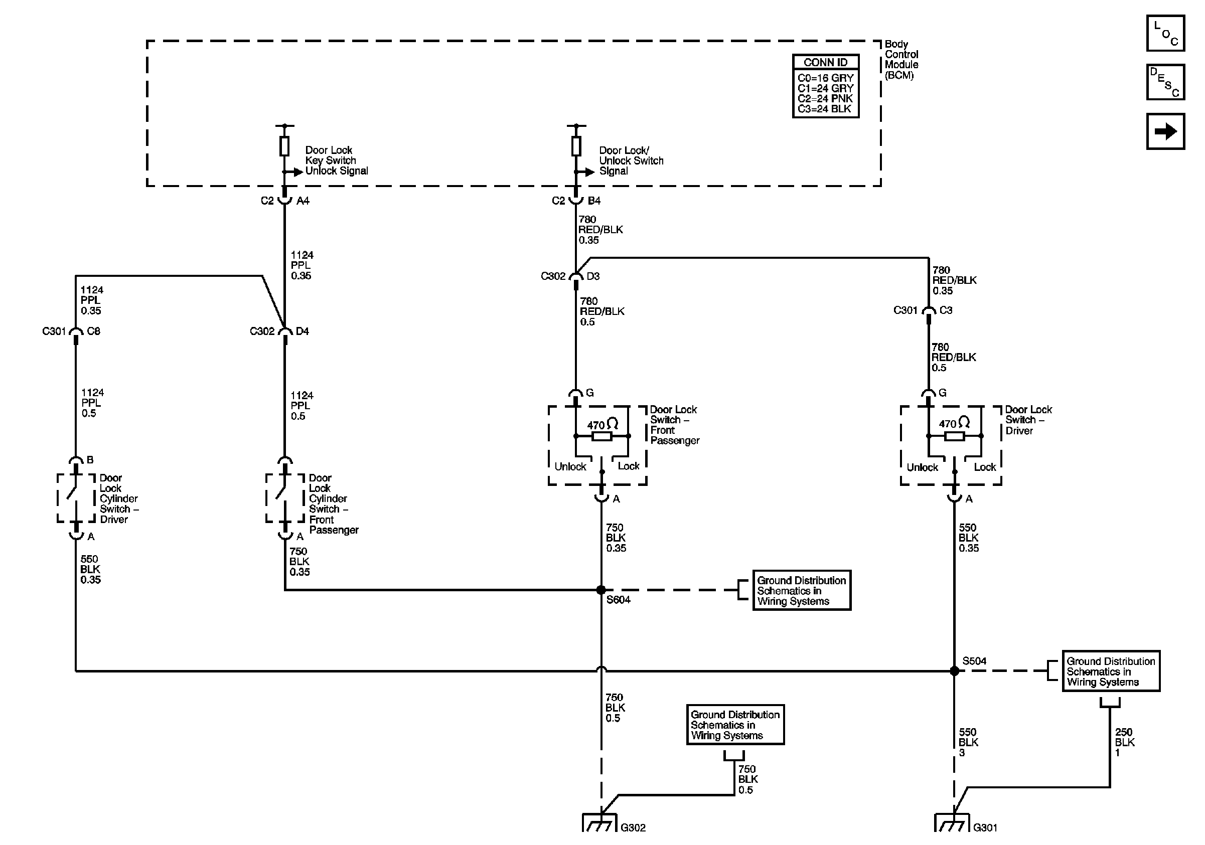
Figure
1:
Switches
Master Electrical Component List
Power Door Locks Description and Operation
Door Ajar Indicator
Ground G302
Ground G301
Ground G302
Ground G302
Ground G301
Figure
2:
Door Ajar Indicator
Master Electrical Component List
Power Door Locks Description and Operation
Door Lock Actuators
Front Door Lock Switches and Cylinders
Data Link Communications Schematics - GMT250
Door Ajar Switches
Door Ajar Switches
Door Ajar Switches
Door Ajar Switches
Ground G301
Ground G302
Ground G301
Ground G302
Ground G301
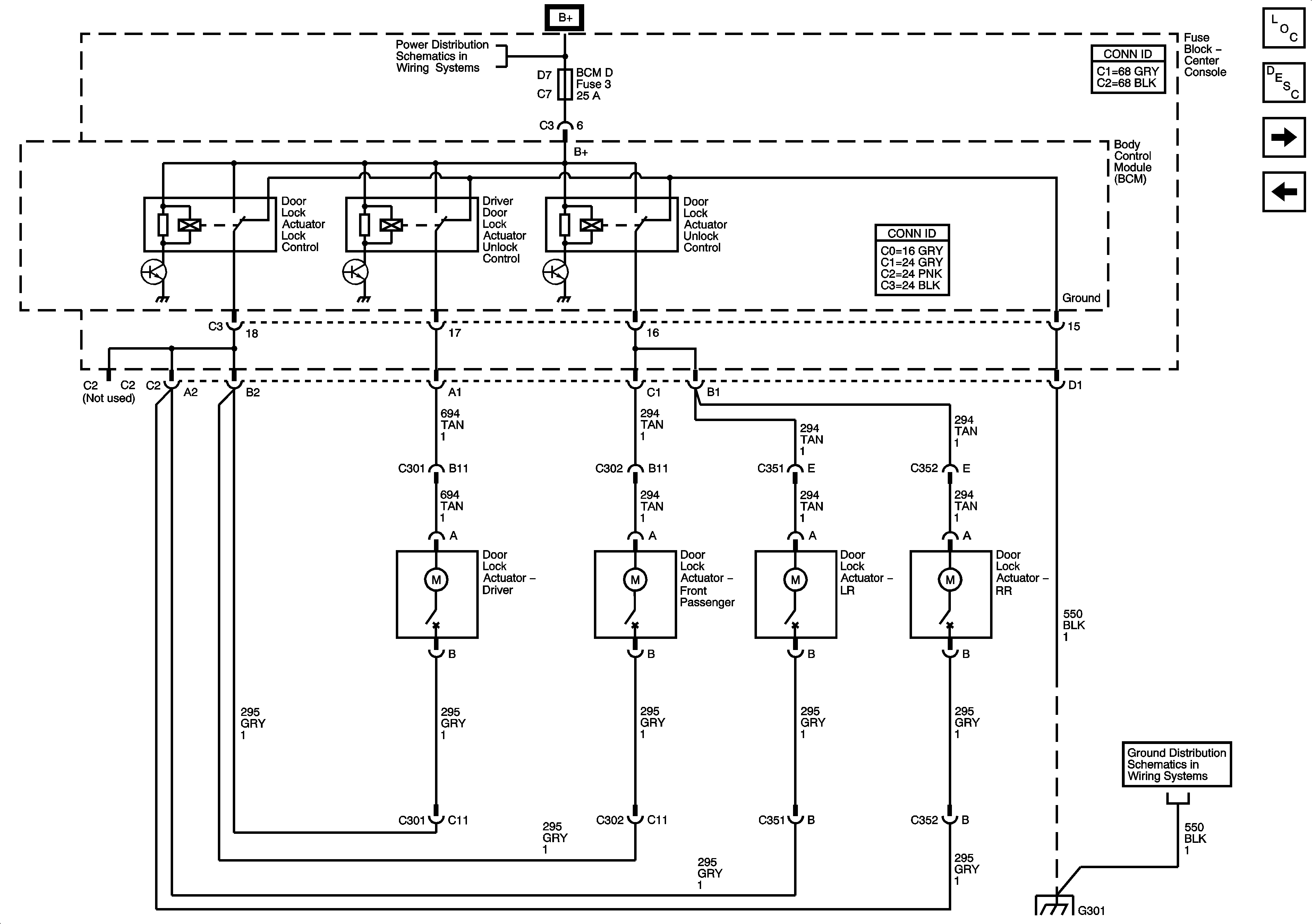
Figure
3:
Actuators
Master Electrical Component List
Power Door Locks Description and Operation
Door Ajar Indicator
Fuse Block-Underhood Fuse: 45 Fuse Block-Center Console Fuses: BCM D, GATE REL, RR AUX, PWR MIR, ELC BATT AND THE PWR STS Circuit Breaker
Ground G301
Ground G301