GM Service Manual Online
For 1990-2009 cars only

Tools Required

J 24270 Ridge Reamer


    Object Number: 11497  Size: SH
  1. Rotate the crankshaft to place the piston at the bottom of the piston stroke.
  2. Place a cloth on top of the piston.
  3. Use the J 24270 to remove the ridge at the top of the cylinder bore.
  4. Remove cloth.
  5. Remove cutting debris from the cylinder and piston.

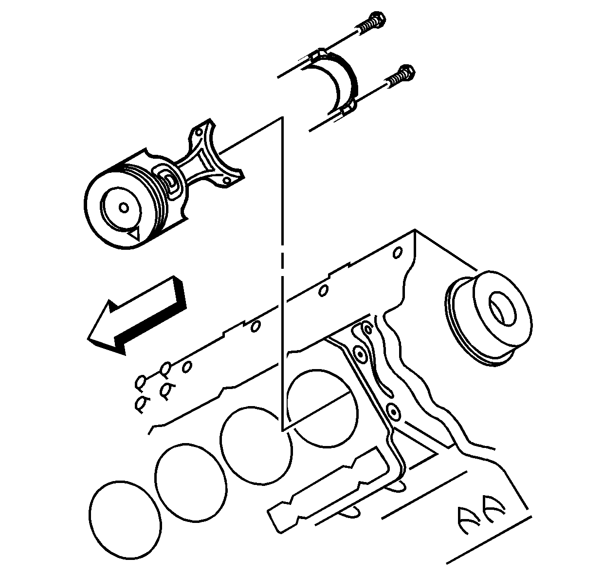
  6. Object Number: 660550  Size: SH
  7. Remove the connecting rod cap bolts. Set the bolts aside for use in plastic gauging if needed. New bolts will be used for final assembly.
  8. Remove the connecting rod cap.
  9. Remove the bearing insert from connecting rod.

  10. Object Number: 660551  Size: SH
  11. Push piston assembly out of cylinder.
  12. Reassemble the connecting rod bearing, cap, and bolts upon removal.