GM Service Manual Online
For 1990-2009 cars only
Makes
🢒
Pontiac
🢒
2001
🢒
Aztek - FWD
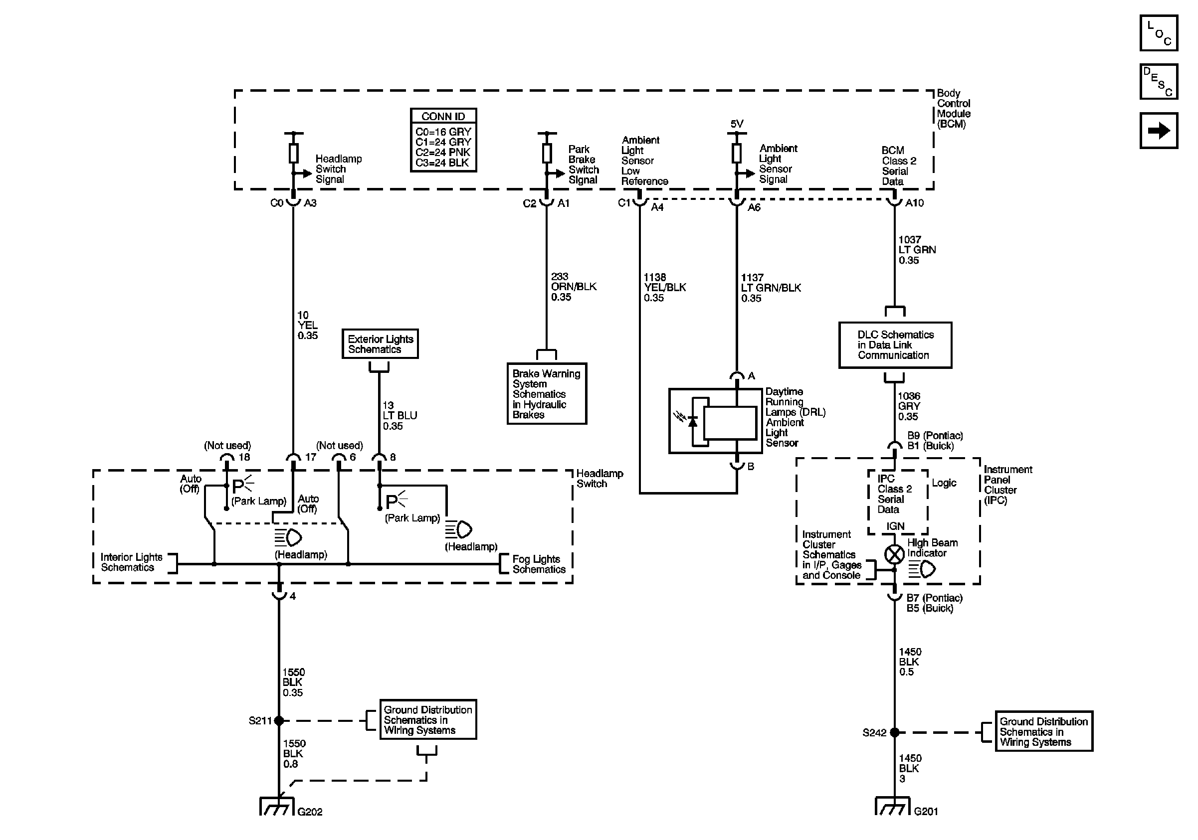
🢒 Headlamp Switch, BCM, Ambient Light Sensor
Headlamp Switch, BCM, Ambient Light Sensor
Headlamp Switch and Light Sensor
Master Electrical Component List
Exterior Lighting Systems Description and Operation
Headlamps, Headlamp Dimmer Switch, DRL Relay, and HDLP Relays
Data Link Communications Schematics - GMT250
Foglamps
Ground G201
Ground G201
Backlighting, Turn Signals Indicators, Discrete Indicators
Ground G200 (1 of 2)