GM Service Manual Online
For 1990-2009 cars only
Makes
🢒
Pontiac
🢒
2001
🢒
Aztek - FWD
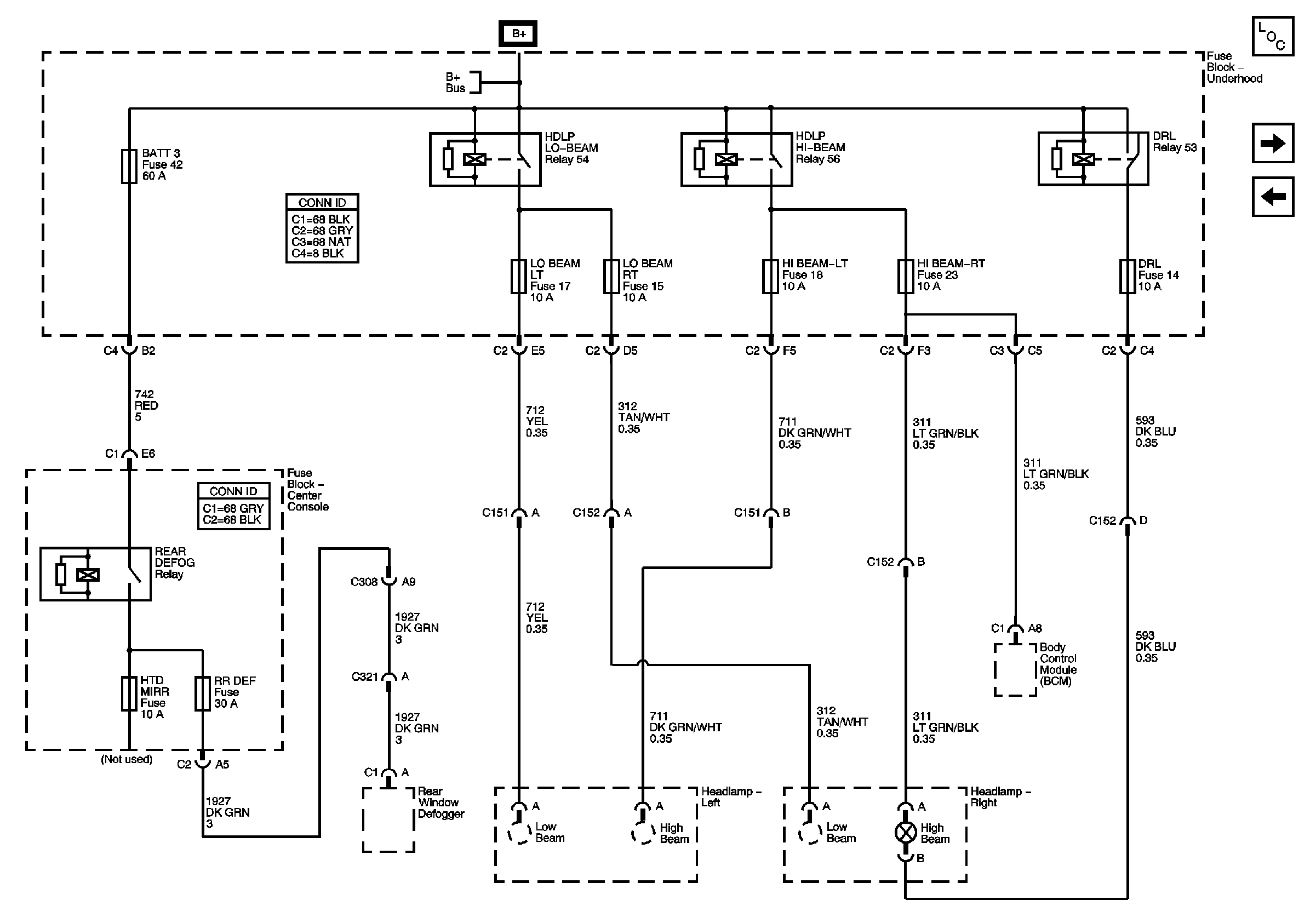
🢒 Fuse Block-Underhood Fuses: 42, 17, 15, 18, 23, and 42
Fuse Block-Underhood Fuses: 42, 17, 15, 18, 23, and 42
Fuse Block-Underhood Fuses: 42, 17, 15, 18, 23 and 14
Master Electrical Component List
Fuse Block-Center Console Fuse: STG COL
Fuse Block-Underhood Fuses: 11 and 7