GM Service Manual Online
For 1990-2009 cars only
Makes
🢒
Pontiac
🢒
2001
🢒
Aztek - FWD
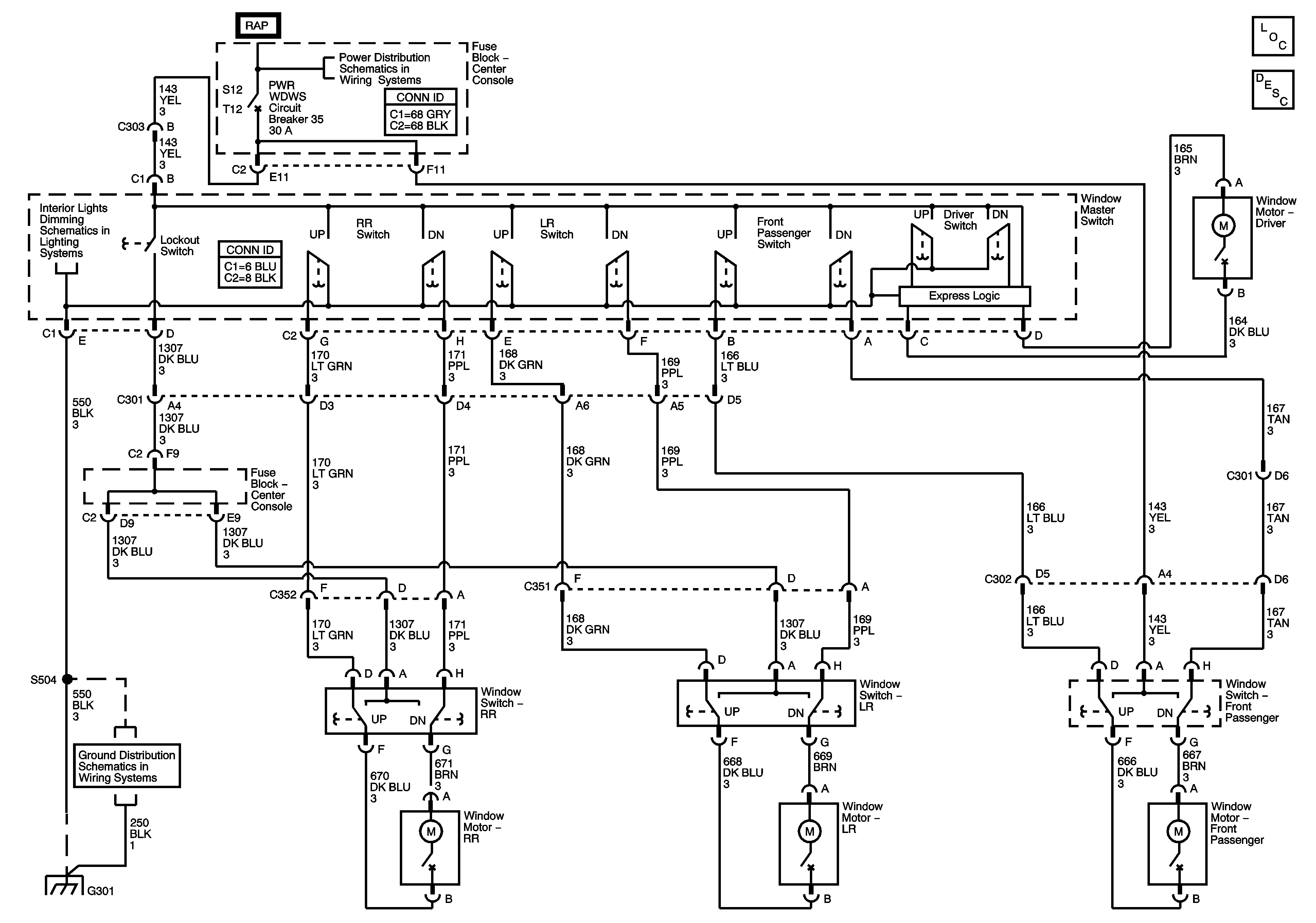
🢒 01 B-VAN DOORS: POWER WINDOWS
01 B-VAN DOORS: POWER WINDOWS
Master Electrical Component List
Power Windows Description and Operation
Fuse Block-Underhood Fuse: 41 Fuse Block-Center Console Fuses: SUN RF, ELC ACCY, ALC PWR, WIPER AND RR WPR SW
Headlamp Switch, BCM, Door Switches, Steering Wheel Controls, Radio Rear Seat Audio
Ground G301
Ground G301