GM Service Manual Online
For 1990-2009 cars only
Makes
🢒
Pontiac
🢒
2001
🢒
Aztek - FWD
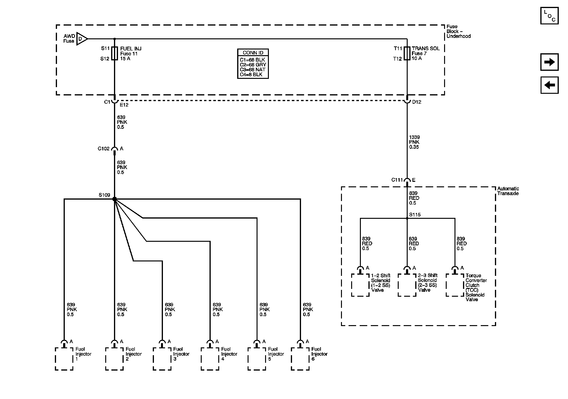
🢒 Fuse Block-Underhood Fuses: 11 and 7
Fuse Block-Underhood Fuses: 11 and 7
Fuse Block--Underhood FUEL INJ and TRANS SOL Fuses
Master Electrical Component List
Fuse Block-Underhood Fuses: 42, 17, 15, 18, 23 and 14 Fuse Block-Center Console Fuses: HTD MIRR and RR DEF
Fuse Block-Underhood Fuses: 10, 6, 4, 13 and 30