GM Service Manual Online
For 1990-2009 cars only

    Object Number: 813501  Size: SH
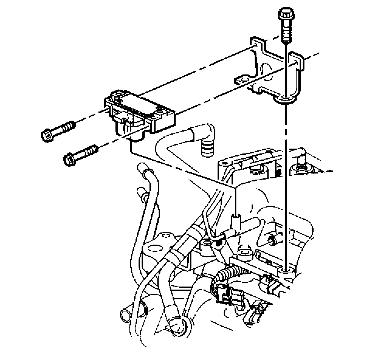
  1. Remove the MAP sensor electrical connector.
  2. Remove the MAP sensor bolts.
  3. Remove the MAP sensor from bracket.
  4. Remove the MAP sensor bracket and bracket bolt.

  5. Object Number: 511767  Size: SH
  6. Remove the EGR valve pipe and bolt from the EGR valve.
  7. Remove the EGR valve bolts.
  8. Remove the EGR valve and gasket.

  9. Object Number: 523301  Size: SH
  10. Remove the vacuum harness assembly.

  11. Object Number: 813507  Size: SH
  12. Remove the accelerator cable bracket and bracket bolts.

  13. Object Number: 813509  Size: SH
  14. Remove the purge valve bracket bolt, hose and valve assembly.
  15. Remove the throttle body bolts.
  16. Remove the throttle body and gasket.
  17. Remove the upper intake manifold bolts.
  18. Remove the upper intake manifold and gaskets.